Запчасти Case IH 9370 QUADTRAC (8-060) - PRIORITY REMOTE HYDRAULIC VALVE KIT, WITH LOAD CHECK (08) - HYDRAULICS

Схема запчастей Case IH 9370 QUADTRAC - (8-060) - PRIORITY REMOTE HYDRAULIC VALVE KIT, WITH LOAD CHECK (08) - HYDRAULICS
30
5
19
29
14
23
8
17
8
1
32
22
24
6
4
9
10
3
3
11
16
21
35
34
31
20
12
18
15
7
38
2
13
36
28
FIT
1:1
100%

Артикул

Название

Примечание

Количество

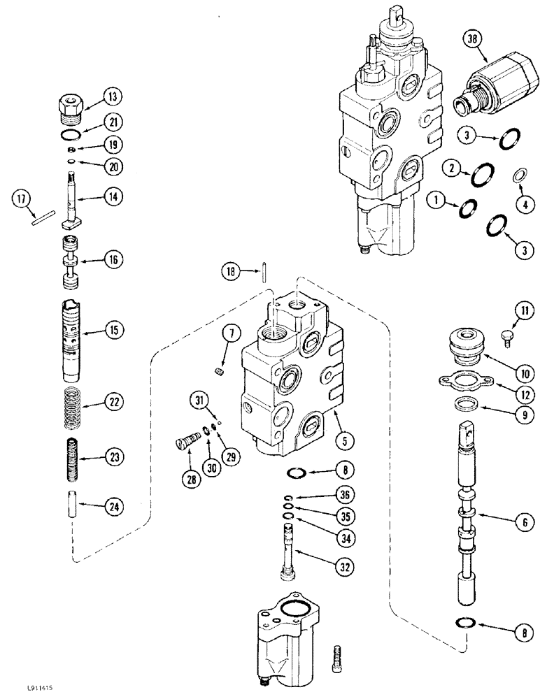
2-3792T1

SEAL KIT

- seal, valve section, Includes: Ref. 1 - 4

1шт.

1

238-6211

O-RING,0.139" Thk x 0.796" ID, -211, Cl 6, 90 Duro

1шт.

2

238-5119

O-RING,0.103" Thk x 0.924" ID, -119, Cl 5, 75 Duro

1шт.

3

238-6214

O-RING,0.139" Thk x 0.984" ID, -214, Cl 6, 90 Duro

2шт.

4

D77566

SHIM,.0030" Thk

Sections, Control valve .0030" Thk

3шт.

1986840C1

VALVE

ASSEMBLY - remote control, with load check, Includes: Ref. 5 - 38

1шт.

5

NSS

NOT SOLD SEPARAT

BODY - valve

1шт.

6

NSS

NOT SOLD SEPARAT

SPOOL - valve

1шт.

7

A47105

PLUG

- expansion

1шт.

8

238-5116

O-RING,0.103" Thk x 0.75" ID, -116, Cl 5, 75 Duro

2шт.

9

A47205

SEAL,22.61mm ID x 32.13mm OD x 2.67mm Thk

FILTER - spool

1шт.

10

A47188

COVER

- dust

1шт.

11

86019274

SCREW,Hex, 1/4"-20 x 1/2", G5

- retainer

2шт.

12

A47196

RETAINER

- dust guard

1шт.

13

A48925

PLUG

- flow control

1шт.

14

A48929

SHAFT

- adjusting

1шт.

15

A52412

TUBE

- flow control

1шт.

16

A52411

PISTON

SPOOL - flow control

1шт.

17

19711R1

PIN,3.17mm OD x 31.75mm L, Coiled

1шт.

18

138-1816

LOCK PIN,1/8" x 1", Slotted, Stainless

Pin, 1/8" x 1, Slotted, Stainless

1шт.

19

D71056

RING,Split, 4.47mm ID x 7.21mm OD x 1.32mm Thk

- backup

1шт.

20

238-5008

O-RING,0.07" Thk x 0.18" ID, -8, Cl 5, 75 Duro

-008, 70 Duro, .176" ID x .070" Thk

1шт.

21

237-6010

O-RING,0.097" Thk x 0.755" ID, -910, Cl 6, 90 Duro

10-1, 90 Duro, .755" ID x .097" Thk

1шт.

22

A48959

SPRING

- outer, flow control

1шт.

23

A48960

SPRING

- inner, flow control

1шт.

24

A52410

PIN

- spring guide

1шт.

28

A47204

PLUG

BODY - shuttle

1шт.

29

238-6008

O-RING,0.07" Thk x 0.176" ID, -8, Cl 6, 90 Duro

1шт.

30

237-6003

O-RING,0.064" Thk x 0.301" ID, -903, Cl 6, 90 Duro

3-1, .301" ID x .064" Thk

1шт.

31

211-1006

BALL,3/16" Dia

- chrome alloy steel, 3/16 inch, grade 24

1шт.

A47209

SPOOL

SHUTTLE ASSEMBLY - primary, Includes: Ref. 32 - 36

1шт.

32

NSS

NOT SOLD SEPARAT

SHUTTLE - primary

1шт.

34

237-6004

O-RING,0.072" Thk x 0.351" ID, -904, Cl 6, 90 Duro

4-1, 90 Duro, .351" ID x .072" Thk

1шт.

35

238-6010

O-RING,0.07" Thk x 0.239" ID, -10, Cl 6, 90 Duro

1шт.

36

238-6009

O-RING,0.07" Thk x 0.208" ID, -9, Cl 6, 90 Duro

1шт.

37

A52421

PLUG

- expansion, not shown

1шт.

38

A52422

VALVE

CHECK ASSEMBLY - load, remote valve, parts list Figure 8-064

1шт.

Выбрано товаров: 37