Запчасти Case IH 9370 QUADTRAC (8-114) - AXLE HYDRAULIC PUMP (08) - HYDRAULICS

Схема запчастей Case IH 9370 QUADTRAC - (8-114) - AXLE HYDRAULIC PUMP (08) - HYDRAULICS
11
13
14
5
4
2
12
9
6
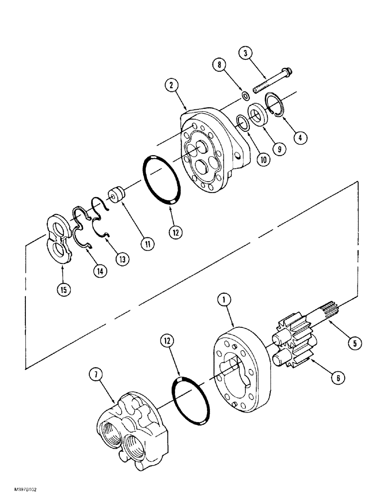
1
12
3
15
8
10
7
FIT
1:1
100%

Артикул

Название

Примечание

Количество

279783A1

PUMP

ASSEMBLY - hydraulic, axle, Includes: Ref. 1 - 15

1шт.

1

NSS

NOT SOLD SEPARAT

HOUSING - pump

1шт.

2

NSS

NOT SOLD SEPARAT

PLATE - front

1шт.

3

NSS

NOT SOLD SEPARAT

SCREW - cap

1шт.

4

NSS

NOT SOLD SEPARAT

RING - retaining

1шт.

5

NSS

NOT SOLD SEPARAT

GEAR - drive

1шт.

6

NSS

NOT SOLD SEPARAT

GEAR - idler

1шт.

7

NSS

NOT SOLD SEPARAT

PLATE - back

1шт.

280133A1

SEAL KIT

KIT - seal, Includes: Ref. 8 - 15

1шт.

8

NSS

NOT SOLD SEPARAT

WASHER - flat

1шт.

9

NSS

NOT SOLD SEPARAT

SEAL - shaft

1шт.

10

NSS

NOT SOLD SEPARAT

WASHER - flat

1шт.

11

NSS

NOT SOLD SEPARAT

PLUG - plate, front

1шт.

12

NSS

NOT SOLD SEPARAT

O-RING - seal

1шт.

13

NSS

NOT SOLD SEPARAT

GASKET - backup

1шт.

14

NSS

NOT SOLD SEPARAT

SEAL - backup

1шт.

15

NSS

NOT SOLD SEPARAT

PLATE - wear

1шт.

Выбрано товаров: 17