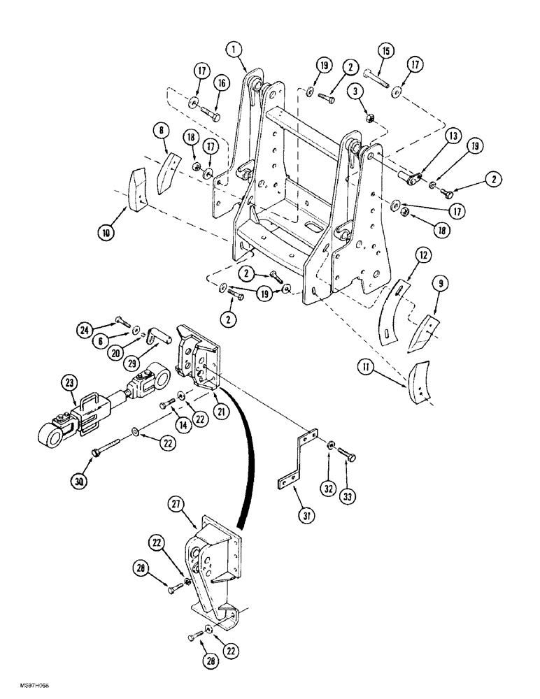
Запчасти Case IH 9370 QUADTRAC (9-008) - THREE POINT HITCH UPPER AND LOWER LINK MOUNTS, P.I.N. JEE0069308 AND AFTER (09) - CHASSIS/ATTACHMENTS

Схема запчастей Case IH 9370 QUADTRAC - (9-008) - THREE POINT HITCH UPPER AND LOWER LINK MOUNTS, P.I.N. JEE0069308 AND AFTER (09) - CHASSIS/ATTACHMENTS
22
31
21
2
17
20
15
18
6
11
10
14
32
19
22
30
22
17
2
8
19
16
19
2
29
2
17
13
28
33
9
18
24
28
22
3
23
12
27
17
1
FIT
1:1
100%

Артикул

Название

Примечание

Количество

254558A1

MOUNTING PARTS

MOUNT ASSEMBLY - three point hitch, parts list Figure 9-004, Includes: Ref. 1 - 13

1шт.

1

NSS

NOT SOLD SEPARAT

MOUNT - rear frame, three point hitch

1шт.

2

627-16050

BOLT,Hex, M16 x 2 x 50mm, Cl 10.9, Full Thd

14шт.

REF: 2 P/N 252653A2 NAPO TECH NOTE

1шт.

3

829-1416

NUT,M16, Cl 10

- hex, 16 mm - 2.0, class 10

6шт.

6

896-11016

WASHER,17.5mm ID x 30mm OD x 4mm Thk

- flat, 17.5 x 30 x 4 mm, hardened

10шт.

8

279608A1

BLOCK ASSY.

BLOCK - no sway, left-hand upper

1шт.

9

279611A1

BLOCK ASSY.

BLOCK - no sway, right-hand upper

1шт.

10

279607A1

BLOCK ASSY.

BLOCK - no sway, left-hand lower

1шт.

11

279610A1

BLOCK ASSY.

BLOCK - no sway, right-hand lower

1шт.

12

70-6387T1

LARGE PLATE

PLATE - sway block

2шт.

13

70-5972T2

PIN

- rocker shaft

6шт.

14

827-20220

BOLT,Hex, M20 x 2.5 x 220mm, Cl 10.9

- hex, 20 - 2.5 x 220 mm, class 10.9, with PTO

6шт.

15

827-24250

BOLT,Hex, M24 x 3 x 250mm, Cl 10.9

- hex, 24 - 3.0 x 250 mm, class 10.9

10шт.

16

627-24070

BOLT,Hex, M24 x 3 x 70mm, Cl 10.9, Full Thd

- hex, full threads, 24 - 3.0 x 70 mm, class 10.9

6шт.

17

896-11024

WASHER,26mm ID x 44mm OD x 5mm Thk

- flat, 26 ID x 44 x 5 mm, hardened

32шт.

18

829-1424

NUT,M24, Cl 10

- hex, 24 mm - 3.0, class 10.9

16шт.

19

896-11016

WASHER,17.5mm ID x 30mm OD x 4mm Thk

- flat, 17.5 x 30 x 4 mm, hardened

18шт.

20

70-5967T1

SPACER,16.7mm ID x 22.2mm OD x 11.2mm

- pin

2шт.

21

253673A1

MOUNTING PARTS

MOUNT - upper link, with PTO

1шт.

22

896-11020

WASHER,22mm ID x 37mm OD x 4mm Thk

- flat, 22 x 37 x 4 mm, hardened

16шт.

23

253908A1

LINK

ASSEMBLY - upper, parts list Figure 9-014

1шт.

24

627-16035

BOLT,Hex, M16 x 2 x 35mm, Cl 10.9, Full Thd

1шт.

27

253672A1

MOUNTING PARTS

MOUNT - upper link, without PTO

1шт.

28

827-20080

BOLT,Hex, M20 x 2.5 x 80mm, Cl 10.9

- hex, 20 - 2.5 x 80 mm, class 10.9, without PTO

8шт.

29

70-6232T2

PIN,44.32mm OD x 162.31mm L

- link retaining, upper link

1шт.

30

827-20190

BOLT,Hex, M20 x 2.5 x 190mm, Cl 10.9

- hex, 20 - 2.5 x 190 mm, class 10.9, with PTO

2шт.

REF: 30 R/B L130035 SPACER QTY 2 827-20210 BOLT QTY 2 PER ECN F990082 NAPO TECH NOTE

1шт.

31

50-3636T1

BRACKET

- coupler

2шт.

33

627-10035

BOLT,Hex, M10 x 1.5 x 35mm, Cl 10.9, Full Thd

- hex, full threads, 10 - 1.5 x 35 mm, class 10.9

4шт.

32

895-11010

WASHER,11mm ID x 20mm OD x 2mm Thk

4шт.

Выбрано товаров: 31