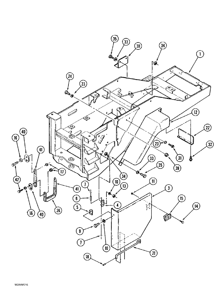
Запчасти Case IH 9370 QUADTRAC (9-024) - FRONT FRAME (09) - CHASSIS/ATTACHMENTS

Схема запчастей Case IH 9370 QUADTRAC - (9-024) - FRONT FRAME (09) - CHASSIS/ATTACHMENTS
21
12
23
41
5
35
35
34
22
1
34
18
40
14
7
15
33
10
9
30
40
41
10
4
33
17
16
3
42
32
24
23
16
31
6
11
7
26
39
13
FIT
1:1
100%

Артикул

Название

Примечание

Количество

1

305090A1

FRAME

- front, also order 70-6923T1 support on Figure 9-030, replaces 192517A2 frame

1шт.

3

234900A1

DOOR

- access cover

1шт.

4

234905A1

HINGE

- door, mounting

2шт.

5

70-6200T1

HINGE

- door

2шт.

6

70-1996T3

PIN,6.35mm OD x 111mm L

- hinge

2шт.

7

70-2600T2

CIRCLIP

RING - retaining

4шт.

9

426-612

BOLT,Hex, 3/8" - 16 x 3/4", Gr 8

- hex, 3/8 NC x 3/4 inch, grade 8

4шт.

10

495-21044

WASHER,3/8"

(flat, 7/16 x 1 x 5/64 inch) 3/8"

12шт.

11

231-5344

FLANGE NUT,Flg, 1/4"-20

NUT, LOCK, Flg, 1/4"-20

4шт.

12

282821A1

FENDER ASSY.

FENDER - right-hand, replaces 222106A2 fender

1шт.

13

232-4136

LOCK NUT,3/8"-16, GC

NUT, LOCK, 3/8"-16, GC

6шт.

14

458-412

BOLT,Hex, 1/4" - 20 x 3/4", Gr 5

- hex flange, 1/4 NC x 3/4 inch

4шт.

15

R56221

LATCH

- access door

1шт.

18

9415236

PIN, ROLL

PIN - 1/8 x 3/4 inch

1шт.

21

234904A1

STEM

ROD - door

1шт.

22

282831A1

PANEL, SIDE

PANEL - fender, right-hand, replaces 249079A1 panel

1шт.

23

495-11028

WASHER,1/4", SAE

(flat, 9/32 x 5/8 x 1/16") 1/4", SAE

2шт.

24

426-48

BOLT,Hex, 1/4" - 20 x 1/2", Gr 8

- hex, 1/4 NC x 1/2 inch, grade 8

2шт.

26

254419A1

STEP

- rear, lower

1шт.

30

70-2142T3

STEP

- lower front

1шт.

31

426-624

BOLT,Hex, 3/8" - 16 x 1-1/2", Gr 8

- hex, 3/8 NC x 1-1/2 inch, grade 8

2шт.

32

281-54712

SCREW,Hex Wshr Hd, 1/4" - 20 x 3/4"

- self tapping, hex washer head, 1/4 NC x 3/4 inch

6шт.

33

495-21056

WASHER,1/2"

- flat, 9/16 x 1-3/8 x 7/64 inch

2шт.

34

425-108

NUT,1/2" - 13, Gr 5

NUT, , Hex 1/2"-13, G5

2шт.

35

426-824

BOLT,Hex, 1/2" - 13 x 1-1/2", Gr 8

- hex, 1/2 NC x 1-1/2 inch, grade 8

2шт.

39

232723A1

BUMPER

- door

2шт.

40

251350A1

END

PLATE - end, door

4шт.

41

108751A1

SUPPORT

STRAP - step hanger

2шт.

42

828-10040

BOLT,Hex, M10 x 1.5 x 40mm, Cl 10.9, Full Thd

- hex, 10 - 1.5 x 40 mm, class 10.9

8шт.

26-211

ADHESIVE STRIP

STRIP - non-skid, bulk, 51 (2) x 3048 mm (120 inch) long

1шт.

17

829-1410

NUT,M10 x 1.5, Cl 10.9

8шт.

16

895-11010

WASHER,11mm ID x 20mm OD x 2mm Thk

8шт.

Выбрано товаров: 32