Запчасти Case IH 9370 QUADTRAC (9-082) - CAB AIR CONDITIONING, COMPRESSOR MOUNTING AND DRIVE (09) - CHASSIS/ATTACHMENTS

Схема запчастей Case IH 9370 QUADTRAC - (9-082) - CAB AIR CONDITIONING, COMPRESSOR MOUNTING AND DRIVE (09) - CHASSIS/ATTACHMENTS
7
12
8
7
9
7
12
4
1
2
17
8
14
15
9
9
8
18
3
16
9
5
13
22
12
FIT
1:1
100%

Артикул

Название

Примечание

Количество

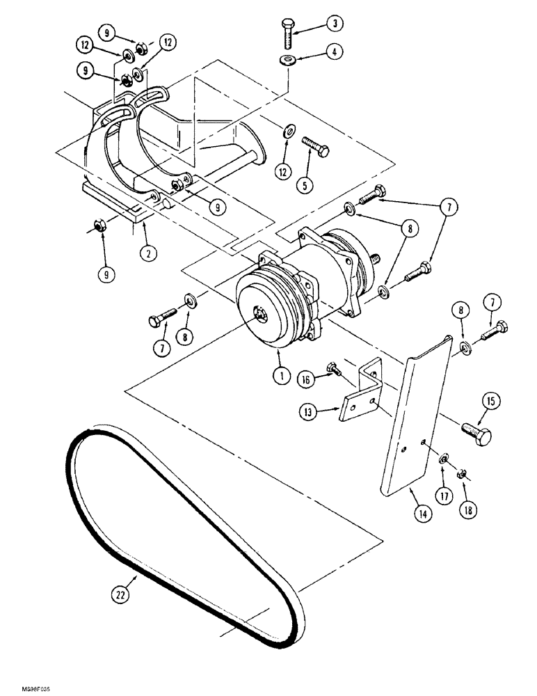
1

1999755C2

COMPRESSOR

ASSEMBLY - air conditioning, parts list Figure 9-084

1шт.

1

86993462R

REMAN-COMPRESSOR

QUADTRAC® (1/97-12/99); Reman For New P/N 1999755C2

1шт.

1

86993462C

CORE-COMPRESSOR

Return Part Number

1шт.

1

1999755C3R

REMAN-A/C COMPRESSOR

Inc.- 8 Mounting Holes, 2 Groove Pulley, For Use w/HFC134A Refrigerant

1шт.

1

1999755C3C

CORE-COMPRESSOR

Return Part Number

1шт.

1

48017123R

REMAN-A/C COMP KIT

Reman Kit -- A/C Compressor, Receiver-Dryer, Valve

1шт.

1

48017123C

REMAN-A/C COMP KIT

Return Part Number

1шт.

2

90-8440T1

SUPPORT

MOUNT - compressor, replaces 90-7735T1 mount

1шт.

3

426-820

BOLT,Hex, 1/2" - 13 x 1-1/4", Gr 8

- hex, 1/2 NC x 1-1/4 inch, grade 8

2шт.

4

496-11053

WASHER,17/32" x 1 1/16" x .095", HDN

2шт.

5

426-612

BOLT,Hex, 3/8" - 16 x 3/4", Gr 8

- hex, 3/8 NC x 3/4 inch, grade 8

1шт.

7

614-10035

BOLT,Hex, M10 x 1.5 x 35mm, Cl 8.8, Full Thd

4шт.

8

496-21041

WASHER,13/32" x 13/16" x .089", HDN

- flat, 13/32 x 13/16 x 3/32", hardened

4шт.

9

825-1410

NUT,M10, Cl 8

4шт.

12

496-41041

WASHER,13/32" x 1 1/8" x .134"

- flat, 13/32 x 1-1/8 x 9/64 inch, hardened

3шт.

13

90-6871T2

SUPPORT

BRACKET - mounting, shield

1шт.

14

90-6872T1

SHIELD

- compressor

1шт.

15

413-1016

BOLT,Hex, 5/8" - 11 x 1", Gr 5

- hex, 5/8 NC x 1 inch

1шт.

16

426-512

BOLT,Hex, 5/16" - 18 x 3/4", Gr 8

- hex, 5/16 NC x 3/4 inch, grade 8

2шт.

17

495-21038

WASHER,5/16"

(flat, 3/8 x 7/8 x 3/32") 5/16"

2шт.

18

231-1445

NUT,5/16"-18, GB

NUT - hex, self-locking, 5/16 inch NC

2шт.

22

90-7190T1

V-BELT,0.56" W x 40.25" L

Compressor 0.56" W x 40.25" L

1шт.

Выбрано товаров: 22