Запчасти Case IH 9370 QUADTRAC (4-008) - SYSTEMS CIRCUIT BREAKERS AND RELAYS (04) - ELECTRICAL SYSTEMS

Схема запчастей Case IH 9370 QUADTRAC - (4-008) - SYSTEMS CIRCUIT BREAKERS AND RELAYS (04) - ELECTRICAL SYSTEMS
36
5
28
24
5
2
19
17
6
8
27
29
6
3
27
30
4
18
17
1
33
2
23
22
7
31
32
5
2
26
33
20
11
32
6
9
6
10
FIT
1:1
100%

Артикул

Название

Примечание

Количество

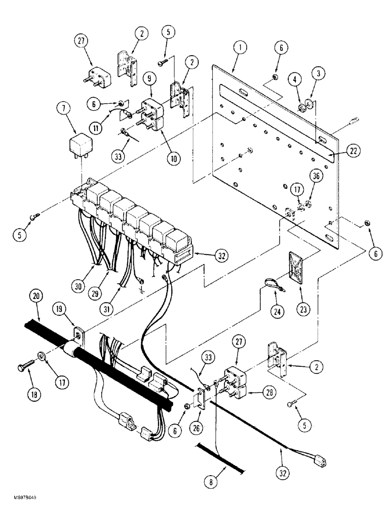
1

60-5052T3

LARGE PLATE

PLATE - relay mounting

1шт.

2

20-1171T1

SUPPORT

BRACKET - mounting, circuit breaker

3шт.

3

495-21038

WASHER,5/16"

(flat, 3/8 x 7/8 x 3/32") 5/16"

3шт.

4

231-1445

NUT,5/16"-18, GB

NUT - hex, self-locking, 5/16 inch NC

3шт.

5

459-5108

SCREW,Slotted Pan Hd, #10-32 x 1/2", G5

- machine, pan head slotted, No. 10 NF x 1/2 inch

1шт.

6

193-1000

NUT,Keps, w/LW,#10-32

- hex, with external tooth lock washer, No. 10 NF

1шт.

7

1983394C2

RELAY

- mini, 12 volt

1шт.

8

60-6807T1

HARNESS

- overhead power

1шт.

9

22-809

BREAKER

- circuit, 5 ampere

1шт.

10

245765C1

CIRCUIT-BREAKER,30A

BREAKER - circuit, 30 ampere

1шт.

11

60-7037T1

HARNESS

CABLE - three point hitch

1шт.

17

495-21031

WASHER,1/4"

- flat, 5/16 x 3/4 x 1/16 inch

2шт.

18

426-416

BOLT,Hex, 1/4" - 20 x 1", Gr 8

1шт.

19

515-23381

CLAMP,1 1/2", Insul, 3/8" Bolt

P-type 1 1/2", Insul, 3/8" Bolt

1шт.

20

60-7192T3

HARNESS

- cab harness

1шт.

22

60-7221T1

DECAL

- relay

1шт.

23

22-823

MOUNT

MOUNT - adhesive back, strap

1шт.

24

22-824

CABLE TIE,3/16" x 7 1/4"

STRAP - tie, 7 inch

1шт.

26

22-677

BAR

CONNECTOR - circuit breaker

1шт.

27

22-670

BREAKER

- circuit, 10 ampere

2шт.

28

22-671

BREAKER

- circuit, 15 ampere

1шт.

29

60-7225T1

CABLE

HARNESS - differential, rear

1шт.

30

60-7199T3

HARNESS

- differential, front

1шт.

31

60-7017T2

HARNESS

- electronic depth control, prior to P.I.N JEE0069665, use with Ref. 1 on Figure 8-072, 50-3321T91 valve

1шт.

31

60-7274T1

HARNESS

- electronic depth control, P.I.N. JEE0069665 and after, use with Ref. 1 on Figure 8-074, 246245A1 valve

1шт.

32

60-6162T1

HARNESS

- air seat

1шт.

33

60-6303T1

ELECTRICAL WIRE

WIRE - circuit breaker

1шт.

36

231-1444

NUT,1/4"-20, GB

NUT, LOCK, 1/4"-20, GB

4шт.

Выбрано товаров: 28