Запчасти Case IH 9380 QUADTRAC (4-004) - OVERHEAD CAB HARNESS (04) - ELECTRICAL SYSTEMS

Схема запчастей Case IH 9380 QUADTRAC - (4-004) - OVERHEAD CAB HARNESS (04) - ELECTRICAL SYSTEMS
38
1
34
8
3
31
7
12
7
13
9
7
2
9
43
18
28
29
6
6
22
7
41
20
24
21
7
26
36
19
10
39
35
27
10
22
32
23
21
4
25
33
30
6
4
37
20
17
6
37
5
40
FIT
1:1
100%

Артикул

Название

Примечание

Количество

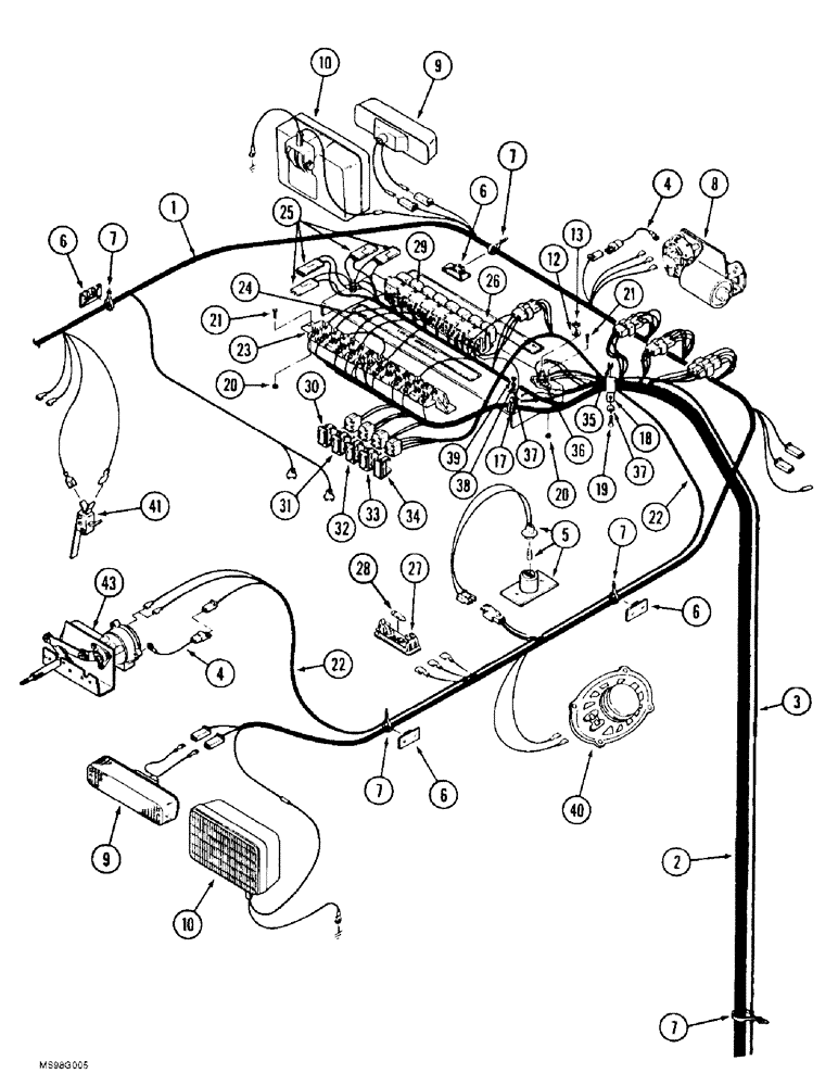
1

60-6516T1

HARNESS

- overhead, cab

1шт.

2

60-7192T3

HARNESS

- cab harness

1шт.

3

60-6807T1

HARNESS

- overhead power, cab

1шт.

4

60-7091T1

CABLE

- ground, wiper

2шт.

5

83882C91

LAMP

ASSEMBLY - console illumination

1шт.

6

22-823

MOUNT

MOUNT - adhesive back, strap

6шт.

7

22-824

CABLE TIE,3/16" x 7 1/4"

STRAP - tie, 7 inch

1шт.

8

REF

INSTRUCTION

DRIVE ASSEMBLY - wiper, front, See Figure 4-056 for service parts

1шт.

9

22-665T1

LIGHT ASSY.

LAMP ASSEMBLY - warning, parts list Figure 4-038

1шт.

10

ZAA7189850

HEADLIGHT

LAMP ASSEMBLY - flood, parts list Figure 4-038

1шт.

12

19-5577

LOCK WASHER

- lock, 3/8 inch

1шт.

13

115772

NUT

- hex, special, 3/8 inch NC

1шт.

17

515-23190

CLAMP,3/4", Insul, 3/8" Bolt

P-type 3/4", Insul, 3/8" Bolt

1шт.

18

515-23317

CLAMP,31.75mm ID, 10.3mm Bolt Hole, P Type

P-type 1 1/4", Insul, 3/8" Bolt

1шт.

19

413-416

BOLT,Hex, 1/4" - 20 x 1", Gr 5

- hex, 1/4 NC x 1 inch

1шт.

20

193-1000

NUT,Keps, w/LW,#10-32

- hex, with external tooth lock washer, No. 10 NF

4шт.

21

459-5108

SCREW,Slotted Pan Hd, #10-32 x 1/2", G5

- machine, pan head slotted, No. 10 NF x 1/2 inch

4шт.

22

60-6523T1

HARNESS

- rear wiper

1шт.

23

REF

INSTRUCTION

BREAKER ASSEMBLY - circuit, parts list Figure 4-006

1шт.

24

60-6297T1

DECAL

- circuit breaker

1шт.

25

22-738

DIODE

- electrical

4шт.

26

60-7064T1

DECAL

- overhead relay

1шт.

27

1983391C1

LAMP,12V, 10W

- dome

1шт.

28

E35556

BULB,12V, 10W

- Lamp 12V, 10W

1шт.

29

1983394C2

RELAY

- mini, 12 volt

7шт.

30

1964752C1

SWITCH

- rocker, master lamp

1шт.

31

245012C1

SWITCH

- rocker, dash lamp

1шт.

32

1964751C1

SWITCH

- rocker, ether start

1шт.

33

1987431C1

SWITCH

- rocker, rear wiper

1шт.

34

245334C1

PLUG

- panel switch cover

1шт.

35

232-4114

LOCK NUT,1/4"-20, GC

NUT, LOCK, 1/4"-20, GC

1шт.

36

20-1451T1

BLOCK

- junction

1шт.

37

495-21031

WASHER,1/4"

- flat, 5/16 x 3/4 x 1/16 inch

3шт.

38

492-11025

LOCK WASHER,1/4"

WASHER, LOCK, 1/4"

2шт.

39

231-1444

NUT,1/4"-20, GB

NUT, LOCK, 1/4"-20, GB

3шт.

40

60-5748T1

SPEAKER

- radio

2шт.

41

60-6515T1

SWITCH

- lamp, door, See Figure 9-054 for mounting hardware

1шт.

43

REF

INSTRUCTION

DRIVE ASSEMBLY - wiper, rear, See Figure 4-058 for service parts

1шт.

Выбрано товаров: 38