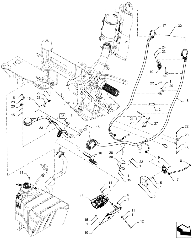
Запчасти Case IH QUADTRAC 370 (10.500.AD[01]) - DEF/ADBLUE LINES, BSN ZEF303000 (10) - ENGINE

Схема запчастей Case IH QUADTRAC 370 - (10.500.AD[01]) - DEF/ADBLUE LINES, BSN ZEF303000 (10) - ENGINE
9
31
24
2
11
14
12
5
32
21
5
22
5
28
27
33
4
30
15
1
6
19
17
1
15
22
7
20
1
20
1
1
8
1
26
13
28
1
18
22
15
25
20
23
5
1
28
15
10
3
1
15
15
16
1
29
FIT
1:1
100%

Артикул

Название

Примечание

Количество

1

895-11008

WASHER,9mm ID x 16mm OD x 1.6mm Thk

28шт.

2

L18331

CABLE TIE,375.9mm L, Nylon, Black

15"

2шт.

3

47386064

BRACKET

Heater Valve

1шт.

4

84483089

HEATER,12V

Valve, DEF

1шт.

5

627-8020

BOLT,Hex, M8 x 1.25 x 20mm, Cl 10.9, Full Thd

7шт.

6

825-2408

FLANGE NUT,M8 x 1.25, Flg, Cl 8

3шт.

7

84556636

HOSE

DEF Heat, Attached To Heater Supply Tube

1шт.

8

214-1408

HOSE CLAMP,11.2mm - 19.8mm

Type F, Worm

2шт.

9

16044324

SCREW,Hex, M8 x 1.25 x 55mm, Cl 8.8

3шт.

10

47511836

MOUNT

Supply Module

1шт.

11

2855150

INSULATOR BLOCK

Rubber

6шт.

12

814-8130

BOLT,Hex, M8 x 1.25 x 130mm, Cl 8.8

3шт.

13

47565939

ECU

Denox Supply

1шт.

14

832-10408

NUT,M8 x 1.25, Cl 8.8

3шт.

15

829-1408

NUT,Hex, M8 x 1.25, Cl 10.9

9шт.

16

435490A1

FOAM

Cable Clamp

2шт.

17

47474991

HOSE

DEF Bundle, From Heater Valve To DOC

1шт.

18

47572065

CONDUIT

DEF Hose Bundle. From Supply Module To DOC

1шт.

19

47506948

INJECTOR, EMISSIONS

DEF

1шт.

19

47506948R

REMAN-INJEC EMISSION

DEF

1шт.

19

47506948C

CORE-INJEC EMISSION

Return Number

1шт.

20

515-22317

CLAMP,1 1/4", Insul, 5/16" Bolt

8шт.

21

627-8030

BOLT,Hex, M8 x 1.25 x 30mm, Cl 10.9, Full Thd

1шт.

22

627-8025

BOLT,Hex, M8 x 1.25 x 25mm, Cl 10.9, Full Thd

7шт.

23

86588450

WASHER,6.6mm ID x 12mm OD x 1.6mm Thk

3шт.

24

120162

HEX SOC SCREW,M6 x 35mm, Cl 8.8

3шт.

25

47571964

CONDUIT

DEF Hose Bundle, From Tank To Supply Module, Incl 33

1шт.

26

84588850

BRACKET

DEF Hose Bundle

1шт.

27

47475184

PLATE

DEF Hose Bundle

1шт.

28

515-23381

CLAMP,1 1/2", Insul, 3/8" Bolt

7шт.

29

426285A1

STUD

Threaded, M8

1шт.

30

47507043

BRACKET

DEF Hose Bundle

1шт.

31

84208502

PLUG,10mm OD x 42.4mm L

DEF

1шт.

32

22-824

CABLE TIE,3/16" x 7 1/4"

1шт.

33

84367903

FILTER

DEF Inline Mesh Filter

1шт.

Выбрано товаров: 35