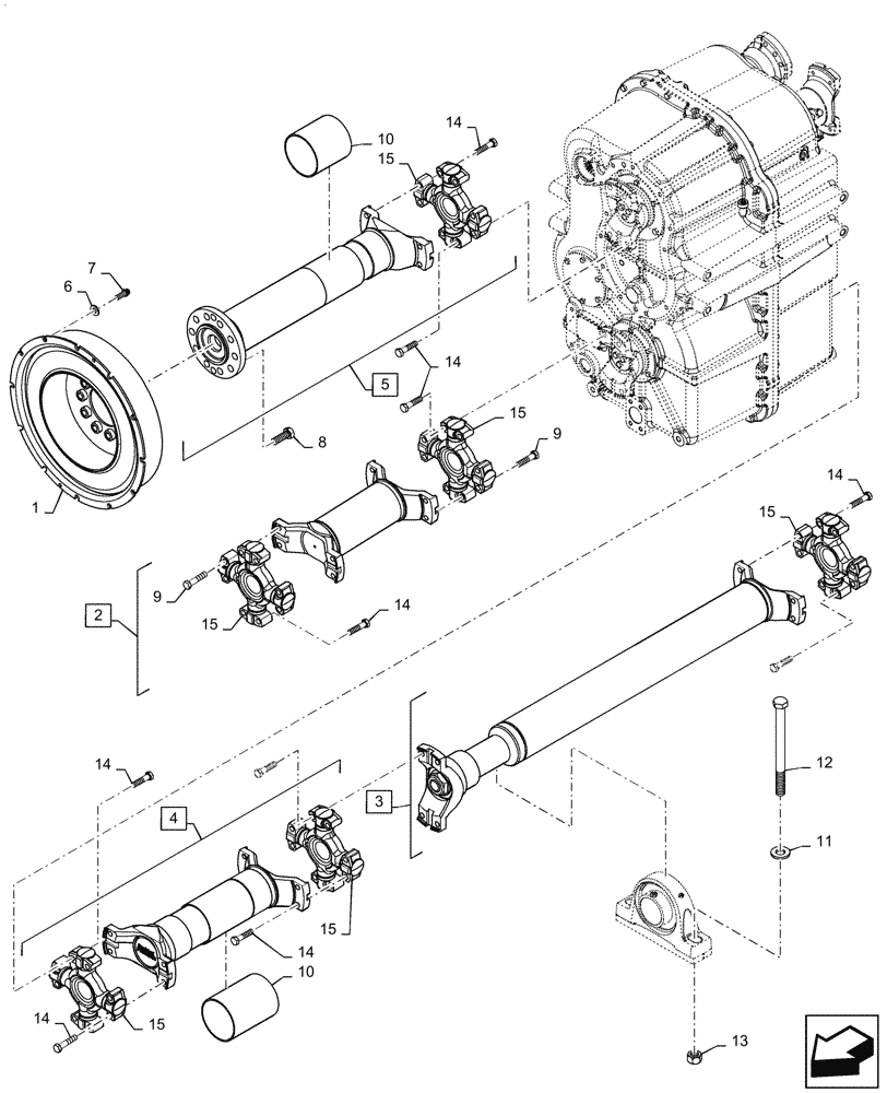
Запчасти Case IH QUADTRAC 420 (23.314.130) - DRIVE SHAFT ASSY, 8C (23) - FOUR WHEEL DRIVE SYSTEM

Схема запчастей Case IH QUADTRAC 420 - (23.314.130) - DRIVE SHAFT ASSY, 8C (23) - FOUR WHEEL DRIVE SYSTEM
10
3
6
4
15
15
2
12
8
10
5
13
15
14
9
14
11
1
14
14
7
9
15
15
15
14
14
14
FIT
1:1
100%

Артикул

Название

Примечание

Количество

1

378758A2

DAMPER

Vibration

1шт.

2

47404575

DRIVE SHAFT

Front Axle, 8C, Incl 15 - 16

1шт.

3

84427185

DRIVE SHAFT

Rear Axle, 8C, Incl 14 - 15, Serial Range: -ZGF308725

1шт.

3

47755885

DRIVE SHAFT

Rear Axle, 8C, Incl 14 - 15, Start Serial: ZGF308726

1шт.

4

84221212

DRIVE SHAFT

Articulation, Incl 14 - 15, 17

1шт.

5

84182420

DRIVE SHAFT

Engine, Incl 14 - 15, 17

1шт.

6

496-81010

WASHER

0.469" x 1" x 0.105"

12шт.

7

47379836

12 PT SCREW

Flange, 7/16" x 1

12шт.

8

426-1028

BOLT,Hex, 5/8" - 11 x 1-3/4", Gr 8

10шт.

9

827-12055

BOLT,Hex, M12 x 1.75 x 55mm, Cl 10.9

8шт.

10

404151A1

SEAL,76.2mm ID x 93.98mm OD x 11.68mm Thk

Drive Shaft Wiper

2шт.

11

896-15020

WASHER,22mm ID x 44mm OD x 5mm Thk

2шт.

12

827-20250

BOLT,Hex, M20 x 2.5 x 250mm, Cl 10.9

2шт.

13

829-1420

NUT,M20, Cl 10

2шт.

14

827-12050

BOLT,Hex, M12 x 1.75 x 50mm, Cl 10.9

40шт.

15

86000308

UNIVERSAL JOINT

U-Joint Spider, 8C

6шт.

Выбрано товаров: 0