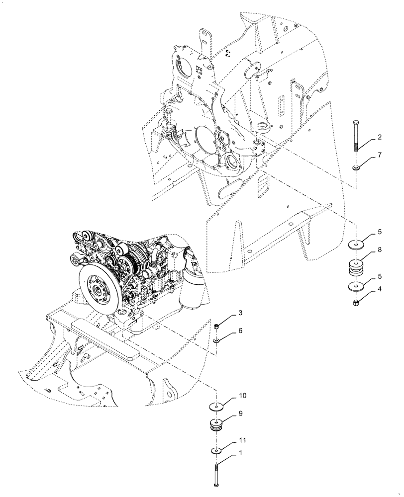
Запчасти Case IH QUADTRAC 420 (10.001.AK[02]) - ENGINE MOUNT, 400, 420, 450, 470, 500 (10) - ENGINE

Схема запчастей Case IH QUADTRAC 420 - (10.001.AK[02]) - ENGINE MOUNT, 400, 420, 450, 470, 500 (10) - ENGINE
10
3
4
9
11
7
5
8
2
6
1
5
FIT
1:1
100%

Артикул

Название

Примечание

Количество

1

827-16160

BOLT,Hex, M16 x 2 x 160mm, Cl 10.9

2шт.

2

827-20220

BOLT,Hex, M20 x 2.5 x 220mm, Cl 10.9

2шт.

3

832-10416

NUT,M16 x 2, Cl 8

2шт.

4

832-10420

NUT,M20 x 2.5, Cl 8

2шт.

5

379611A1

WASHER

Engine Mount

4шт.

6

496-41066

WASHER,5/8" ID x 1-1/2" OD x 3/16" Thk

2шт.

7

896-15020

WASHER,22mm ID x 44mm OD x 5mm Thk

2шт.

8

361187A1

ISOLATOR

Engine Mount, Rear

2шт.

9

435439A1

RUBBER MOUNTING

Engine Mount Isolator, Front

2шт.

10

435471A1

WASHER,16.66mm ID x 89mm OD x 4.75mm Thk

2шт.

11

435423A1

WASHER,16.66mm ID x 63.5mm OD x 4.55mm Thk

0.656" x 2.5" x 0.179"

2шт.

Выбрано товаров: 11