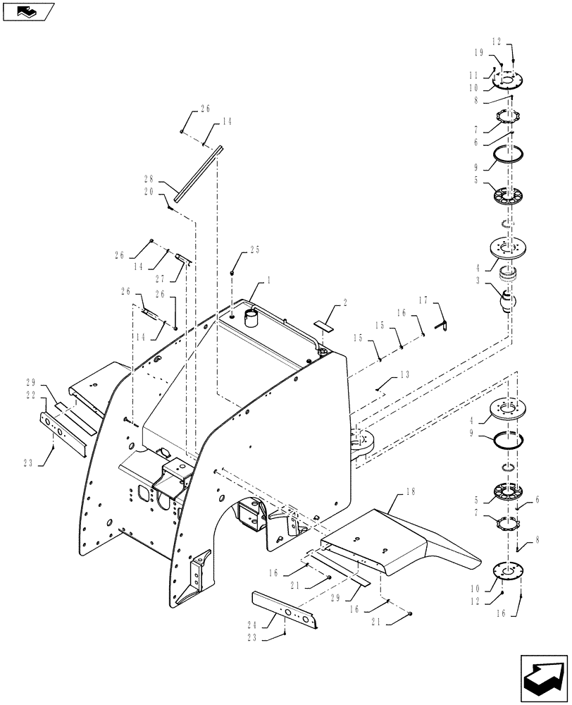
Запчасти Case IH QUADTRAC 450 (39.100.07[02]) - REAR FRAME / FUEL TANK AND FENDERS - QUADTRAC 450 & 500 ASN ZBF126024 (39) - FRAMES AND BALLASTING

Схема запчастей Case IH QUADTRAC 450 - (39.100.07[02]) - REAR FRAME / FUEL TANK AND FENDERS - QUADTRAC 450 & 500 ASN ZBF126024 (39) - FRAMES AND BALLASTING
22
26
10
21
6
26
26
19
3
10
8
11
7
8
16
4
5
4
24
home
18
29
17
20
6
26
9
16
25
23
16
14
12
28
29
15
16
27
1
9
15
7
14
14
21
23
13
5
12
2
FIT
1:1
100%

Артикул

Название

Примечание

Количество

1

47423458

FRAME

Rear

1шт.

For Breather and Filler Cap See Fig 39.100.10 (01) (North America) or 39.100.10 (02) (Europe)

1шт.

2

87750668

PAD,2" x 4-1/2"

Non-Slip

3шт.

3

87644205

BEARING ASSY,119mm ID x 139.7mm OD x 182mm W

Spherical Plain Extended

1шт.

4

84179787

RING

Retaining

2шт.

5

84151002

HOUSING

Assy

2шт.

6

432444A1

SPACER

Retainer

16шт.

7

87644212

RETAINING PLATE

2шт.

8

827-10040

BOLT,Hex, M10 x 1.5 x 40mm, Cl 10.9, Full Thd

16шт.

9

84307902

RUBBER SEAL

Articulation Joint

2шт.

10

87644215

COVER

Articulation Joint

2шт.

11

463-61010

SCREW,Hex, #10 - 32 x 5/8"

16шт.

12

217-402

PLUG,Hex Hd, 1/8" - 27 NPT

3шт.

13

219-36

LUBE NIPPLE,45 Degree Elbow, 1/8" - 27 NPTF

1шт.

14

895-11008

WASHER,9mm ID x 16mm OD x 1.6mm Thk

6шт.

15

321232A1

BUSHING,11mm ID x 31mm OD x 6mm L

Rubber

2шт.

16

896-15012

WASHER,13.5mm ID x 28mm OD x 4mm Thk

9шт.

17

406390A1

HANDLE

Linkage Channel

1шт.

18

47423455

FENDER

Rear, RH, Years: -30-SEP-15

1шт.

18

48024645

FENDER

Rear, RH, Start Year: 01-OCT-15

1шт.

19

219-40

LUBE NIPPLE,65 Degree Elbow, 1/8" - 27 NPTF

1шт.

20

827-12045

BOLT,Hex, M12 x 1.75 x 45mm, Cl 10.9, Full Thd

2шт.

21

832-10412

NUT,M12 x 1.75, Cl 8

6шт.

22

84207806

COVER

LH Fender Light

1шт.

23

281-54712

SCREW,Hex Wshr Hd, 1/4" - 20 x 3/4"

6шт.

24

84207804

COVER

RH Fender Light

1шт.

25

217-410

PLUG,Hex Hd, 1/2" - 14 NPT

2шт.

26

832-10408

NUT,M8 x 1.25, Cl 8.8

6шт.

27

84348136

CHANNEL

Wire Guard

1шт.

28

84348141

CHANNEL

Wire Guard

1шт.

29

47420716

SEAL

Foam Fender

2шт.

Выбрано товаров: 31