Запчасти Case IH QUADTRAC 450 (41.920.02) - AUTOGUIDANCE - VALVE, VALVE FITTINGS, & PLUMBING - QUADTRAC (41) - STEERING

Схема запчастей Case IH QUADTRAC 450 - (41.920.02) - AUTOGUIDANCE - VALVE, VALVE FITTINGS, & PLUMBING - QUADTRAC (41) - STEERING
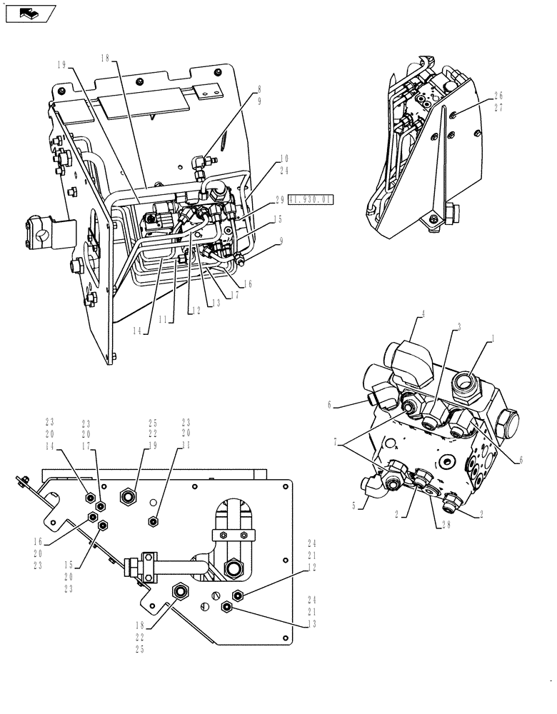
8
16
15
20
13
17
1
20
23
24
5
18
23
14
13
29
15
home
20
12
10
4
23
20
9
19
25
16
28
6
2
23
12
21
25
22
27
22
9
14
26
7
18
2
17
23
3
19
11
6
24
41.930.01
20
21
11
24
FIT
1:1
100%

Артикул

Название

Примечание

Количество

1

700-105

HYD CONNECTOR,1-7/16" - 12 Male ORFS x M33 x 2 Male ORB

1шт.

2

700-106

HYD CONNECTOR,11/16" - 16 Male ORFS x M18 x 1.5 Male ORB

2шт.

3

700-305

ELBOW,90 Degree Elbow, 13/16" - 16 Male ORFS x M18 x 1.5 Male ORB

1шт.

4

700-308

ELBOW,90 Degree Elbow, 1-7/16" - 12 Male ORFS x M33 x 2 Male ORB

1шт.

5

700-311

ELBOW,90 Degree Elbow, 11/16" - 16 Male ORFS x M12 x 1.5 Male ORB

1шт.

6

700-345

ELBOW,90 Degree Elbow, 11/16" - 16 Male ORFS x M18 x 1.5 Male ORB

2шт.

7

700-348

ELBOW,45 Degree Elbow, 13/16" - 16 Male ORFS x M18 x 1.5 Male ORB

2шт.

8

701-320

ELBOW,90 Degree Elbow, 13/16" - 16 Male ORFS x 13/16" - 16 Female ORFS

1шт.

9

190316A1

COUPLING

Diagnostic Coupler

1шт.

10

84212477

TUBE

Priority Tank

1шт.

10

84387371

HYD TUBE

Priority Tank, EU

1шт.

11

84212479

TUBE

Load Sense

1шт.

12

84212480

TUBE

Steering Pressure, Left

1шт.

13

84212482

TUBE

Steering Pressure, Right

1шт.

14

84212484

TUBE

Control, Left

1шт.

15

84212485

TUBE

Control, Right

1шт.

16

84212486

TUBE

Control, Pilot

1шт.

17

84212488

TUBE

Control, Tank

1шт.

18

84212490

TUBE

Pump Pressure

1шт.

19

84212492

TUBE

EF Supply

1шт.

20

701-909

NUT,11/16" - 16

5шт.

21

701-903

NUT,13/16" - 16

2шт.

22

701-908

BHD LOCK NUT,1-7/16" - 12

2шт.

23

238-6012

O-RING,0.07" Thk x 0.364" ID, -12, Cl 6, 90 Duro

5шт.

24

238-6014

O-RING,0.07" Thk x 0.489" ID, -14, Cl 6, 90 Duro

3шт.

25

238-6021

O-RING,15/16 X 1 - 1/16, Cl 6

2шт.

26

895-25008

WASHER,9mm ID x 24mm OD x 2mm Thk

3шт.

27

627-8020

BOLT,Hex, M8 x 1.25 x 20mm, Cl 10.9, Full Thd

3шт.

28

221579A1

PLUG,M22 x 1.5 ORB

1шт.

29

87585898

HYDRAULIC VALVE

EHPS Autoguidance

1шт.

29

87585898R

REMAN-HYD VALVE

EHPS Autoguidance

1шт.

29

87585898C

CORE-VALVE HYD

Return Number

1шт.

29

84180914

VALVE

EHPS Autoguidance, QuadTrac 600

1шт.

Выбрано товаров: 33