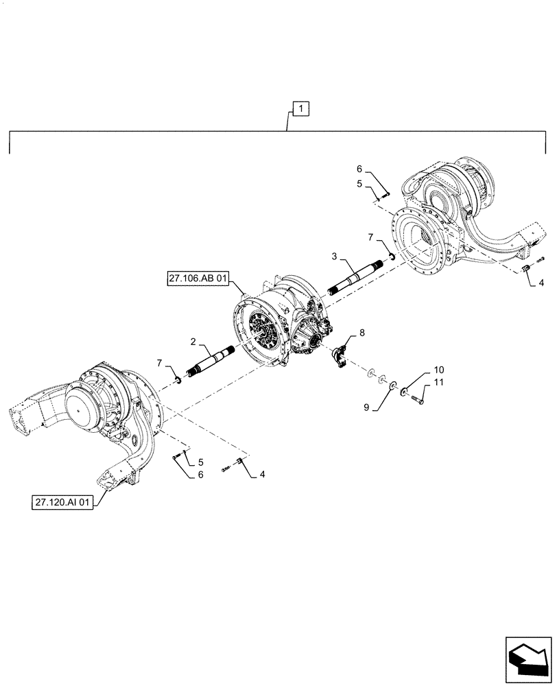
Запчасти Case IH QUADTRAC 470 (27.100.AK[02]) - REAR AXLE ASSY (27) - REAR AXLE SYSTEM

Схема запчастей Case IH QUADTRAC 470 - (27.100.AK[02]) - REAR AXLE ASSY (27) - REAR AXLE SYSTEM
7
5
2
4
27.106.ab 01
10
6
4
5
9
1
3
7
6
27.120.ai 01
11
8
FIT
1:1
100%

Артикул

Название

Примечание

Количество

1

84539517

4WD AXLE ASSY

Rear, W/O Diff lock, Incl 2 - 12

1шт.

1

84524011

4WD AXLE ASSY

Rear, W/ Diff Lock, Incl 2 - 12

1шт.

2

84467440

AXLE,570mm L

Shaft, RH

1шт.

3

84467441

AXLE,662mm L

Shaft, LH

1шт.

4

87306552

BRACKET

Axle

2шт.

5

896-12016

WASHER,17.5mm ID x 30mm OD x 4mm Thk

34шт.

6

828-16070

BOLT,Hex, M16 x 2 x 70mm, Cl 10.9

36шт.

7

84557164

O-RING,0.139" Thk x 2.234" ID, -228, Cl 5, 75 Duro

Shaft Seal

2шт.

8

395207A1

YOKE

Axle Drive

1шт.

9

178545A1

SHIM,25mm ID x 60mm OD x 0.076mm Thk

1шт.

9

178546A1

SHIM,25mm ID x 60mm OD x 0.101mm Thk

1шт.

9

178547A1

SHIM,25mm ID x 60mm OD x 0.130mm Thk

1шт.

10

228967A2

WASHER,25mm ID x 78mm OD x 10mm Thk

Plate, Yoke Retainer

1шт.

11

828-24110

BOLT,Hex, M24 x 3 x 110mm, Cl 10.9

1шт.

Выбрано товаров: 14