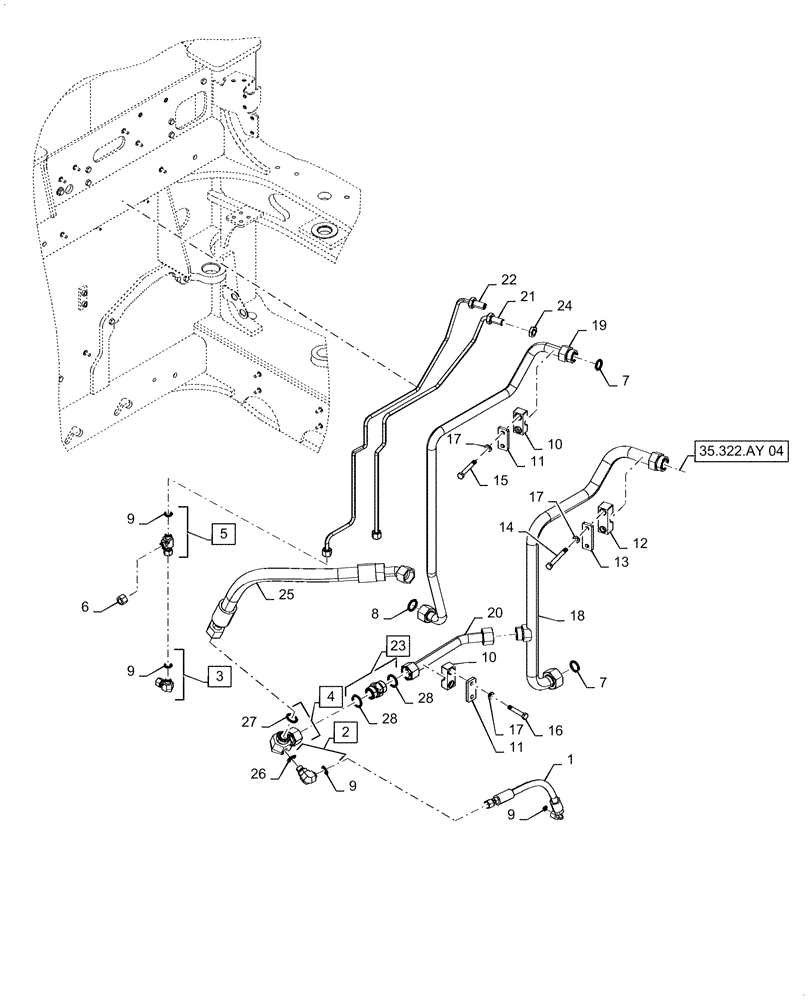
Запчасти Case IH QUADTRAC 470 (35.322.AY[03]) - AUXILIARY CONTROL VALVE LINES, FRONT (35) - HYDRAULIC SYSTEMS

Схема запчастей Case IH QUADTRAC 470 - (35.322.AY[03]) - AUXILIARY CONTROL VALVE LINES, FRONT (35) - HYDRAULIC SYSTEMS
22
16
6
15
11
20
17
5
9
7
14
28
18
21
17
28
24
12
11
3
19
4
35.322.ay 04
9
13
25
10
2
23
17
26
1
9
10
8
9
7
27
FIT
1:1
100%

Артикул

Название

Примечание

Количество

1

84327034

HOSE ASSY.

Pump Load Sense

1шт.

2

700-345

ELBOW,90 Degree Elbow, 11/16" - 16 Male ORFS x M18 x 1.5 Male ORB

Incl 9, 26

1шт.

3

701-319

ELBOW,90° Elbow, 11/16" - 16 Male ORFS x 11/16" - 16 Female ORFS

Incl 9

1шт.

4

311834A1

ELBOW

1-7/16" - 12 ORFS x 1-7/16" - 12 Fem Sw, Incl 27

1шт.

5

701-422

TEE,11/16" - 16 Male ORFS x 11/16" - 16 Male ORFS x 11/16" - 16 Female ORFS

Incl 9

1шт.

6

701-900

CAP,11/16" - 16

1шт.

7

9824051

O-RING,0.07" Thk x 1.176" ID, -25, Cl 6, 90 Duro

2шт.

8

87473574

O-RING,0.07" Thk x 0.926" ID, -21, Cl 6, 90 Duro

3шт.

9

9993141

O-RING,0.07" Thk x 0.364" ID, -12, Cl 6, 90 Duro

7шт.

10

367489A1

BLOCK

Tube Mounting

2шт.

11

367658A1

PLATE

Clamp Cover

2шт.

12

84196601

CLAMP,32mm ID

Tube Mounting

1шт.

13

8500858

PLATE

Clamp Cover

1шт.

14

827-10090

BOLT,Hex, M10 x 1.5 x 90mm, Cl 10.9

2шт.

15

827-10075

BOLT,Hex, M10 x 1.5 x 75mm, Cl 10.9

2шт.

16

827-10060

BOLT,Hex, M10 x 1.5 x 60mm, Cl 10.9

2шт.

17

895-11010

WASHER,11mm ID x 20mm OD x 2mm Thk

6шт.

18

84193091

HYD TUBE

Auxiliary Valve Return

1шт.

19

84193093

HYD TUBE

Auxiliary Valve Supply

1шт.

20

84193095

HYD TUBE

Auxiliary Valve Overflow

1шт.

21

84193126

HYD TUBE

Auxiliary Valve Load Sense

1шт.

22

84193128

HYD TUBE

Auxiliary Valve Pilot Pressure

1шт.

23

84194878

CHECK VALVE

150 PSI, Incl 28

1шт.

24

701-909

NUT,11/16" - 16

2шт.

25

84378988

HOSE ASSY.,25.4mm ID x 851mm L, SAE 100R1

Auxiliary Return To Tank

1шт.

26

86598101

O-RING,2.2mm Thk x 15.3mm ID, Cl 6, 90 Duro

1шт.

27

9824050

O-RING,0.07" Thk x 0.926" ID, -21, Cl 6, 90 Duro

1шт.

28

9992069

O-RING,0.07" Thk x 0.614" ID, -16, Cl 6, 90 Duro

2шт.

Выбрано товаров: 0