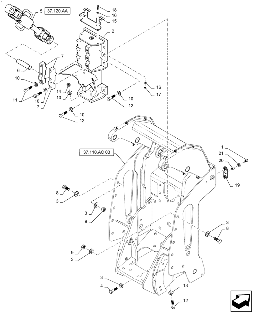
Запчасти Case IH QUADTRAC 470 (37.110.AC[01]) - 3 POINT HITCH MOUNTING, W/O PTO (37) - HITCHES, DRAWBARS & IMPLEMENT COUPLINGS

Схема запчастей Case IH QUADTRAC 470 - (37.110.AC[01]) - 3 POINT HITCH MOUNTING, W/O PTO (37) - HITCHES, DRAWBARS & IMPLEMENT COUPLINGS
12
13
18
15
10
9
3
12
16
19
12
8
11
20
17
21
1
7
4
3
3
14
10
3
3
2
5
37.110.ac 03
6
37.120.aa
8
10
16
7
10
9
10
FIT
1:1
100%

Артикул

Название

Примечание

Количество

1

627-16025

BOLT,Hex, M16 x 2 x 25mm, Cl 10.9, Full Thd

2шт.

2

84261715

MOUNT

Upper Link, W/O PTO

1шт.

3

896-11024

WASHER,26mm ID x 44mm OD x 5mm Thk

28шт.

4

827-24110

BOLT,Hex, M24 x 3 x 110mm, Cl 10.9

4шт.

5

84192702

LIFT LINK

Upper

1шт.

6

309663A1

PIN

Upper Link, 184mm Long

1шт.

7

403737A1

CLAMP

Pin Mount

2шт.

8

627-24060

BOLT,Hex, M24 x 3 x 60mm, Cl 10.9, Full Thd

12шт.

9

829-1424

NUT,M24, Cl 10

12шт.

10

896-11020

WASHER,22mm ID x 37mm OD x 4mm Thk

16шт.

11

827-20080

BOLT,Hex, M20 x 2.5 x 80mm, Cl 10.9

6шт.

12

827-20090

BOLT,Hex, M20 x 2.5 x 90mm, Cl 10.9

10шт.

13

896-15020

WASHER,22mm ID x 44mm OD x 5mm Thk

2шт.

14

829-1420

NUT,M20, Cl 10

2шт.

15

84276288

BRACKET

Optional PTO

1шт.

16

895-11010

WASHER,11mm ID x 20mm OD x 2mm Thk

4шт.

17

829-1410

NUT,M10 x 1.5, Cl 10.9

2шт.

18

627-10035

BOLT,Hex, M10 x 1.5 x 35mm, Cl 10.9, Full Thd

2шт.

19

259389A1

PLATE

Upper Link Mounting

2шт.

20

70-5967T1

SPACER,16.7mm ID x 22.2mm OD x 11.2mm

2шт.

21

896-11016

WASHER,17.5mm ID x 30mm OD x 4mm Thk

2шт.

Выбрано товаров: 21