Запчасти Case IH QUADTRAC 470 (90.151.AP) - ARMREST (90) - PLATFORM, CAB, BODYWORK AND DECALS

Схема запчастей Case IH QUADTRAC 470 - (90.151.AP) - ARMREST (90) - PLATFORM, CAB, BODYWORK AND DECALS
25
37
15
7
29
23
10
9
16
36
18
12
35
40
17
19
3
43
31
30
27
22
11
24
4
33
21
23
1
26
42
32
39
28
13
8
6
2
14
20
5
41
38
55.512.cs
34
FIT
1:1
100%

Артикул

Название

Примечание

Количество

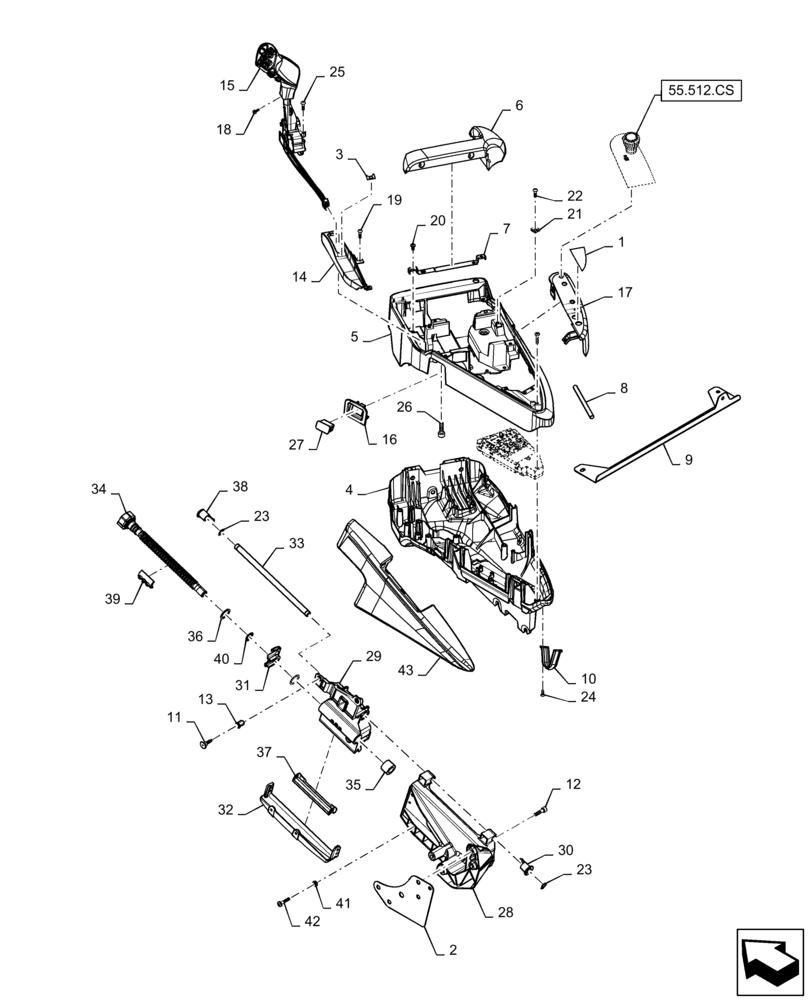
1

87486100

DECAL

W/O PTO

1шт.

2

47510386

BRACKET

RH Armrest Support

1шт.

3

84145169

DECAL

Tortoise, FPS

1шт.

4

47510303

SHELL

Lower

1шт.

5

84150708

SHELL

Upper

1шт.

6

84202333

SUPPORT

Wrist

1шт.

7

84226106

BRACKET

EHR Switch Base

1шт.

8

84204558

HINGE

Armrest Assembly

1шт.

9

47500325

BRACKET

Harness Support

1шт.

10

87579853

RETAINER,14.9mm W x 56.7mm L

RH Armrest Harness

1шт.

11

47510297

HEX SOC SCREW,M6 x 1 x 25mm, Cl 8.8

M6 x 25mm, Class 8.8

4шт.

12

86625221

HEX SOC SCREW,M8 x 30mm, Cl 8.8

4шт.

13

15624411

RIVET,Flat, M6 OD x 16mm L

M6 x 16, Flat Head

4шт.

14

84122981

BEZEL

Throttle, FPS

1шт.

15

47407030

LEVER

Multi-Function Handle

1шт.

16

84150714

BEZEL

Electronic Adjuster Switch

1шт.

17

84216544

HOUSING

PTO Switch

1шт.

18

87564728

SCREW,Phillips Drive, Pan HD, #10 - 16 x 1/2"

3шт.

19

297850A1

SCREW,Cross Pan Hd, M6 x 16

11шт.

20

13276021

SCREW,Pozidriv Pan Hd, M6 x 12mm, Cl 8.8, Full Thd

2шт.

21

84148337

SPRING NUT

4.8

8шт.

22

86900238

SELF-TAP SCREW,Phillips Drive, Pan HD, #10 - 16 x 3/4"

8шт.

23

11066271

RING,Ext, 14mm Dia

14mm

2шт.

24

15902607

SELF-TAP SCREW,Cross Pan Hd, M3.50 x 1.3 x 9.50mm

2шт.

25

13276421

SCREW,Pozidriv Pan Hd, M6 x 20mm, Cl 8.8, Full Thd

4шт.

26

82016959

SCREW,M3.5 x 12mm

1шт.

27

82022763

PLUG

Electronic Adjuster Rocker Switch

1шт.

28

47360983

SLIDE

Fixed

1шт.

29

47360984

SLIDE

Moblie

1шт.

30

84146834

BUSHING,14.3mm ID x 20.36mm OD x 43.3mm L

Rear

1шт.

31

84146837

SPACER,18mm ID x 29mm OD

Front

1шт.

32

84236407

SUPPORT

Pillow

1шт.

33

84146847

SHAFT,14mm OD x 280mm L

Guide

1шт.

34

84163864

ADJUSTMENT SCREW,309 mm L

1шт.

35

84206874

SPACER,18.2mm ID x 30mm OD x 19.5mm L

Rear

1шт.

36

84146848

FRICTION WASHER,24.4mm ID x 32mm OD x 1.7mm Thk

Plate

2шт.

37

84236392

SLIDE GUIDE

Adjuster

1шт.

38

84146826

BUSHING,14.3mm ID x 20.36mm OD x 40.3mm L

Front

1шт.

39

84146843

HALF-BUSHING,48mm L

Adjuster

1шт.

40

81865873

CLIP,19.40mm D

22mm

1шт.

41

895-11006

WASHER,6.6mm ID x 12mm OD x 1.6mm Thk

6шт.

42

86531615

HEX SOC SCREW,M6 x 20mm, Cl 8.8

6шт.

43

87495096

CUSHION

Armrest

1шт.

Выбрано товаров: 43