Запчасти Case IH QUADTRAC 470 (35.220.AD[05]) - MEGA FLOW HYDRAULIC PUMP LUBE LINES, PS4, 8.5C, 470, 500 AG VERSION, 540 AG VERSION, ASN ZFF308001 (35) - HYDRAULIC SYSTEMS

Схема запчастей Case IH QUADTRAC 470 - (35.220.AD[05]) - MEGA FLOW HYDRAULIC PUMP LUBE LINES, PS4, 8.5C, 470, 500 AG VERSION, 540 AG VERSION, ASN ZFF308001 (35) - HYDRAULIC SYSTEMS
10
5
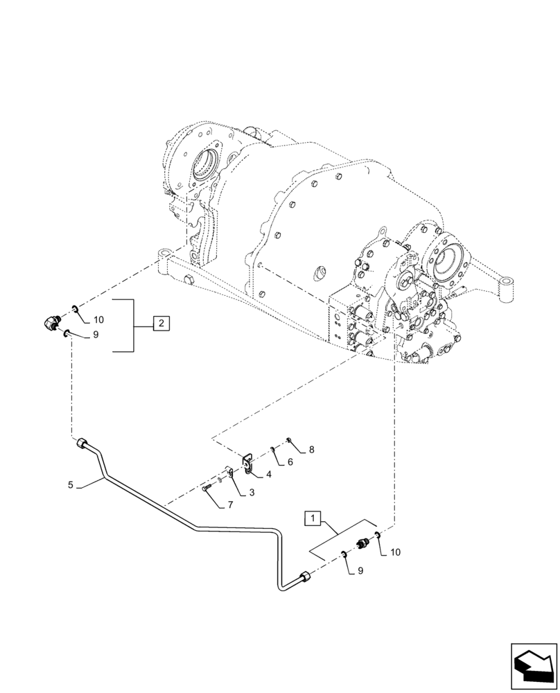
1
2
4
6
9
9
3
8
10
7
FIT
1:1
100%

Артикул

Название

Примечание

Количество

1

700-305

ELBOW,90 Degree Elbow, 13/16" - 16 Male ORFS x M18 x 1.5 Male ORB

Incl 10 - 11

1шт.

2

86579689

ELBOW,90 Degree, 13/16" - 16 ORFS x M14 x 1.5 ORB

Incl 10 - 11

1шт.

3

515-2395

CLAMP,3/8", Insul, 3/8" Bolt

1шт.

4

515-23127

CLAMP,1/2", Insul, 3/8" Bolt

1шт.

5

84283861

BRACKET

Pump Drive Lube

1шт.

6

47489286

HYD TUBE

Pump Drive Tube

2шт.

7

895-11008

WASHER,9mm ID x 16mm OD x 1.6mm Thk

1шт.

8

627-8025

BOLT,Hex, M8 x 1.25 x 25mm, Cl 10.9, Full Thd

1шт.

9

829-1408

NUT,Hex, M8 x 1.25, Cl 10.9

2шт.

10

86598101

O-RING,2.2mm Thk x 15.3mm ID, Cl 6, 90 Duro

2шт.

11

9992298

O-RING,0.07" Thk x 0.489" ID, -14, Cl 6, 90 Duro

2шт.

Выбрано товаров: 11