Запчасти Case IH QUADTRAC 500 (21.300.03[01]) - DRIVESHAFT MOUNTING - 500 SERIES AXLE WITH 8.5C OR 9C TRANSMISSION - STEIGER 500, 550 & QUADTRAC 500, 550 (21) - TRANSMISSION

Схема запчастей Case IH QUADTRAC 500 - (21.300.03[01]) - DRIVESHAFT MOUNTING - 500 SERIES AXLE WITH 8.5C OR 9C TRANSMISSION - STEIGER 500, 550 & QUADTRAC 500, 550 (21) - TRANSMISSION
21.113.03
12
6
3
2
8
14
7
16
4
1
10
11
5
15
9
13
home
10
21.300.03 02
21.300.03 02
21.300.03 02
21.300.03 02
21.113.05
21.113.06
21.113.02
FIT
1:1
100%

Артикул

Название

Примечание

Количество

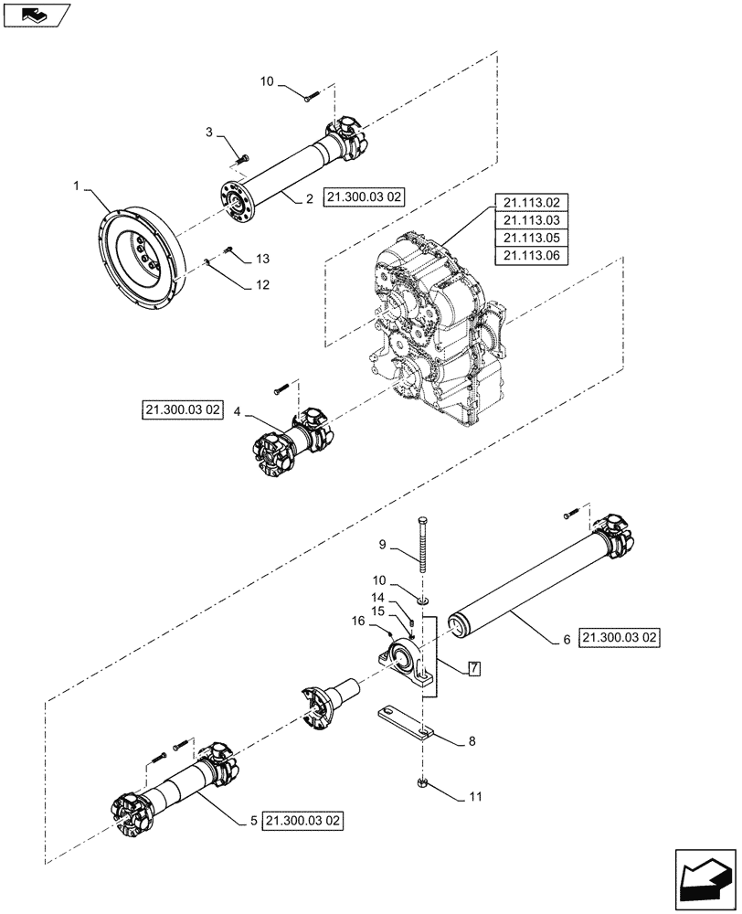
1

84414172

DAMPER

Torsional

1шт.

2

84227985

DRIVE SHAFT

Driveshaft, Engine

1шт.

3

827-12060

BOLT,Hex, M12 x 1.75 x 60mm, Cl 10.9

28шт.

4

87756415

DRIVEN SHAFT

Front Axle

1шт.

5

87756416

ARTICULATED SHAFT

8.5C or 9C

1шт.

6

402193A1

DRIVE SHAFT

Rear Axle

1шт.

7

87385925

BEARING CARRIER,68.26mm ID

Pillow Block, Incl 14 - 16

1шт.

8

406056A1

SPACER

Pillow Block

1шт.

9

827-20250

BOLT,Hex, M20 x 2.5 x 250mm, Cl 10.9

2шт.

10

896-15020

WASHER,22mm ID x 44mm OD x 5mm Thk

2шт.

11

829-1420

NUT,M20, Cl 10

2шт.

12

86625244

WASHER,0.47" ID x 1" OD x 0.1" Thk

0.469X1X0.105 HTS ZND HDN

12шт.

13

47379836

12 PT SCREW

12 PT SCREW (Replaces 80-1716 This Application)

12шт.

14

84-63812

SET SCREW,Hex Soc, 3/8"-24 x 3/4"

1шт.

15

425-146

JAM NUT,3/8" - 16, Gr 5

1шт.

16

219-1

LUBE NIPPLE,1/8" - 27 NPTF

1шт.

Выбрано товаров: 16