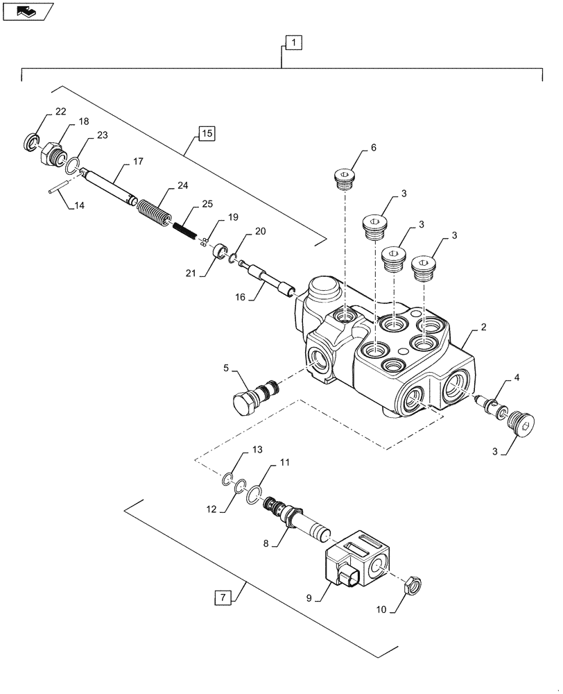
Запчасти Case IH QUADTRAC 500 (33.110.09) - PARK BRAKE - VALVE COMPONENTS, TOW/PARK BRAKE (EUROPE) (33) - BRAKES & CONTROLS

Схема запчастей Case IH QUADTRAC 500 - (33.110.09) - PARK BRAKE - VALVE COMPONENTS, TOW/PARK BRAKE (EUROPE) (33) - BRAKES & CONTROLS
9
12
17
1
20
18
11
4
23
3
21
25
3
22
3
6
5
7
16
home
14
24
13
15
2
8
3
19
10
FIT
1:1
100%

Артикул

Название

Примечание

Количество

1

450061A1

VALVE

Assembly, European Park Brake, Incl 2 - 26

1шт.

2

NSS

NOT SOLD SEPARAT

Body, PTO Valve, Incl in 1

1шт.

3

221578A1

PLUG,M18 x 1.5 ORB

4шт.

4

295920A1

PIN

Reducing, Park Brake

1шт.

5

315514A1

PLUG

Solenoid

1шт.

6

221576A1

PLUG,Hex Soc, M14 x 1.5, ORB

1шт.

7

349295A1

SOLENOID VALVE

2GPM, Incl 8 - 13

1шт.

8

349291A1

CARTRIDGE

Valve

1шт.

9

298614A1

SOLENOID

Coil

1шт.

10

349292A1

JAM NUT,Hex, 1/2" - 2, RH Thd

Jam

1шт.

11

237-6008

O-RING,0.087" Thk x 0.644" ID, -908, Cl 6, 90 Duro

1шт.

12

238-5014

O-RING,0.07" Thk x 0.489" ID, -14, Cl 5, 75 Duro

1шт.

13

238-5013

O-RING,0.07" Thk x 0.426" ID, -13, Cl 5, 75 Duro

1шт.

14

838-3540

PIN,M5 x 40, Coiled

1шт.

15

314877A2

SPOOL

Assembly, European Park Brake, Incl 14, 16 - 25

1шт.

16

NSS

NOT SOLD SEPARAT

Spool, Metering, Incl in 15

1шт.

17

NSS

NOT SOLD SEPARAT

Rod, Feathering, Incl in 15

1шт.

18

277821A1

RETAINER

Spool Seal

1шт.

19

511-1040

BALL,4mm Dia

4шт.

20

277822A1

RING

Return Spring Retaining

1шт.

21

277820A1

WASHER

Return Spring Retaining

1шт.

22

A37558

SEAL,14.27mm ID x 28.7mm OD x 6.73mm Thk

Oil-Sensing

1шт.

23

637-64236

O-RING,2.9mm Thk x 23.6mm ID, Cl 6, 90 Duro

1шт.

24

NSS

NOT SOLD SEPARAT

Spring, Return Park Brake, Incl in 15

1шт.

25

NSS

NOT SOLD SEPARAT

Spring, Park Brake Feathering, Incl in 15

1шт.

26

838-3540

PIN,M5 x 40, Coiled

1шт.

Выбрано товаров: 26