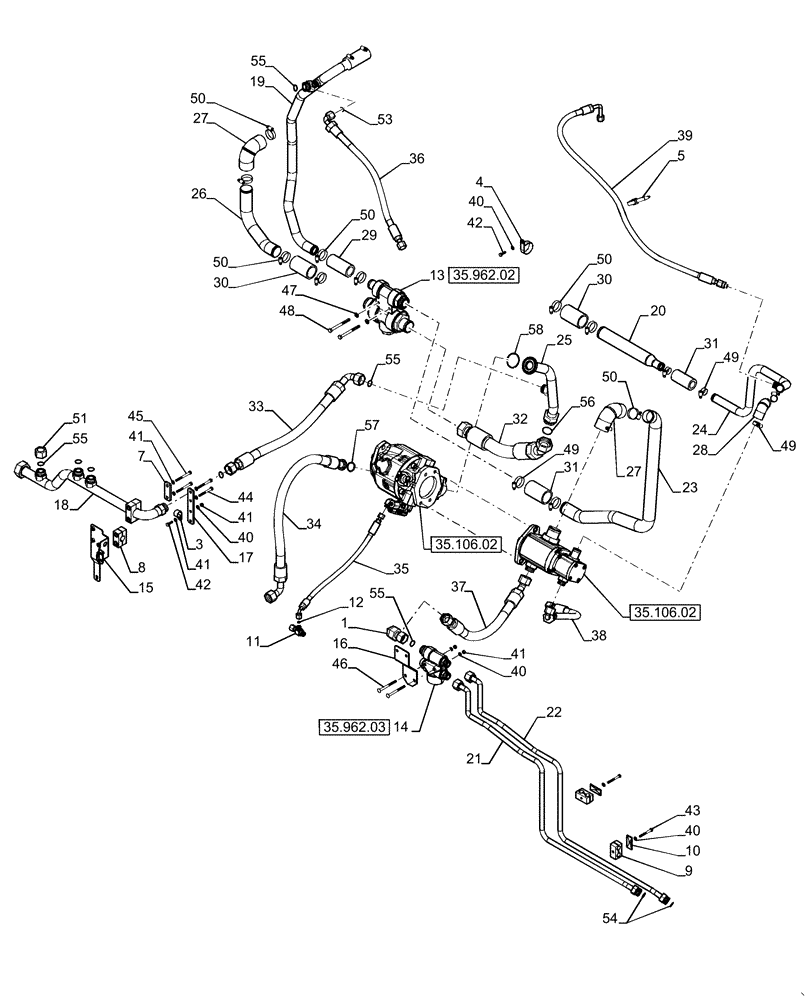
Запчасти Case IH QUADTRAC 500 (35.300.09) - STANDARD HYDRAULICS - PUMP LUBRICATION CIRCUIT (35) - HYDRAULIC SYSTEMS

Схема запчастей Case IH QUADTRAC 500 - (35.300.09) - STANDARD HYDRAULICS - PUMP LUBRICATION CIRCUIT (35) - HYDRAULIC SYSTEMS
35.962.03
39
13
5
32
10
56
28
23
55
48
34
9
50
8
3
40
35
49
46
31
1
18
41
7
50
44
11
37
21
50
54
49
27
55
41
58
36
19
20
53
50
15
40
55
49
40
41
30
43
29
4
24
55
38
22
26
31
25
45
40
17
16
27
47
41
42
12
33
50
51
30
42
57
14
35.106.02
35.106.02
35.962.02
FIT
1:1
100%

Артикул

Название

Примечание

Количество

1

701-339

ELBOW,90 Degree Elbow, 1-7/16" - 12 Male ORFS x 1-7/16" - 16 Female ORFS

Incl 2

1шт.

2

238-6021

O-RING,15/16 X 1 - 1/16, Cl 6

1шт.

3

515-23254

CLAMP,1", Insul, 3/8" Bolt

1шт.

4

515-23508

CLAMP,2", Insul, 3/8" Bolt

1шт.

5

327144A1

STRAP,328mm L

Dual Tie

1шт.

6

8500621

BLOCK

Tube Mounting

1шт.

7

8500858

PLATE

Clamp Cover

1шт.

8

367489A1

BLOCK

Tube Mounting

1шт.

9

50-2551T1

CLAMP

Tube

4шт.

10

50-2533T1

PLATE

Cover

2шт.

11

300209A1

VALVE

Shuttle, Incl 12

1шт.

12

238-6012

O-RING,0.07" Thk x 0.364" ID, -12, Cl 6, 90 Duro

1шт.

13

84197046

VALVE

Charge Relief

1шт.

14

84194708

VALVE BODY

Cooler Bypass

1шт.

15

84204781

BRACKET, SUPPORTING

Tube Support

1шт.

16

84204598

BRACKET

Manifold

1шт.

17

84180104

PLATE

Tube Clamp

1шт.

18

84206769

TUBE

Hydraulic Pump Supply

1шт.

19

84256492

HYD TUBE

Hydraulic Pump Drain

1шт.

20

84206747

TUBE

Axle Lube Supply, Tank

1шт.

21

84293543

HYD TUBE

Hydraulic Oil Return

1шт.

22

84293541

HYD TUBE

Hydraulic Oil Cooler Supply

1шт.

23

84288266

TUBE

Main Charge Suction, PS4 Transmission

1шт.

23

84288271

TUBE

Main Charge Suction, PS6 Transmission

1шт.

24

84288280

TUBE

Axle Lube Suction, PS4 Transmission

1шт.

24

84288285

TUBE

Axle Lube Suction, PS6 Transmission

1шт.

25

84288289

TUBE

Hydraulic Pump Suction, PS4 Transmission

1шт.

25

84288294

TUBE

Hydraulic Pump Suction, PS6 Transmission

1шт.

26

84276100

TUBE

Main Charge Suction

1шт.

27

84180095

HOSE

Elbow, Formed, 2 IN

2шт.

28

84180096

PLASTIC-RUBBER TUBE

Elbow, Formed, 1-1/4 IN

1шт.

29

1-4571

HOSE

1.50" ID x 4.50" OAL

2шт.

30

427140A1

HOSE,50.80 mm ID x 101.60 mm

3шт.

31

31-2594

HOSE,1.25" ID x 4.00"

1шт.

32

84288310

HOSE ASSY.

Hydraulic Pump Supply, PS4 Transmission

1шт.

32

84223550

HYDRAULIC HOSE

Hydraulic Pump Supply, PS6 Transmission

1шт.

33

84361531

HOSE ASSY.,25.4mm ID x 768mm L, SAE 100R1

Hydraulic Suction, PS4 Transmission

1шт.

33

84361532

HOSE ASSY.,25.4mm ID x 888mm L, SAE 100R1

Hydraulic Suction, PS6 Transmission

1шт.

34

84288311

HOSE ASSY.,25.4mm ID x 927mm L, SAE 100R12

Main Pump Pressure, PS4 Transmission

1шт.

34

84288312

HOSE ASSY.,25.4mm ID x 965mm L, SAE 100R12

Main Pump Pressure, PS6 Transmission

1шт.

35

84288308

HOSE ASSY.,9.53mm ID x 648mm L, SAE 100R17

Hydraulic Pump LS, PS4 Transmission

1шт.

35

84223557

HYDRAULIC HOSE

Hydraulic Pump LS, PS6 Transmission

1шт.

36

84244536

HOSE ASSY.

Case Drain, PS4 Transmission

1шт.

36

84223556

HYDRAULIC HOSE,15.88mm ID x 590mm L, SAE 100R1

Case Drain, PS6 Transmission

1шт.

37

84288306

HOSE ASSY.,25.4mm ID x 622mm L, SAE 100R1

Main Charge Pressure, PS4 Transmission

1шт.

37

84222938

HYDRAULIC HOSE,25.4mm ID x 714mm L, SAE 100R1

Main Charge Pressure, PS6 Transmission

1шт.

38

84288299

HOSE ASSY.,15.88mm ID x 635mm L, SAE 100R1

Axle Lube Pressure, PS4 Transmission

1шт.

38

84363273

HOSE ASSY.,15.88mm ID x 673mm L, SAE 100R1

Axle Lube Pressure, PS6 Transmission

1шт.

39

84275975

HOSE ASSY.,12.7mm ID x 1397mm L, SAE 100R1

Axle Lube Air Supply, PS4 Transmission

1шт.

39

84288303

HOSE ASSY.,12.7mm ID x 1283mm L, SAE 100R1

Axle Lube Air Supply, PS6 Transmission

1шт.

40

895-11008

WASHER,9mm ID x 16mm OD x 1.6mm Thk

16шт.

41

829-1408

NUT,Hex, M8 x 1.25, Cl 10.9

8шт.

42

627-8025

BOLT,Hex, M8 x 1.25 x 25mm, Cl 10.9, Full Thd

2шт.

43

827-8065

BOLT,Hex, M8 x 1.25 x 65mm, Cl 10.9

2шт.

44

827-8070

BOLT,Hex, M8 x 1.25 x 70mm, Cl 10.9

2шт.

45

827-8080

BOLT,Hex, M8 x 1.25 x 80mm, Cl 10.9

2шт.

46

9811147

CARRIAGE BOLT,Sq Nk, M8 x 100mm, Cl 8.8

RDH SQNK M8X100 8.8 ZND

2шт.

47

895-11010

WASHER,11mm ID x 20mm OD x 2mm Thk

2шт.

48

827-10110

BOLT,Hex, M10 x 1.5 x 110mm, Cl 10.9

2шт.

49

214-1524

HOSE CLAMP,#24, 1.06" - 2", Type F Worm, W/ Liner

2шт.

50

214-1536

HOSE CLAMP,#36, 1.81" - 2.75", Type F Worm, W/ Liner

16шт.

51

701-901

CAP,1-7/16" - 12

1шт.

52

238-6014

O-RING,0.07" Thk x 0.489" ID, -14, Cl 6, 90 Duro

1шт.

53

238-6016

O-RING,0.07" Thk x 0.614" ID, -16, Cl 6, 90 Duro

1шт.

54

238-6018

O-RING,0.07" Thk x 0.739" ID, -18, Cl 6, 90 Duro

2шт.

55

238-6021

O-RING,15/16 X 1 - 1/16, Cl 6

6шт.

56

238-6029

O-RING,0.07" Thk x 1.489" ID, -29, Cl 6, 90 Duro

1шт.

57

238-6219

O-RING,0.139" Thk x 1.296" ID, -219, Cl 6, 90 Duro

1шт.

58

238-6228

O-RING,0.139" Thk x 2.234" ID, -228, Cl 6, 90 Duro

1шт.

59

214-1520

HOSE CLAMP,#20, 0.81" - 1.75", Type F Worm, W/ Liner

2шт.

60

214-1528

HOSE CLAMP,#28, 1.31" - 2.25", Type F Worm, W/ Liner

4шт.

Выбрано товаров: 71