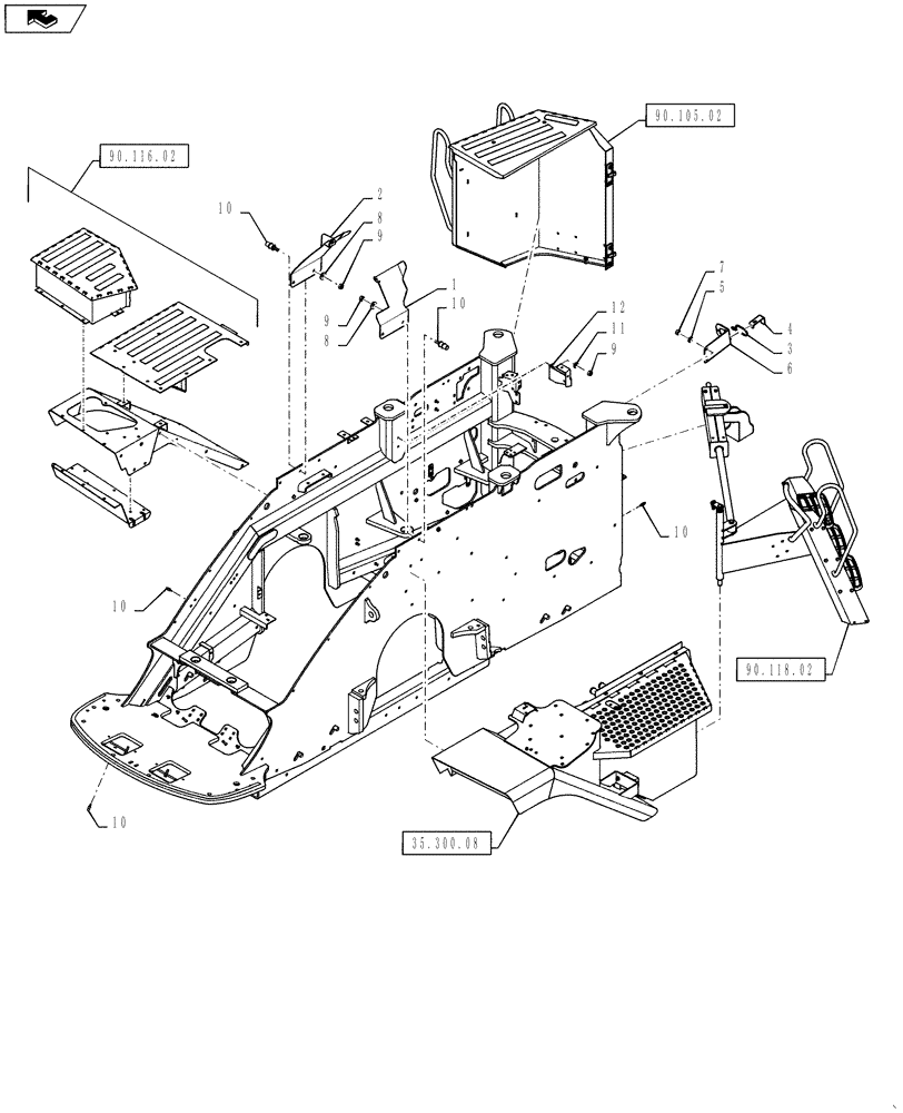
Запчасти Case IH QUADTRAC 500 (39.100.03) - FRONT FRAME - WITHOUT SUSPENDED CAB - QUADTRAC (39) - FRAMES AND BALLASTING

Схема запчастей Case IH QUADTRAC 500 - (39.100.03) - FRONT FRAME - WITHOUT SUSPENDED CAB - QUADTRAC (39) - FRAMES AND BALLASTING
10
90.105.02
90.116.02
35.300.08
90.118.02
4
8
10
8
10
6
12
9
9
2
5
11
10
7
10
1
9
home
3
FIT
1:1
100%

Артикул

Название

Примечание

Количество

1

84376410

FAN BOTTOM SHIELD

LH Side

1шт.

2

84376411

FAN BOTTOM SHIELD

RH Side

1шт.

3

L18331

CABLE TIE,375.9mm L, Nylon, Black

CABLE STRAP

1шт.

4

84360092

BRACKET, SUPPORTING

DEF LH Fill Lock

1шт.

5

895-15010

WASHER,11mm ID x 24mm OD x 2mm Thk

2шт.

6

84366922

BRACKET, SUPPORTING

DEF Fill

1шт.

7

829-1410

NUT,M10 x 1.5, Cl 10.9

5шт.

8

896-15008

WASHER,9mm ID x 21mm OD x 2.5mm Thk

2шт.

9

829-1408

NUT,Hex, M8 x 1.25, Cl 10.9

4шт.

10

426285A1

STUD

Threaded Captive

33шт.

11

896-11008

WASHER,9mm ID x 17mm OD x 2mm Thk

2шт.

12

84356265

BRACKET, SUPPORTING

Routing Support

1шт.

Выбрано товаров: 12