Запчасти Case IH QUADTRAC 500 (10.000.00) - SECTION INDEX - ENGINE (10) - ENGINE

Схема запчастей Case IH QUADTRAC 500 - (10.000.00) - SECTION INDEX - ENGINE (10) - ENGINE
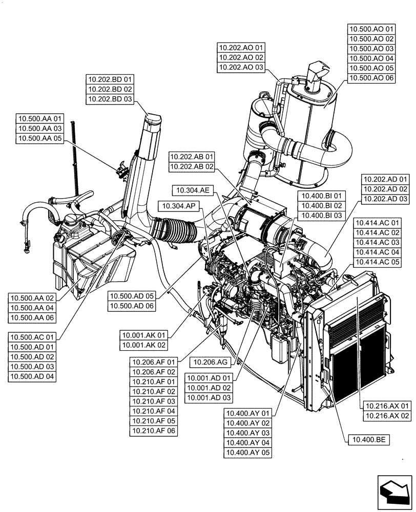
10.202.bd 01
10.500.aa 06
10.500.aa 05
10.414.ac 01
10.400.ay 03
10.500.ad 06
10.414.ac 03
10.414.ac 02
10.500.ad 05
10.001.ad 03
10.001.ad 01
10.202.ao 03
10.001.ad 02
10.500.ad 04
10.500.ao 04
10.202.ad 01
10.500.aa 03
10.500.aa 04
10.400.ay 02
10.500.aa 01
10.304.ap
10.210.af 06
10.202.ad 03
10.001.ak 01
10.400.bi 01
10.500.ad 02
10.500.ad 01
10.202.bd 03
10.500.ao 03
10.210.af 01
10.206.af 02
10.202.bd 02
10.210.af 05
10.500.ad 03
10.202.ab 01
10.001.ak 02
10.202.ab 02
10.202.ao 01
10.500.ac 01
10.202.ao 02
10.400.bi 02
10.210.af 03
10.210.af 02
10.202.ad 02
10.500.ao 05
10.216.ax 01
10.400.bi 03
10.400.ay 04
10.500.ao 02
10.500.aa 02
10.400.be
10.400.ay 01
10.400.ay 05
10.414.ac 05
10.210.af 04
10.206.ag
10.304.ae
10.206.af 01
10.500.ao 06
10.500.ao 01
10.414.ac 04
10.216.ax 02
FIT
1:1
100%