Запчасти Case IH QUADTRAC 500 (31.104.AV) - PTO ASSY OIL LINES (31) - IMPLEMENT POWER TAKE OFF

Схема запчастей Case IH QUADTRAC 500 - (31.104.AV) - PTO ASSY OIL LINES (31) - IMPLEMENT POWER TAKE OFF
8
9
13
10
2
11
1
11
5
12
4
6
7
3
11
13
FIT
1:1
100%

Артикул

Название

Примечание

Количество

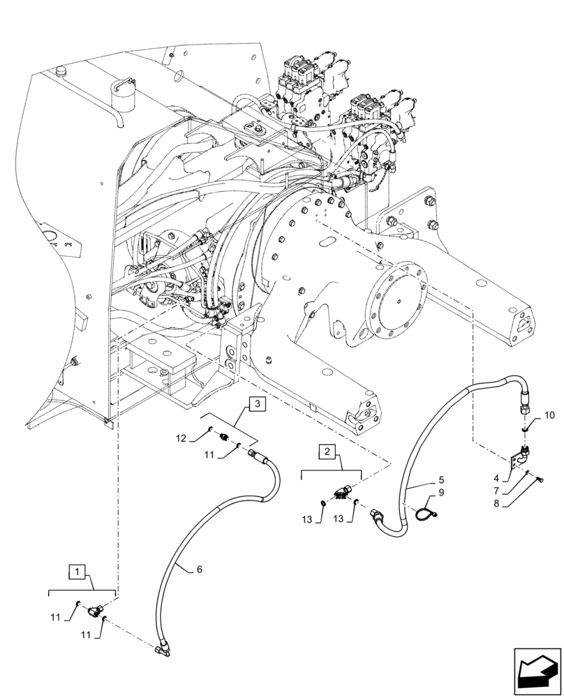
1

701-411

TEE,13/16" - 16 Male ORFS x 13/16" - 16 Male ORFS x 13/16" - 16 Female ORFS

Incl 11

1шт.

2

701-433

TEE,1" - 14 Male ORFS x 1" - 14 Male ORFS x 1" - 14 Female ORFS

Incl 13

1шт.

3

84199773

FITTING

13/16"-16 ORFS x M18x1.5, Incl 11 - 12

1шт.

4

86992408

FITTING

PTO Drop Box Adapter

1шт.

5

84214140

HOSE ASSY.

PTO Lube Return, PTO Gearbox to Rear Axle

1шт.

6

84212099

HOSE ASSY.

PTO Lube Supply, Rear Axle to PTO Gearbox

1шт.

7

895-11010

WASHER,11mm ID x 20mm OD x 2mm Thk

4шт.

8

627-10025

BOLT,Hex, M10 x 1.5 x 25mm, Cl 10.9, Full Thd

4шт.

9

L18331

CABLE TIE,375.9mm L, Nylon, Black

15"

1шт.

10

238-6018

O-RING,0.07" Thk x 0.739" ID, -18, Cl 6, 90 Duro

1шт.

11

9992298

O-RING,0.07" Thk x 0.489" ID, -14, Cl 6, 90 Duro

3шт.

12

86598101

O-RING,2.2mm Thk x 15.3mm ID, Cl 6, 90 Duro

1шт.

13

9992069

O-RING,0.07" Thk x 0.614" ID, -16, Cl 6, 90 Duro

2шт.

Выбрано товаров: 13