Запчасти Case IH QUADTRAC 500 (35.220.AD[01]) - MEGA FLOW HYDRAULIC PUMP LUBE LINES, PS4, 8.5C, 470, 500 AG VERSION, 540 AG VERSION, BSN ZFF308000 (35) - HYDRAULIC SYSTEMS

Схема запчастей Case IH QUADTRAC 500 - (35.220.AD[01]) - MEGA FLOW HYDRAULIC PUMP LUBE LINES, PS4, 8.5C, 470, 500 AG VERSION, 540 AG VERSION, BSN ZFF308000 (35) - HYDRAULIC SYSTEMS
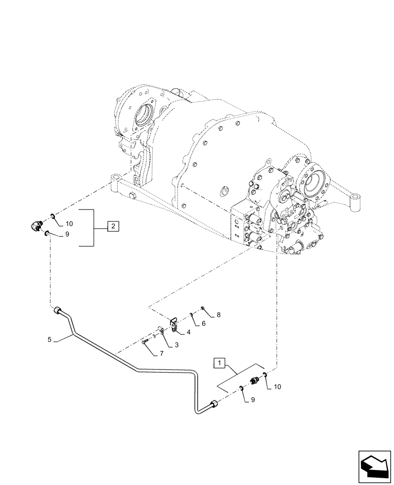
2
3
9
9
7
10
1
4
8
10
5
6
FIT
1:1
100%

Артикул

Название

Примечание

Количество

1

700-102

HYD CONNECTOR,13/16" - 16 Male ORFS x M18 x 1.5 Male ORB

Incl 9 - 10

1шт.

2

700-305

ELBOW,90 Degree Elbow, 13/16" - 16 Male ORFS x M18 x 1.5 Male ORB

Incl 9 - 10

1шт.

3

515-23127

CLAMP,1/2", Insul, 3/8" Bolt

1шт.

4

84283861

BRACKET

Pump Drive Tube

1шт.

5

84283540

HYD TUBE

Pump Drive Lube

1шт.

6

895-11008

WASHER,9mm ID x 16mm OD x 1.6mm Thk

2шт.

7

627-8025

BOLT,Hex, M8 x 1.25 x 25mm, Cl 10.9, Full Thd

1шт.

8

829-1408

NUT,Hex, M8 x 1.25, Cl 10.9

1шт.

9

9992298

O-RING,0.07" Thk x 0.489" ID, -14, Cl 6, 90 Duro

2шт.

10

86598101

O-RING,2.2mm Thk x 15.3mm ID, Cl 6, 90 Duro

2шт.

Выбрано товаров: 10