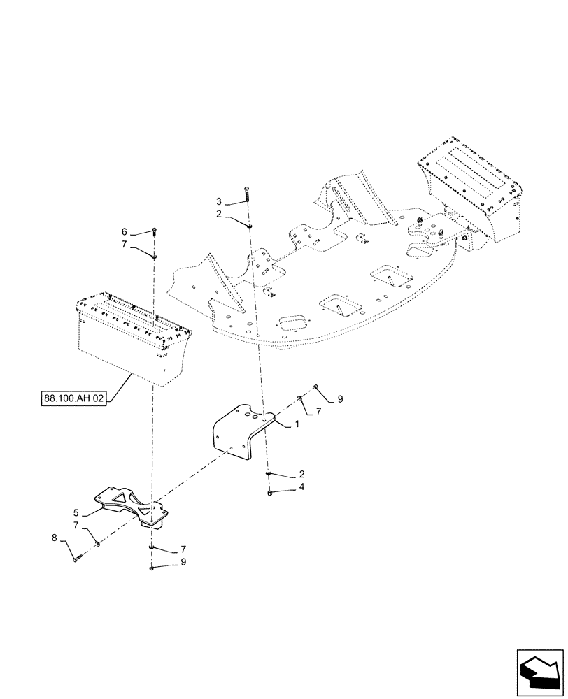
Запчасти Case IH QUADTRAC 500 (88.100.AH[01]) - TOOL BOX MOUNTING (88) - ACCESSORIES

Схема запчастей Case IH QUADTRAC 500 - (88.100.AH[01]) - TOOL BOX MOUNTING (88) - ACCESSORIES
9
2
2
6
4
8
7
5
7
1
9
88.100.ah 02
7
7
3
FIT
1:1
100%

Артикул

Название

Примечание

Количество

1

84187145

BRACKET

Tool Box

2шт.

2

896-11012

WASHER,13.5mm ID x 24mm OD x 3mm Thk

8шт.

3

827-12070

BOLT,Hex, M12 x 1.75 x 70mm, Cl 10.9

4шт.

4

832-10412

NUT,M12 x 1.75, Cl 8

4шт.

5

84187148

BRACKET

Tool Box

2шт.

6

627-10035

BOLT,Hex, M10 x 1.5 x 35mm, Cl 10.9, Full Thd

8шт.

7

896-15010

WASHER,11mm ID x 24mm OD x 3mm Thk

28шт.

8

827-10050

BOLT,Hex, M10 x 1.5 x 50mm, Cl 10.9

6шт.

9

832-10410

NUT,M10 x 1.5, Cl 8

14шт.

Выбрано товаров: 9