Запчасти Case IH QUADTRAC 500 (10.210.AF[06]) - FUEL PUMP, 470, 500 (10) - ENGINE

Схема запчастей Case IH QUADTRAC 500 - (10.210.AF[06]) - FUEL PUMP, 470, 500 (10) - ENGINE
9
1
5
13
12
7
8
4
10
16
11
8
14
9
8
13
2
2
10
11
6
10.210.af 03
3
15
FIT
1:1
100%

Артикул

Название

Примечание

Количество

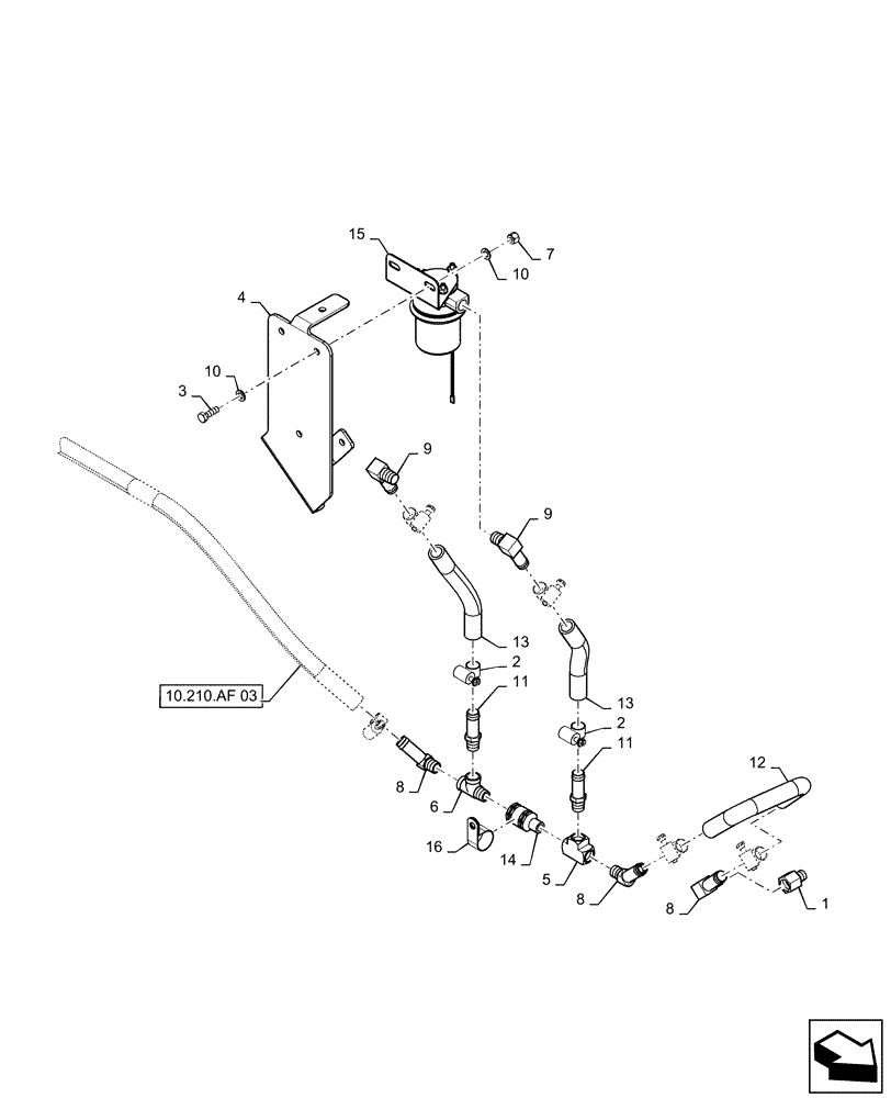
1

86990398

FITTING

M16 x 1.5 x 3/8"- 18

1шт.

2

214-1510

HOSE CLAMP,#10, 0.56" - 1.06", Type F Worm, W/ Liner

6шт.

3

627-8025

BOLT,Hex, M8 x 1.25 x 25mm, Cl 10.9, Full Thd

3шт.

4

84308825

BRACKET, SUPPORTING

Fuel Pump Support

1шт.

5

217-12

TEE,3/8"-18 NPTF Fem

1шт.

6

217-52

TEE,3/8"-18 NPTF Fem x 3/8"-18 NPTF Male Run

1шт.

7

832-10408

NUT,M8 x 1.25, Cl 8.8

3шт.

8

217-207

FITTING,45 Degree Elbow, 5/8" Hose Barb x 3/8" Male NPTF

45° 5/8" Hose x 3/8" NPTF

2шт.

9

217-332

FITTING,90 Degree Elbow, 5/8" Hose Barb x 3/8" Male NPTF

3шт.

10

895-11008

WASHER,9mm ID x 16mm OD x 1.6mm Thk

24шт.

11

217-376

FITTING,5/8" Hose Barb x 3/8" Male NPTF

1шт.

12

47539547

FUEL HOSE

Formed

1шт.

13

87362717

HOSE,15.9mm ID x 152.4mm L

L=152.4, 5/8"

2шт.

14

87365506

CHECK VALVE

3/8" Male x Female

1шт.

15

87282080

FUEL PUMP,12V, 12A

Fuel Supply

1шт.

16

515-23286

CLAMP,1-1/8", Insul, 3/8" Bolt

1шт.

Выбрано товаров: 16