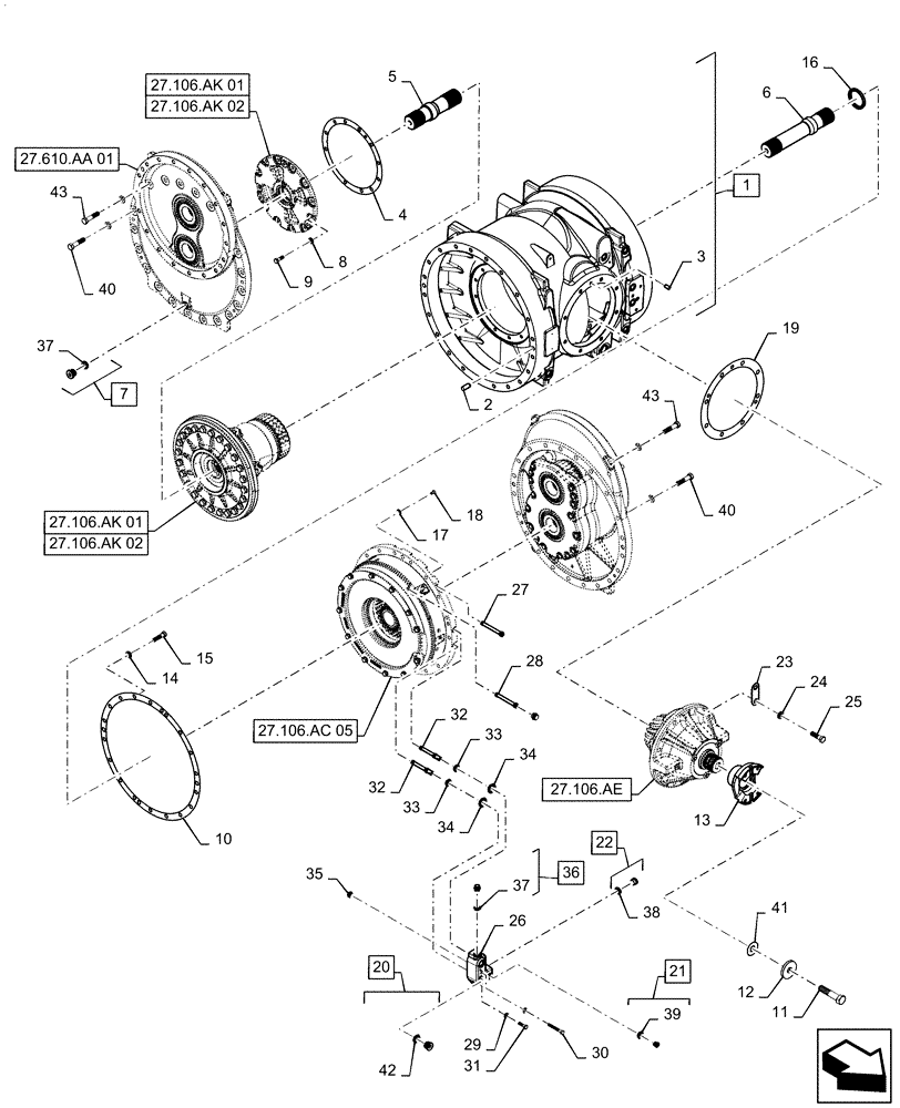
Запчасти Case IH QUADTRAC 540 (27.106.AC[02]) - REAR AXLE CARRIER, 450, 470, 500, 540, AFTER AXLE SN AJB0298120 (27) - REAR AXLE SYSTEM

Схема запчастей Case IH QUADTRAC 540 - (27.106.AC[02]) - REAR AXLE CARRIER, 450, 470, 500, 540, AFTER AXLE SN AJB0298120 (27) - REAR AXLE SYSTEM
24
39
43
3
35
30
29
14
32
15
28
27.106.ak 01
19
6
33
12
27.106.ae
5
40
10
27.106.ak 01
13
22
9
25
2
31
33
18
27
26
34
42
27.610.aa 01
1
21
7
27.106.ac 05
8
27.106.ak 02
4
38
17
43
27.106.ak 02
34
37
11
37
36
32
16
41
20
23
40
FIT
1:1
100%

Артикул

Название

Примечание

Количество

1

47436490

HOUSING

Quadtrac Rear, Center, Incl 2 - 3

1шт.

2

837-16040

DOWEL,M16 x 40

6шт.

3

837-12025

DOWEL,M12 x 25

1шт.

4

47423119

SHIM,290mm ID x 345mm OD x 0.508mm Thk

1шт.

4

47423118

SHIM,290mm ID x 345mm OD x 0.127mm Thk

1шт.

4

47423117

SHIM,290mm ID x 345mm OD x 0.102mm Thk

1шт.

4

47423116

SHIM,290mm ID x 345mm OD x 0.076mm Thk

1шт.

5

279844A2

SHAFT,271mm L

Drive 450 Track, Short

1шт.

6

279843A2

SHAFT,364mm L

Drive 450 Track Long

1шт.

7

221578A1

PLUG,M18 x 1.5 ORB

Incl 37

2шт.

8

896-12012

WASHER,13.5mm ID x 24mm OD x 3mm Thk

12шт.

9

628-12035

BOLT,Hex, M12 x 1.75 x 35mm, Cl 10.9, Full Thd

12шт.

10

279709A1

SHIM,513.5mm ID x 573mm OD x 0.076mm Thk

1шт.

10

279710A1

SHIM,513.5mm ID x 573mm OD x 0.102mm Thk

1шт.

10

279711A1

SHIM,513.5mm ID x 573mm OD x 0.127mm Thk

1шт.

10

279712A1

SHIM,513.5mm ID x 573mm OD x 0.508mm Thk

1шт.

11

828-24110

BOLT,Hex, M24 x 3 x 110mm, Cl 10.9

1шт.

12

228967A2

WASHER,25mm ID x 78mm OD x 10mm Thk

Yoke Retainer

1шт.

13

284185A1

YOKE

8.5C, Fixed, 500 Series Axle

1шт.

14

896-12014

WASHER,15.5mm ID x 28mm OD x 3mm Thk

18шт.

15

828-14055

BOLT,Hex, M14 x 2 x 55mm, Cl 10.9

18шт.

16

139059C1

SEAL,70mm ID x 90mm OD x 8mm Thk

Oil

1шт.

17

95-81100

WASHER,33/64" x 7/8" x .049"

3шт.

18

843-1812

SCREW,Flat, M8 x 12mm, Class 4.8

3шт.

19

279714A4

SHIM,288mm ID x 363mm OD x 0.076mm Thk

1шт.

19

279715A4

SHIM,288mm ID x 363mm OD x 0.102mm Thk

1шт.

19

279716A4

SHIM,288mm ID x 363mm OD x 0.127mm Thk

1шт.

19

279717A4

SHIM,288mm ID x 363mm OD x 0.508mm Thk

1шт.

20

221580A1

PLUG,M27 x 2 ORB

Incl 42

1шт.

21

221576A1

PLUG,Hex Soc, M14 x 1.5, ORB

Incl 39

1шт.

22

218-5211

PLUG,Hex Soc, 7/8"-14 ORB

Incl 38

1шт.

23

84217051

BRACKET

Axle

1шт.

24

896-12016

WASHER,17.5mm ID x 30mm OD x 4mm Thk

50шт.

25

828-16055

BOLT,Hex, M16 x 2 x 55mm, Cl 10.9

8шт.

26

47434754

MANIFOLD

Axle

1шт.

27

298567A1

TUBE,11.85 mm OD, 156 mm Length

1шт.

28

84468365

TUBE

Service Break Tube

1шт.

29

896-12010

WASHER,11mm ID x 21mm OD x 2.5mm Thk

3шт.

30

828-10075

BOLT,Hex, M10 x 1.5 x 75mm, Cl 10.9

1шт.

31

628-10035

BOLT,Hex, M10 x 1.5 x 35mm, Cl 10.9, Full Thd

2шт.

32

86985628

TUBE,7.50mm ID x 11.85mm OD x 117mm L

2шт.

33

47795329

O-RING,0.07" Thk x 0.426" ID, -13, Cl 8, Duro 90

5шт.

34

238-5122

O-RING,0.103" Thk x 1.11" ID, -122, Cl 5, 75 Duro

2шт.

35

47795330

O-RING,0.07" Thk x 0.551" ID, -15, Cl 8, 90 Duro

4шт.

36

553-102

PLUG,M18 x 1.5, ORB, Plastic

Incl 37

1шт.

37

86598100

O-RING,2.2mm Thk x 13.3mm ID, Cl 6, 90 Duro

3шт.

38

167269

O-RING,0.097" Thk x 0.755" ID, -910, Cl 6, 90 Duro

1шт.

39

86598099

O-RING,2.2mm Thk x 11.3mm ID, Cl 6

1шт.

40

828-16070

BOLT,Hex, M16 x 2 x 70mm, Cl 10.9

30шт.

41

178545A1

SHIM,25mm ID x 60mm OD x 0.076mm Thk

1шт.

41

178546A1

SHIM,25mm ID x 60mm OD x 0.101mm Thk

1шт.

41

178547A1

SHIM,25mm ID x 60mm OD x 0.130mm Thk

1шт.

41

220779A1

SHIM,25mm ID x 60mm OD x 0.5mm Thk

1шт.

42

86598103

O-RING,2.9mm Thk x 23.6mm ID, Cl 6, 90 Duro

1шт.

43

828-16060

BOLT,Hex, M16 x 2 x 60mm, Cl 10.9

12шт.

Выбрано товаров: 55