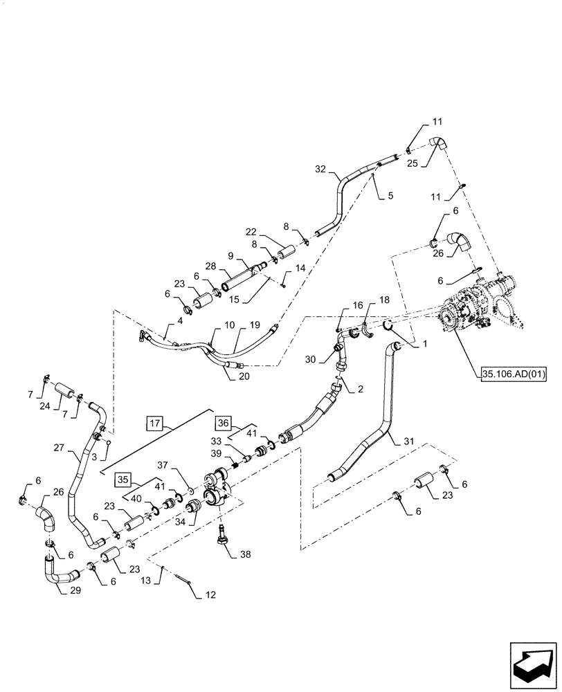
Запчасти Case IH QUADTRAC 540 (35.322.AJ[01]) - STANDARD HYDRAULIC PUMP SUPPLY LINES, 450, 470, 500 HD, 540 HD (35) - HYDRAULIC SYSTEMS

Схема запчастей Case IH QUADTRAC 540 - (35.322.AJ[01]) - STANDARD HYDRAULIC PUMP SUPPLY LINES, 450, 470, 500 HD, 540 HD (35) - HYDRAULIC SYSTEMS
41
27
1
35.106.ad(01)
23
25
40
34
39
29
23
10
16
8
14
11
7
6
4
17
6
6
41
24
6
36
7
5
6
6
23
3
12
28
22
6
32
11
31
19
9
30
20
26
23
35
6
15
38
2
37
26
13
33
6
6
8
18
FIT
1:1
100%

Артикул

Название

Примечание

Количество

1

238-6228

O-RING,0.139" Thk x 2.234" ID, -228, Cl 6, 90 Duro

1шт.

2

238-6029

O-RING,0.07" Thk x 1.489" ID, -29, Cl 6, 90 Duro

1шт.

3

238-6021

O-RING,15/16 X 1 - 1/16, Cl 6

2шт.

4

238-6016

O-RING,0.07" Thk x 0.614" ID, -16, Cl 6, 90 Duro

1шт.

5

238-6014

O-RING,0.07" Thk x 0.489" ID, -14, Cl 6, 90 Duro

1шт.

6

214-1536

HOSE CLAMP,#36, 1.81" - 2.75", Type F Worm, W/ Liner

10шт.

7

214-1528

HOSE CLAMP,#28, 1.31" - 2.25", Type F Worm, W/ Liner

4шт.

8

214-1524

HOSE CLAMP,#24, 1.06" - 2", Type F Worm, W/ Liner

2шт.

9

515-23508

CLAMP,2", Insul, 3/8" Bolt

1шт.

10

327144A1

STRAP,328mm L

Dual Hose Tie

1шт.

11

214-1520

HOSE CLAMP,#20, 0.81" - 1.75", Type F Worm, W/ Liner

2шт.

12

827-10110

BOLT,Hex, M10 x 1.5 x 110mm, Cl 10.9

2шт.

13

895-11010

WASHER,11mm ID x 20mm OD x 2mm Thk

2шт.

14

627-8025

BOLT,Hex, M8 x 1.25 x 25mm, Cl 10.9, Full Thd

1шт.

15

895-11008

WASHER,9mm ID x 16mm OD x 1.6mm Thk

1шт.

16

426-824

BOLT,Hex, 1/2" - 13 x 1-1/2", Gr 8

4шт.

17

84197046

VALVE

Charge Relief, Incl 33 - 39

1шт.

18

A14141

FLANGE

Split Half Clamp, 2"

2шт.

19

84275975

HOSE ASSY.,12.7mm ID x 1397mm L, SAE 100R1

Air Supply, Hydraulic Tank To Axle Lube Supply Tube

1шт.

20

84244536

HOSE ASSY.

Pump Drain, Hydraulic Pump To Tank Return Tube

1шт.

21

84473253

HOSE,38mm ID x 521mm L, SAE 100R1

Pump Supply, Charge Relief Valve To Pump

1шт.

22

31-2594

HOSE,1.25" ID x 4.00"

1шт.

23

427140A1

HOSE,50.80 mm ID x 101.60 mm

3шт.

24

1-4571

HOSE

1.5" ID x 4.50" Long

2шт.

25

84180096

PLASTIC-RUBBER TUBE

Elbow, 1-1/4" ID

1шт.

26

84180095

HOSE

Elbow, 2" ID

2шт.

27

84256492

HYD TUBE

Tank Return, Charge Relief Valve To Hydraulic Tank

1шт.

28

84206747

TUBE

Axle Lube Supply

1шт.

29

84276100

TUBE

Main Charge Supply, Hydraulic Tank To Charge Relief Valve

1шт.

30

84288289

TUBE

Pump Suction

1шт.

31

84288280

TUBE

Pump Supply, Charge Relief Valve To Pump

1шт.

32

84288266

TUBE

Axle Lube Supply, Axle Lube Supply Tube To Pump

1шт.

33

107453A1

PLUNGER

Relief

2шт.

34

84188435

HYD CONNECTOR,2-1/2” - 12 x 2-15/16” L

2" Hose Barb x 2-1/2" - 12

2шт.

35

201-148

ELBOW UNION

2" - 12 x 1-7/8" - 12, Incl 40 - 41

1шт.

36

217-174

FITTING,1-1/2" Hose Barb x 1-7/8" - 12 Male ORB

Incl 41

1шт.

37

84193990

WASHER,12.9mm ID x 43mm OD x 3mm Thk

Spring Retainer

1шт.

38

84196675

PLUG,1-7/8" - 12

Check Retainer

1шт.

39

431858A1

SPRING

Relief

2шт.

40

9840589

O-RING,0.07" Thk x 1.489" ID, -29, Cl 6, 90 Duro

1шт.

41

9626930

O-RING,0.118" Thk x 1.720" ID, -924, Cl 6, 90 Duro

2шт.

Выбрано товаров: 41