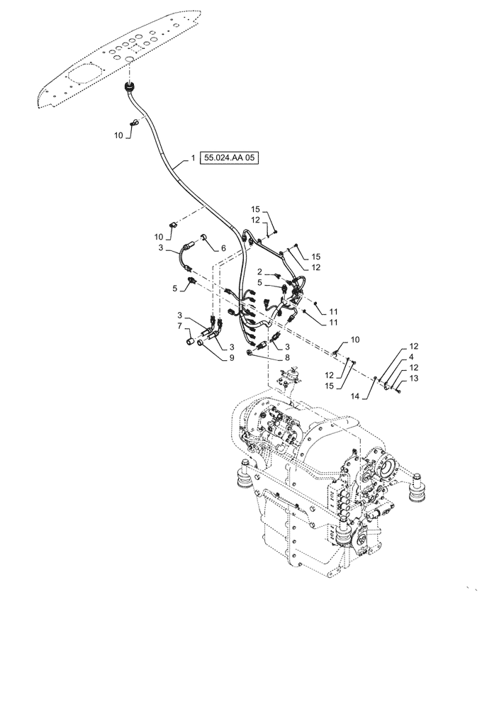
Запчасти Case IH QUADTRAC 540 (55.024.AA[04]) - TRANSMISSION HARNESS MOUNTING, PS4, 470, 500 HD, 540 HD, ASN ZFF308001 (55) - ELECTRICAL SYSTEMS

Схема запчастей Case IH QUADTRAC 540 - (55.024.AA[04]) - TRANSMISSION HARNESS MOUNTING, PS4, 470, 500 HD, 540 HD, ASN ZFF308001 (55) - ELECTRICAL SYSTEMS
7
9
5
11
3
8
4
12
12
2
1
12
55.024.aa 05
3
3
12
10
10
14
10
15
5
13
6
15
11
12
15
3
FIT
1:1
100%

Артикул

Название

Примечание

Количество

1

47686304

WIRE HARNESS

Transmission

1шт.

2

87521424

TEMPERATURE SENDER

Transmission Oil

1шт.

3

47942959

VR, Speed

SENSOR

4шт.

4

515-23159

CLAMP,5/8", Insul, 3/8" Bolt

1шт.

5

86987513

SENSOR

PWM Transmission Pressure

2шт.

6

87351748

SPACER,20.5mm ID x 28.5mm OD x 15.22mm W

1st Shaft Speed Sensor

1шт.

7

87351750

SPACER,20.5mm ID x 28.5mm OD x 29.39mm W

2nd Shaft Speed Sensor

1шт.

8

934120R1

THIN NUT,Thin, M20 x 1.5

1шт.

9

84233293

SPACER,20.5mm ID x 28.5mm OD x 14.4mm W

1шт.

10

515-23190

CLAMP,3/4", Insul, 3/8" Bolt

2шт.

11

895-18010

WASHER,10.5mm ID x 18mm OD x 1.6mm Thk

3шт.

12

896-11008

WASHER,9mm ID x 17mm OD x 2mm Thk

5шт.

13

627-8025

BOLT,Hex, M8 x 1.25 x 25mm, Cl 10.9, Full Thd

1шт.

14

832-10408

NUT,M8 x 1.25, Cl 8.8

1шт.

15

627-8016

BOLT,Hex, M8 x 1.25 x 16mm, Cl 10.9, Full Thd

3шт.

Выбрано товаров: 15