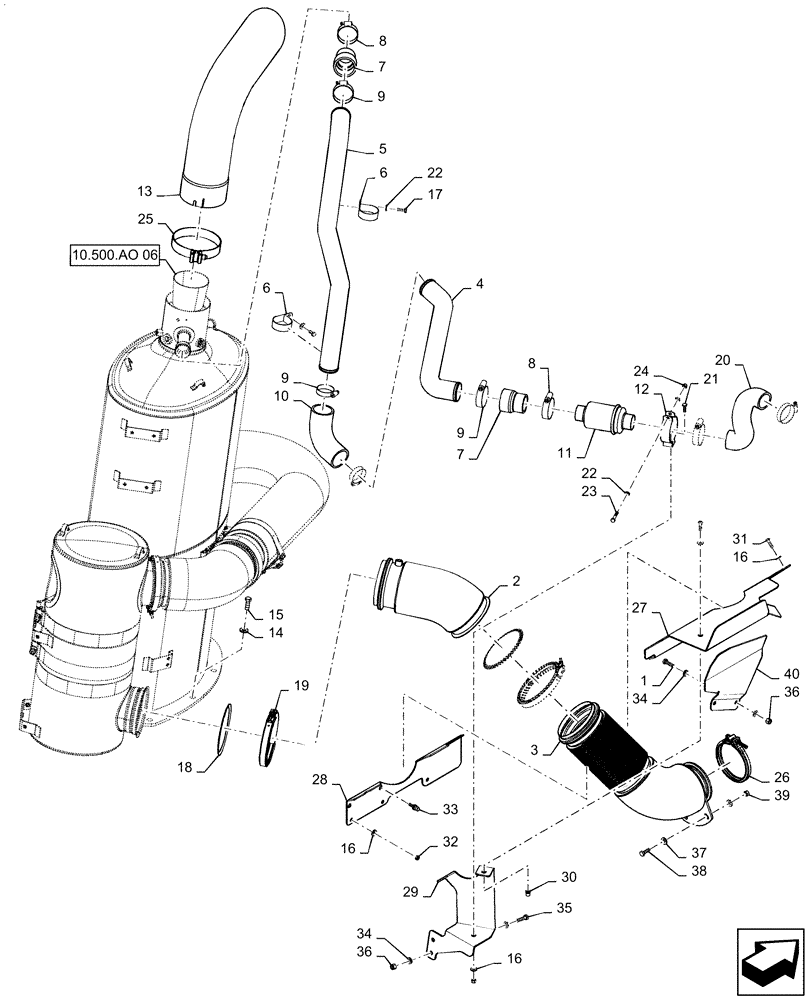
Запчасти Case IH QUADTRAC 540 (10.500.AO[05]) - EXHAUST SYSTEM, 540, 580, 620 (10) - ENGINE

Схема запчастей Case IH QUADTRAC 540 - (10.500.AO[05]) - EXHAUST SYSTEM, 540, 580, 620 (10) - ENGINE
39
33
16
16
18
9
15
14
30
27
13
12
10
23
40
34
9
11
10.500.ao 06
6
37
7
22
21
3
36
38
24
22
31
4
5
25
16
34
7
29
26
1
19
20
17
9
28
32
2
8
36
35
8
6
FIT
1:1
100%

Артикул

Название

Примечание

Количество

1

627-10035

BOLT,Hex, M10 x 1.5 x 35mm, Cl 10.9, Full Thd

2шт.

2

47565315

TUBE

Exhaust

1шт.

3

47566987

TUBE

Exhaust, Turbo

1шт.

4

47466690

TUBE

Aspirator, Check Valve To SCR

1шт.

5

47566174

TUBE

Aspirator, SCR

1шт.

6

515-25635

CLAMP,2 1/2", Insul, 1/2" Bolt

2шт.

7

47466686

HOSE

Check Valve

2шт.

8

214-3240

HOSE CLAMP,1-3/4" - 2-5/8", HD Worm, W/ Liner

4шт.

9

214-3248

HOSE CLAMP,57mm - 79mm

4шт.

10

47466687

HOSE

Aspirator

1шт.

11

87443913

VALVE

Aspirator Check

1шт.

12

87300581

CLAMP

Check Valve

1шт.

13

47565319

ELBOW

Exhaust Outlet Stack

1шт.

14

896-15012

WASHER,13.5mm ID x 28mm OD x 4mm Thk

8шт.

15

627-12035

BOLT,Hex, M12 x 1.75 x 35mm, Cl 10.9, Full Thd

8шт.

16

896-15008

WASHER,9mm ID x 21mm OD x 2.5mm Thk

11шт.

17

627-8020

BOLT,Hex, M8 x 1.25 x 20mm, Cl 10.9, Full Thd

2шт.

18

47368257

GASKET

6" Exhaust

2шт.

19

47368242

CLAMP

6" Exhaust

2шт.

20

47417241

HOSE

Aspirator, Air Filter To Check Valve

1шт.

21

627-8025

BOLT,Hex, M8 x 1.25 x 25mm, Cl 10.9, Full Thd

1шт.

22

895-11008

WASHER,9mm ID x 16mm OD x 1.6mm Thk

2шт.

23

827-8045

BOLT,Hex, M8 x 1.25 x 45mm, Cl 10.9

1шт.

24

832-10408

NUT,M8 x 1.25, Cl 8.8

2шт.

25

87430634

CLAMP,159.5mm ID

Exhaust Outlet Stack

1шт.

26

47423213

CLAMP

Exhaust Flap

1шт.

27

47420123

SHIELD

Debris

1шт.

28

47420125

SHIELD

Debris

1шт.

29

47420131

SUPPORT

Check Valve

1шт.

30

408566A1

INSERT,M8

Threaded, M8

2шт.

31

86512788

HEX SOC SCREW,Btn Hd, M8 x 1.25 x 30mm, Cl 10.9

5шт.

32

829-1408

NUT,Hex, M8 x 1.25, Cl 10.9

3шт.

33

379540A1

INSERT,M8

M8

2шт.

34

896-11010

WASHER,11mm ID x 21mm OD x 2.5mm Thk

8шт.

35

627-10040

BOLT,Hex, M10 x 1.5 x 40mm, Cl 10.9, Full Thd

2шт.

36

832-10410

NUT,M10 x 1.5, Cl 8

4шт.

37

896-15010

WASHER,11mm ID x 24mm OD x 3mm Thk

4шт.

38

627-10030

BOLT,Hex, M10 x 1.5 x 30mm, Cl 10.9, Full Thd

2шт.

39

832-46410

NUT,M10 x 1.5, Cl 8

2шт.

40

47631979

BRACKET

Heat Shield

1шт.

Выбрано товаров: 40