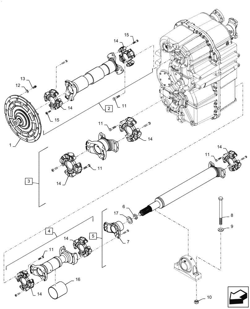
Запчасти Case IH QUADTRAC 580 (23.314.260) - DRIVE SHAFT ASSY, 9C (23) - FOUR WHEEL DRIVE SYSTEM

Схема запчастей Case IH QUADTRAC 580 - (23.314.260) - DRIVE SHAFT ASSY, 9C (23) - FOUR WHEEL DRIVE SYSTEM
3
1
11
10
14
12
2
14
7
17
9
14
16
14
6
15
13
11
15
14
5
4
14
14
11
8
11
11
FIT
1:1
100%

Артикул

Название

Примечание

Количество

1

84539806

DAMPER,435.68mm OD

Engine

1шт.

2

84227985

DRIVE SHAFT

Engine, Incl 14 - 15

1шт.

3

87649657

DRIVE SHAFT

Front Axle, Incl 11, 14

1шт.

4

47448333

DRIVE SHAFT

Articulation, Incl 11, 14, 16

1шт.

5

87649659

DRIVE SHAFT

Rear Axle, Incl 6, 7, 11, 14, 17, Serial Range: -ZGF308616

1шт.

5

47755884

DRIVE SHAFT

Rear Axle, Incl 6, 7, 11, 14, 17, Start Serial: ZGF308617

1шт.

6

87534460

LOCK NUT

1-1/4" - 18

1шт.

7

87686028

YOKE

9C

1шт.

8

827-20250

BOLT,Hex, M20 x 2.5 x 250mm, Cl 10.9

2шт.

9

896-15020

WASHER,22mm ID x 44mm OD x 5mm Thk

2шт.

10

829-1420

NUT,M20, Cl 10

2шт.

11

827-12060

BOLT,Hex, M12 x 1.75 x 60mm, Cl 10.9

48шт.

12

496-81010

WASHER

0.469" x 1" x 0.105"

12шт.

13

47379836

12 PT SCREW

Flange, 7/16" x 1"

12шт.

14

87683477

U-JOINT SPIDER

9C

7шт.

15

87015724

BOLT,M12 x 1.75 x 62.68mm OAL, Cl 10.9

8шт.

16

47470354

SEAL KIT

Drive Shaft Wiper

1шт.

17

87712879

WASHER

9C Yoke

1шт.

Выбрано товаров: 18