Запчасти Case IH QUADTRAC 580 (35.220.AD[07]) - MEGA FLOW HYDRAULIC PUMP LUBE LINES, PS6, 9C, 500 SCRAPER, 540 SCRAPER, 580, 620, ASN ZFF308001 (35) - HYDRAULIC SYSTEMS

Схема запчастей Case IH QUADTRAC 580 - (35.220.AD[07]) - MEGA FLOW HYDRAULIC PUMP LUBE LINES, PS6, 9C, 500 SCRAPER, 540 SCRAPER, 580, 620, ASN ZFF308001 (35) - HYDRAULIC SYSTEMS
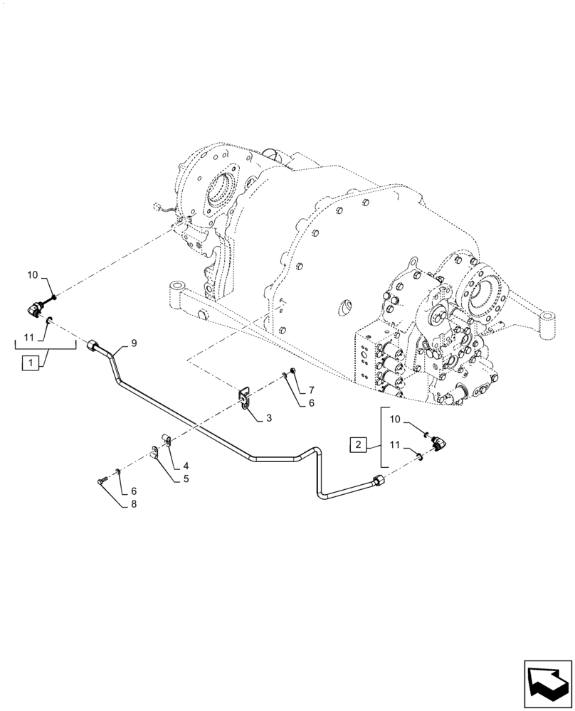
9
3
10
11
4
10
6
11
5
2
8
1
6
7
FIT
1:1
100%

Артикул

Название

Примечание

Количество

1

700-305

ELBOW,90 Degree Elbow, 13/16" - 16 Male ORFS x M18 x 1.5 Male ORB

Incl 10, 11

1шт.

2

86579689

ELBOW,90 Degree, 13/16" - 16 ORFS x M14 x 1.5 ORB

Incl 10, 11

1шт.

3

84283861

BRACKET

PTO Clutch Tube

1шт.

4

515-23127

CLAMP,1/2", Insul, 3/8" Bolt

1шт.

5

515-2395

CLAMP,3/8", Insul, 3/8" Bolt

1шт.

6

895-11008

WASHER,9mm ID x 16mm OD x 1.6mm Thk

2шт.

7

829-1408

NUT,Hex, M8 x 1.25, Cl 10.9

1шт.

8

627-8025

BOLT,Hex, M8 x 1.25 x 25mm, Cl 10.9, Full Thd

1шт.

9

47489422

HYD TUBE

PTO Clutch Lube, PS6

1шт.

10

9992069

O-RING,0.07" Thk x 0.614" ID, -16, Cl 6, 90 Duro

2шт.

11

86598101

O-RING,2.2mm Thk x 15.3mm ID, Cl 6, 90 Duro

2шт.

Выбрано товаров: 11