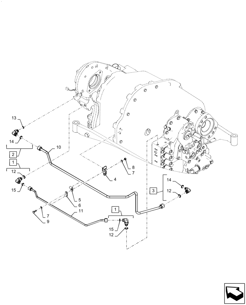
Запчасти Case IH QUADTRAC 580 (35.220.AD[08]) - PTO DRIVE LUBE LINES, PS6, 9C, 500 SCRAPER, 540 SCRAPER, 580, 620, ASN ZFF308001 (35) - HYDRAULIC SYSTEMS

Схема запчастей Case IH QUADTRAC 580 - (35.220.AD[08]) - PTO DRIVE LUBE LINES, PS6, 9C, 500 SCRAPER, 540 SCRAPER, 580, 620, ASN ZFF308001 (35) - HYDRAULIC SYSTEMS
14
12
10
2
14
11
12
9
4
7
7
3
1
1
8
15
15
5
6
13
12
FIT
1:1
100%

Артикул

Название

Примечание

Количество

1

700-345

ELBOW,90 Degree Elbow, 11/16" - 16 Male ORFS x M18 x 1.5 Male ORB

Incl 12, 15

2шт.

2

700-305

ELBOW,90 Degree Elbow, 13/16" - 16 Male ORFS x M18 x 1.5 Male ORB

Incl 13, 14

1шт.

3

86579689

ELBOW,90 Degree, 13/16" - 16 ORFS x M14 x 1.5 ORB

Incl 12, 14

1шт.

4

84283861

BRACKET

PTO Clutch Tube Support

1шт.

5

515-23127

CLAMP,1/2", Insul, 3/8" Bolt

1шт.

6

515-2395

CLAMP,3/8", Insul, 3/8" Bolt

1шт.

7

895-11008

WASHER,9mm ID x 16mm OD x 1.6mm Thk

2шт.

8

829-1408

NUT,Hex, M8 x 1.25, Cl 10.9

1шт.

9

627-8025

BOLT,Hex, M8 x 1.25 x 25mm, Cl 10.9, Full Thd

1шт.

10

47489422

HYD TUBE

PTO Clutch Lube, PS6

1шт.

11

47489424

HYD TUBE

PTO Clutch Control, PS6

1шт.

12

86598101

O-RING,2.2mm Thk x 15.3mm ID, Cl 6, 90 Duro

3шт.

13

9993141

O-RING,0.07" Thk x 0.364" ID, -12, Cl 6, 90 Duro

1шт.

14

9992298

O-RING,0.07" Thk x 0.489" ID, -14, Cl 6, 90 Duro

2шт.

15

86598099

O-RING,2.2mm Thk x 11.3mm ID, Cl 6

2шт.

Выбрано товаров: 15