Запчасти Case IH QUADTRAC 580 (48.138.AB[03]) - ROLLER ASSY, BSN ZFF304747 (48) - TRACKS & TRACK SUSPENSION

Схема запчастей Case IH QUADTRAC 580 - (48.138.AB[03]) - ROLLER ASSY, BSN ZFF304747 (48) - TRACKS & TRACK SUSPENSION
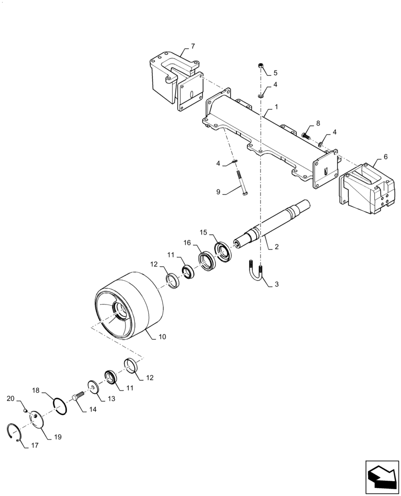
15
11
2
12
9
11
3
6
18
7
16
4
14
10
4
4
8
19
17
12
5
13
20
1
FIT
1:1
100%

Артикул

Название

Примечание

Количество

1

408786A1

BEAM

Mount Roller Wheel

1шт.

2

84222576

ROLLER SHAFT

Wheel

3шт.

3

231765A1

U-BOLT,M16 x 2 x 30mm Threaded, x 80.2mm W

6шт.

4

896-11016

WASHER,17.5mm ID x 30mm OD x 4mm Thk

22шт.

5

832-46416

NUT,M16 x 2, Cl 8

12шт.

6

389763A1

SUSPENSION

Mount Assy - Front

1шт.

6

389763A1R

SUSPENSION

Mount, Front. Remanufactured

1шт.

6

389763A1C

SUSPENSION

Return Number

1шт.

7

389761A1

SUSPENSION

Mount Assy - Rear

1шт.

7

389761A1R

SUSPENSION

Mount, Rear. Remanufactured

1шт.

7

389761A1C

SUSPENSION

Return Number

1шт.

8

627-16040

BOLT,Hex, M16 x 2 x 40mm, Cl 10.9, Full Thd

8шт.

9

827-16140

BOLT,Hex, M16 x 2 x 140mm, Cl 10.9

2шт.

10

84162383

WHEEL ASSY

Roller

6шт.

10

84162383R

WHEEL ASSY

Reman Roller

6шт.

10

84162383C

WHEEL ASSY

Return Number

6шт.

10

47487680R

REMAN-WHEEL ROLLER

Reman for New PN 84162383

6шт.

10

47487680C

CORE-WHEEL ROLLER

Return Number

6шт.

11

A61447

ROLLER BEARING,2.1651" ID x 0.9045" Thk

12шт.

12

625743C1

BEARING CUP,90mm OD x 18.5mm W

Roller

12шт.

13

87387720

RETAINER

Bearing

6шт.

14

84303553

BOLT,Hex, M20 x 2.5 x 60mm, Cl 10.9

M20 x 60mm, CLN Lubed

6шт.

15

87304018

CUP,65.98mm ID x 124.7mm OD x 25mm Thk

Seal

6шт.

16

84573722

SEAL

Oil, Roller

6шт.

17

301652

SNAP RING,M110 x 4mm, Internal

6шт.

18

86984140

O-RING,97mm ID x 6.99mm Thk

6шт.

19

87404689

CAP

Roller Hub, Steel

6шт.

19

47608298

COVER

Roller Hub, Clear

6шт.

20

246406A1

PLUG,M12 x 1.5 ORB

Used with Steel Cap

6шт.

20

86598043

PLUG,M12 x 1.5 ORB

Used with Clear Cap

6шт.

Выбрано товаров: 30