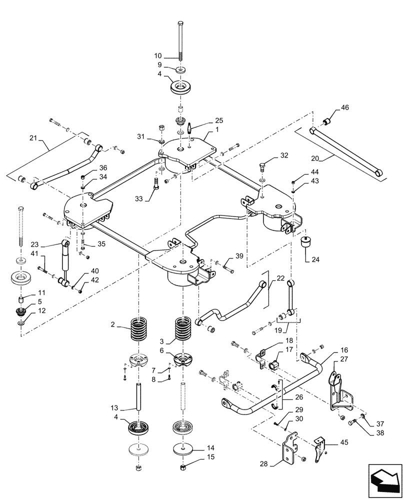
Запчасти Case IH QUADTRAC 580 (90.150.AJ) - CAB SUSPENSION (90) - PLATFORM, CAB, BODYWORK AND DECALS

Схема запчастей Case IH QUADTRAC 580 - (90.150.AJ) - CAB SUSPENSION (90) - PLATFORM, CAB, BODYWORK AND DECALS
12
32
9
17
15
3
4
19
31
10
41
27
1
33
42
24
4
20
13
36
2
22
7
44
30
37
11
8
29
39
28
46
18
25
43
45
35
23
21
26
14
5
34
40
16
6
38
FIT
1:1
100%

Артикул

Название

Примечание

Количество

1

84386033

FRAME

Suspension Frame

1шт.

2

84391701

COMPRESSION SPRING

Rear, 123.25mm x 193.6mm

2шт.

3

84391700

COMPRESSION SPRING

Front, 123.25mm x 208.3mm

2шт.

4

84359472

SPRING CUP

Holder, 62.5mm x 157mm

8шт.

5

84309953

ISOLATOR

Rubber, Down Stop

4шт.

6

84309954

BUMPER

Rubber, Up Stop

4шт.

7

895-11008

WASHER,9mm ID x 16mm OD x 1.6mm Thk

16шт.

8

627-8030

BOLT,Hex, M8 x 1.25 x 30mm, Cl 10.9, Full Thd

16шт.

9

84359474

WASHER

26mm x 75mm

4шт.

10

514-1406

BOLT,Hex, M24 x 3 x 355mm, Cl 10.9

4шт.

11

84326031

SLEEVE,25.4mm ID x 31.75mm OD x 39mm L

Upper

4шт.

12

84359475

WASHER

25mm x 50mm

4шт.

13

84326032

SLEEVE,25.4mm ID x 31.75mm OD x 251mm L

Lower

4шт.

14

84359476

WASHER

26.5mm x 155mm

4шт.

15

832-10424

NUT,M24 x 3, Cl 8

8шт.

16

84330344

BAR

Anti-Roll

1шт.

17

84319416

RUBBER BUSHING

Anti-Roll Bar

2шт.

18

84324033

CLAMP

Anti-Roll Bar

2шт.

19

84330339

LINK

Drop, Incl 46

2шт.

20

84330334

LINK

Longitudinal, Incl 46

2шт.

21

84427994

LINK

Rear, Incl 46

1шт.

22

84427986

LINK

Front, Incl 46

1шт.

23

84287611

DAMPER

Shock

4шт.

24

84391698

BUMPER

Suspension Down Stop

4шт.

25

84326029

PIN

Alignment

2шт.

26

84326030

CLAMP

Anti-Roll Bar

2шт.

27

84512832

BRACKET

Anti-Roll Bar Mounting, LH

1шт.

28

84359517

BRACKET

Anti-Roll Bar Mounting, RH

1шт.

29

627-10030

BOLT,Hex, M10 x 1.5 x 30mm, Cl 10.9, Full Thd

2шт.

30

896-11010

WASHER,11mm ID x 21mm OD x 2.5mm Thk

2шт.

31

896-11024

WASHER,26mm ID x 44mm OD x 5mm Thk

12шт.

32

9780129

BOLT,Hex, M24 x 50mm, Cl 10.9

4шт.

33

827-24080

BOLT,Hex, M24 x 3 x 80mm, Cl 10.9

4шт.

34

896-11016

WASHER,17.5mm ID x 30mm OD x 4mm Thk

28шт.

35

827-16080

BOLT,Hex, M16 x 2 x 80mm, Cl 10.9

2шт.

36

832-10416

NUT,M16 x 2, Cl 8

14шт.

37

896-11020

WASHER,22mm ID x 37mm OD x 4mm Thk

8шт.

38

627-20050

BOLT,Hex, M20 x 2.5 x 50mm, Cl 10.9, Full Thd

8шт.

39

827-16090

BOLT,Hex, M16 x 2 x 90mm, Cl 10.9

12шт.

40

896-11014

WASHER,15.5mm ID x 28mm OD x 3mm Thk

16шт.

41

87303344

BOLT,Hex, M14 x 85mm, Cl 10.9

8шт.

42

12577311

LOCK NUT,Prevailing Torque, M14 x 2.0 x 16.6mm, Cl8, ZND

8шт.

43

896-11012

WASHER,13.5mm ID x 24mm OD x 3mm Thk

4шт.

44

832-10412

NUT,M12 x 1.75, Cl 8

4шт.

45

84356263

BRACKET, SUPPORTING

Routing

1шт.

46

NSS

NOT SOLD SEPARAT

Bushing, Center Bonded, 16.5mm ID, Incl in 19 - 22

12шт.

Выбрано товаров: 46