Запчасти Case IH QUADTRAC 600 (33.110.07) - PARK BRAKE - VALVE ASSEMBLY AND FITTINGS, TOW/PARK BRAKE - QUADTRAC (EUROPE) (33) - BRAKES & CONTROLS

Схема запчастей Case IH QUADTRAC 600 - (33.110.07) - PARK BRAKE - VALVE ASSEMBLY AND FITTINGS, TOW/PARK BRAKE - QUADTRAC (EUROPE) (33) - BRAKES & CONTROLS
home
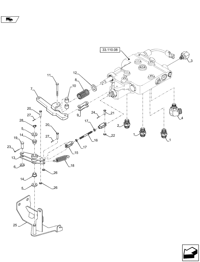
3
26
6
13
14
28
5
12
18
17
27
9
20
19
21
16
4
10
25
8
24
15
26
5
27
17
22
2
11
23
1
7
20
1
33.110.08
14
FIT
1:1
100%

Артикул

Название

Примечание

Количество

1

700-102

HYD CONNECTOR,13/16" - 16 Male ORFS x M18 x 1.5 Male ORB

2шт.

2

700-106

HYD CONNECTOR,11/16" - 16 Male ORFS x M18 x 1.5 Male ORB

1шт.

3

700-311

ELBOW,90 Degree Elbow, 11/16" - 16 Male ORFS x M12 x 1.5 Male ORB

1шт.

4

700-332

ELBOW,90 Degree Elbow, 13/16" - 16 Male ORFS x M14 x 1.5 Male ORB

1шт.

5

895-11012

WASHER,13.5mm ID x 24mm OD x 2.5mm Thk

2шт.

6

895-11010

WASHER,11mm ID x 20mm OD x 2mm Thk

1шт.

7

84212527

ARM

Toe Valve Manual Pump

1шт.

8

361897A1

SPRING

Compression

1шт.

9

242-4412

CHAIN LINK

2060H Double Pitch

1шт.

10

392748A1

SPACER

Tube

1шт.

11

827-6050

BOLT,Hex, M6 x 50mm, Cl 10.9

1шт.

12

896-12016

WASHER,17.5mm ID x 30mm OD x 4mm Thk

1шт.

13

84183471

BELLCRANK

1шт.

14

1533540C1

BUSHING,12mm ID x 14mm OD x 12mm L

Plastic

2шт.

15

713-126

CLEVIS

2шт.

16

428302A1

ROD

Emergency Brake Valve, Threaded

1шт.

17

829-1406

NUT,Hex, M6 x 1, Cl 10.9

2шт.

18

327572A2

SPRING

1шт.

19

427-6106

CLEVIS PIN,9.53mm OD x 26.92mm L

1шт.

20

728-630

CLEVIS PIN,M6 x 30

2шт.

21

728-620

CLEVIS PIN,M6 x 20

1шт.

22

895-11006

WASHER,6.6mm ID x 12mm OD x 1.6mm Thk

3шт.

23

733-2520

COTTER PIN,M2.5 x 20

1шт.

24

733-1610

COTTER PIN,M1.6 x 10

3шт.

25

84212910

BRACKET

Euro Park Brake Cable

1шт.

26

895-11006

WASHER,6.6mm ID x 12mm OD x 1.6mm Thk

2шт.

27

733-1610

COTTER PIN,M1.6 x 10

2шт.

28

800-1112

SNAP RING,M12, Ext

1шт.

Выбрано товаров: 28