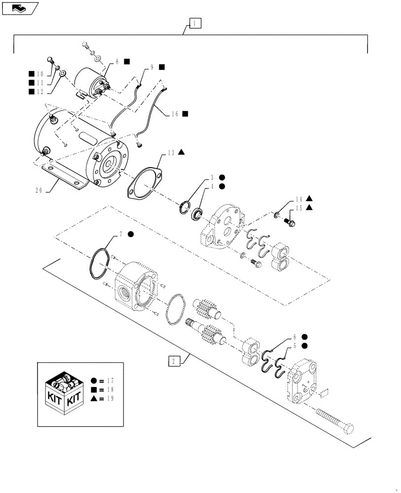
Запчасти Case IH QUADTRAC 600 (41.200.04) - PUMP, EMERGENCY STEERING - WHEELED - EUROPE ONLY (41) - STEERING

Схема запчастей Case IH QUADTRAC 600 - (41.200.04) - PUMP, EMERGENCY STEERING - WHEELED - EUROPE ONLY (41) - STEERING
19
4
5
18
18
17
17
2
20
10
18
12
17
19
17
18
18
1
3
17
17
6
8
14
18
9
16
18
7
19
13
home
11
19
17
15
18
19
FIT
1:1
100%

Артикул

Название

Примечание

Количество

1

87581480

ELECTRIC PUMP

Incl 2 - 20

1шт.

2

8605158

PUMP, HYDRAULIC

1шт.

8605158R

REMAN-HYD PUMP

STEIGER 550 , STEIGER 500 , STEIGER 600 , QUADTRAC® 450 , QUADTRAC® 500 , QUADTRAC® 550 , QUADTRAC® 600 all are (4/11 - )

1шт.

8605158C

CORE-HYDRAULIC PUMP

Return Number

1шт.

3

NSS

NOT SOLD SEPARAT

Ring, Retaining, Incl in 17

1шт.

4

NSS

NOT SOLD SEPARAT

Seal, Incl in 17

1шт.

5

NSS

NOT SOLD SEPARAT

Ring, Backup, Incl in 17

2шт.

6

NSS

NOT SOLD SEPARAT

Seal, Incl in 17

2шт.

7

NSS

NOT SOLD SEPARAT

O-Ring, Incl in 17

2шт.

8

NSS

NOT SOLD SEPARAT

Switch, Incl in 18

1шт.

9

NSS

NOT SOLD SEPARAT

Cable, Incl in 18

1шт.

10

NSS

NOT SOLD SEPARAT

Screw, Incl in 18

2шт.

11

NSS

NOT SOLD SEPARAT

Washer, Lock, Incl in 18

2шт.

12

NSS

NOT SOLD SEPARAT

Washer, Incl in 18

2шт.

13

NSS

NOT SOLD SEPARAT

Gasket, Mounting, Incl in 19

1шт.

14

NSS

NOT SOLD SEPARAT

Washer, Lock, Incl in 19

2шт.

15

NSS

NOT SOLD SEPARAT

Screw, Incl in 19

2шт.

16

84428760

WIRE

Primary

1шт.

17

8605162

SEAL KIT

Incl 3 - 7

1шт.

18

8605159

KIT

Starting Switch, Incl 8 - 12, 16

1шт.

19

84428759

SERVICE KIT

Mounting, Incl 13 - 15

1шт.

20

84428758

ELECTRIC MOTOR

DC

1шт.

Выбрано товаров: 22