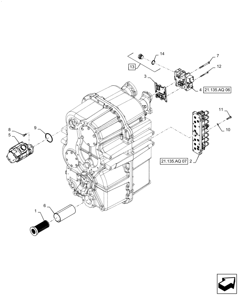
Запчасти Case IH QUADTRAC 620 (21.135.AQ[08]) - TRANSMISSION CONTROL VALVE MOUNTING, PS6, 9C, 500 SCRAPER, 540 SCRAPER, 580, 620, ASN ZFF308001 (21) - TRANSMISSION

Схема запчастей Case IH QUADTRAC 620 - (21.135.AQ[08]) - TRANSMISSION CONTROL VALVE MOUNTING, PS6, 9C, 500 SCRAPER, 540 SCRAPER, 580, 620, ASN ZFF308001 (21) - TRANSMISSION
9
4
13
6
1
5
3
14
12
11
10
8
7
2
21.135.aq 07
21.135.aq 06
FIT
1:1
100%

Артикул

Название

Примечание

Количество

1

47779928

SCREEN

Suction

1шт.

2

47849518

VALVE

Powershift

1шт.

3

47582456

GASKET

Regulator Valve

1шт.

4

47607104

VALVE

Regulator

1шт.

5

47434170

PUMP

Oil

1шт.

6

47776618

TUBE

Suction Screen

1шт.

7

514-739

BOLT,Hex, M10 x 1.25 x 120mm, Cl 8.8

5шт.

8

412160

BOLT,Hex, M10 x 1.25 x 30mm, Cl 8.8, Full Thd

2шт.

9

238-5152

O-RING,0.103" Thk x 3.237" ID, -152, Cl 5, 75 Duro

1шт.

10

892-11010

LOCK WASHER,M10

10шт.

11

11234731

SCREW,Hex, M10 x 1.25 x 45mm, Cl 10.9

10шт.

12

86516395

BOLT,Hex, M8 x 1.25 x 90mm, Cl 10.9

3шт.

13

87013333

PLUG,M33 x 2.0, ORB

Incl 14

1шт.

14

86598104

O-RING,2.9mm Thk x 29.6mm ID, Cl 6, 90 Duro

1шт.

Выбрано товаров: 14