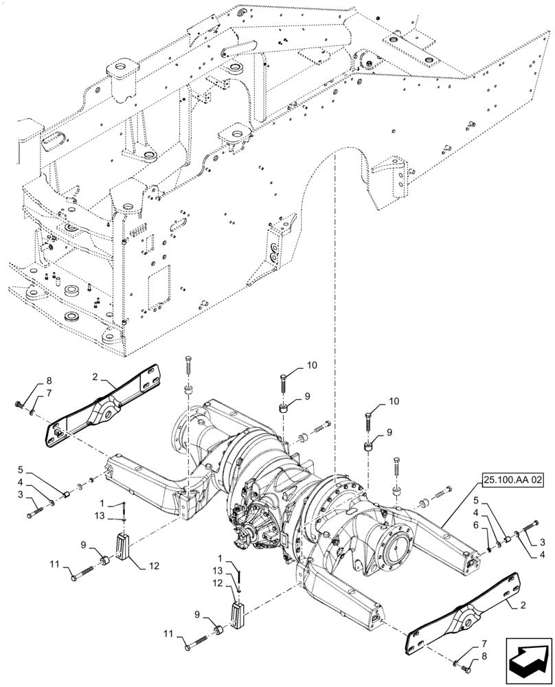
Запчасти Case IH QUADTRAC 620 (25.100.AA[01]) - FRONT AXLE MOUNTING (25) - FRONT AXLE SYSTEM

Схема запчастей Case IH QUADTRAC 620 - (25.100.AA[01]) - FRONT AXLE MOUNTING (25) - FRONT AXLE SYSTEM
13
4
12
10
6
1
5
1
13
12
7
9
25.100.aa 02
9
11
3
2
10
9
9
8
3
2
4
11
8
4
5
7
FIT
1:1
100%

Артикул

Название

Примечание

Количество

1

627-8100

BOLT,Hex, M8 x 1.25 x 100mm, Cl 10.9, Full Thd

2шт.

2

87451761

END PLATE

Axle Carrier Yoke End

2шт.

3

87439071

BOLT,Hex, M20 x 2.5 x 130mm, Cl 10.9

2шт.

4

896-15020

WASHER,22mm ID x 44mm OD x 5mm Thk

4шт.

5

87439070

SPACER

Alingment, 22mm ID x 32mm OD x 39mm Long

2шт.

6

829-4420

THIN NUT,M20 x 2.5, Cl 05

2шт.

7

896-11024

WASHER,26mm ID x 44mm OD x 5mm Thk

12шт.

8

9780129

BOLT,Hex, M24 x 50mm, Cl 10.9

12шт.

9

87447339

SPACER

26mm ID x 55.6mm OD x 40mm Long

12шт.

10

827-24130

BOLT,Hex, M24 x 3 x 130mm, Cl 10.9

8шт.

11

827-24190

BOLT,Hex, M24 x 3 x 190mm, Cl 10.9

4шт.

12

87425780

WEDGE

Mounting Block

2шт.

13

496-41034

WASHER,.344" x 1" x .098", HDN

2шт.

Выбрано товаров: 13