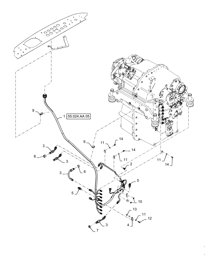
Запчасти Case IH QUADTRAC 620 (55.024.AA[06]) - TRANSMISSION HARNESS MOUNTING, PS6, 500 SCRAPER, 540 SCRAPER, 580, 620, ASN ZFF308001 (55) - ELECTRICAL SYSTEMS

Схема запчастей Case IH QUADTRAC 620 - (55.024.AA[06]) - TRANSMISSION HARNESS MOUNTING, PS6, 500 SCRAPER, 540 SCRAPER, 580, 620, ASN ZFF308001 (55) - ELECTRICAL SYSTEMS
55.024.aa 05
11
3
14
9
12
10
7
3
5
14
2
3
1
11
14
11
9
6
8
5
11
13
3
4
FIT
1:1
100%

Артикул

Название

Примечание

Количество

1

47686304

WIRE HARNESS

Transmission

1шт.

2

87521424

TEMPERATURE SENDER

Transmission

1шт.

3

47942959

VR, Speed

SENSOR

4шт.

4

515-23159

CLAMP,5/8", Insul, 3/8" Bolt

1шт.

5

86987513

SENSOR

PWM, Transmission Pressure

2шт.

6

87351748

SPACER,20.5mm ID x 28.5mm OD x 15.22mm W

Sensor

1шт.

7

934120R1

THIN NUT,Thin, M20 x 1.5

1шт.

8

87715474

SPACER,20.5mm ID x 28.5mm OD x 21.19mm W

Sensor

1шт.

9

515-23190

CLAMP,3/4", Insul, 3/8" Bolt

2шт.

10

895-18010

WASHER,10.5mm ID x 18mm OD x 1.6mm Thk

3шт.

11

896-11008

WASHER,9mm ID x 17mm OD x 2mm Thk

5шт.

12

627-8025

BOLT,Hex, M8 x 1.25 x 25mm, Cl 10.9, Full Thd

1шт.

13

832-10408

NUT,M8 x 1.25, Cl 8.8

1шт.

14

627-8016

BOLT,Hex, M8 x 1.25 x 16mm, Cl 10.9, Full Thd

3шт.

Выбрано товаров: 14