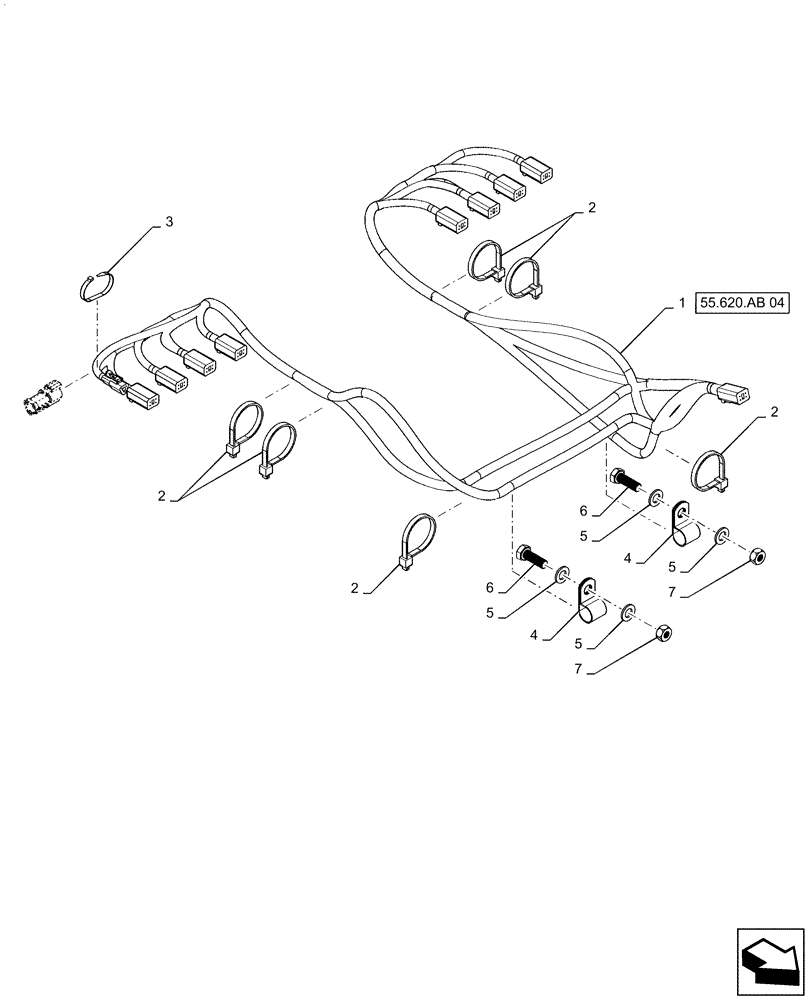
Запчасти Case IH QUADTRAC 620 (55.620.AB[03]) - VAR - 420403, 424826, 427827 - EHR CONTROL VALVE HARNESS MOUNTING, 5, 6, 8 SPOOL (55) - ELECTRICAL SYSTEMS

Схема запчастей Case IH QUADTRAC 620 - (55.620.AB[03]) - VAR - 420403, 424826, 427827 - EHR CONTROL VALVE HARNESS MOUNTING, 5, 6, 8 SPOOL (55) - ELECTRICAL SYSTEMS
2
4
1
5
4
7
5
6
7
55.620.ab 04
2
5
2
6
5
3
2
FIT
1:1
100%

Артикул

Название

Примечание

Количество

1

84158327

WIRE HARNESS

EHR Valve, 5, 6, or 8 Spool

1шт.

2

L18331

CABLE TIE,375.9mm L, Nylon, Black

15"

6шт.

3

435437A1

CABLE TIE,3/16" x 7 1/4"

1шт.

4

515-24190

CLAMP,3/4", Insul, 7/16" Bolt

2шт.

5

895-11010

WASHER,11mm ID x 20mm OD x 2mm Thk

4шт.

6

627-10030

BOLT,Hex, M10 x 1.5 x 30mm, Cl 10.9, Full Thd

2шт.

7

829-1410

NUT,M10 x 1.5, Cl 10.9

2шт.

Выбрано товаров: 7