Запчасти Case IH 9110 (04-86) - DRIVESHAFTS AND MOUNTING (04) - Drive Train

Схема запчастей Case IH 9110 - (04-86) - DRIVESHAFTS AND MOUNTING (04) - Drive Train
7
3
24
23
21
18
15
26
1
1
20
20
19
19
14
22
6
5
4
18
13
18
20
9
10
12
2
16
1
19
11
17
17
FIT
1:1
100%

Артикул

Название

Примечание

Количество

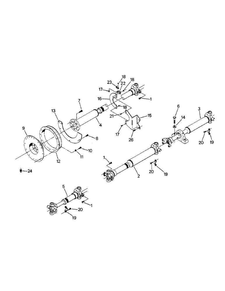
1

19-536

BOLT,3/8" - 24 x 1 3/4", Gr 8

CAPSCREW, 3/8 UNF x 1-3/4 G-8

12шт.

2

DRIVESHAFT ASSEMBLY (See Fig. 4-87)

1шт.

3

DRIVESHAFT ASSEMBLY (See Fig. 4-87)

1шт.

4

DRIVESHAFT ASSEMBLY (See Fig. 4-87)

1шт.

5

DRIVESHAFT ASSEMBLY (See Fig. 4-87)

1шт.

6

19-60

BOLT,Hex, 5/8" - 11 x 2", Gr 5

CAPSCREW, 5/8 UNC x 2 G-5

2шт.

7

19-45

BOLT,1/2" - 13 x 1 1/2", Gr 5

CAPSCREW, 1/2 UNC x 1-1/2 G-5

8шт.

8

40-1091

BOLT,Hex, M10 x 1.5 x 20mm, Gr 8.8

CAPSCREW, M10 x 1.5 x 20 G-8.8

6шт.

9

90-1272T1

DAMPER

- vibration

1шт.

10

9427321

BOLT,3/8" - 16 x 1", Gr 8

CAPSCREW, 3/8 UNC x 1 G-8

8шт.

11

19-5941

WASHER,13/32" x 3/4" x .220", HDN

- hardened, 3/8 x 3/4 x 7/32 thk

8шт.

12

90-6190T1

LARGE PLATE

SLINGER - flywheel

1шт.

13

90-6189T1

COVER

- flywheel housing

2шт.

14

19-5642

WASHER

- flat, 5/8 (19-711)

2шт.

Error correction only.

1шт.

15

90-6657T1

BRACKET

- driveshaft guard

1шт.

16

50-2852T1

LARGE PLATE

PLATE - driveshaft guard

1шт.

17

9418918

BOLT,Hex, 5/16" - 18 x 1", Gr 5, Full Thd

CAPSCREW, 5/16 UNC x 1 G-5

4шт.

18

231-1445

NUT,5/16"-18, GB

NUT - lock, 5/16 UNC G-A

5шт.

19

90-6683T1

STRAP

RETAINER - driveshaft

6шт.

20

19-6247

BOLT,3/8" - 24 x 0.75", Grade 8

CAPSCREW - 12 point (Special)

12шт.

21

19-234

BOLT,Hex, 5/16" - 18 x 1 1/4", Gr 5

CAPSCREW, 5/16 UNC x 1-1/4 G-5

1шт.

22

90-6820T1

BRACKET

- clamp mounting

1шт.

23

31-2488

CLAMP

(A) CLAMP (31-1775)

1шт.

24

31-34

PLUG

- flywheel housing, 3/4 NPT

1шт.

25

1-1055

SEALANT

ANT - RTV (Used on ref. 13)

1шт.

26

EXISTING HARDWARE (See Fig. 8-2)

2шт.

Выбрано товаров: 27