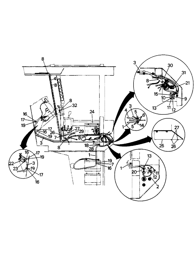
Запчасти Case IH 9110 (02-06) - DELUXE CAB WIRING, WITH ROPS POST GAUGES (06) - ELECTRICAL

Схема запчастей Case IH 9110 - (02-06) - DELUXE CAB WIRING, WITH ROPS POST GAUGES (06) - ELECTRICAL
19
24
30
8
7
13
8
20
3
17
23
14
10
4
32
28
29
6
8
1
1
16
27
26
2
31
13
26
3
8
19
5
15
11
19
25
5
16
1
16
19
8
7
9
8
3
19
16
12
20
17
17
17
11
1
12
27
7
22
3
16
4
FIT
1:1
100%

Артикул

Название

Примечание

Количество

1

20-1972T1

HARNESS

- cab power

1шт.

2

20-2023T1

ELECTRICAL WIRE

WIRE - circuit breaker to junction block

1шт.

3

20-2449T1

HARNESS

- main cab

1шт.

4

20-1974T1

HARNESS

- overhead power

1шт.

5

19-76

NUT,1/4"-20, G5

1/4 UNC G-B

4шт.

6

19-115

LOCK WASHER,1/4"

1/4"

3шт.

7

32-161

COLLAR CLAMP

CLAMP - harness

3шт.

8

22-824

CABLE TIE,3/16" x 7 1/4"

STRAP - nylon

1шт.

9

20-2471T1

CAP

- junction block cover

1шт.

10

20-1087T1

BLOCK

JUNCTION BLOCK - electrical

1шт.

11

19-289

JAM NUT,1/2" - 13, Gr 5

- jam, 1/2 UNC G-B

2шт.

12

19-463

WASHER,1/2", SAE

- flat, 1/2

4шт.

13

340-11012

SCREW,Cross Pan Hd, #10-24 x 3/4"

MACHINE SCREW, no. 10 UNC x 3/4

6шт.

14

60-1880T1

STUD

- ground

1шт.

15

20-2470T1

INSULATOR

- junction block (20-2262T1)

1шт.

Old part can be used on all tractors, new part should be used when stock is depleted.

1шт.

16

19-224

WASHER,3/8", SAE

- flat, 3/8

3шт.

17

1-2667

CLAMP

- harness

2шт.

18

19-508

LOCK NUT

- lock, 5/16 UNC

1шт.

19

232-4136

LOCK NUT,3/8"-16, GC

NUT - lock, 3/8 UNC G-B

3шт.

20

20-2041T1

CIRCUIT-BREAKER

CIRCUIT BREAKER - 150 amp.

1шт.

21

19-5564

LOCK NUT,#6-32, GB

NUT - lock, no. 6 UNC G-A

12шт.

22

FLASHER ASSEMBLY - time base (See Fig. 2-11)

1шт.

23

276-1478

SELF-TAP SCREW,Hex Hd, 1/4" x 1/2"

TAPPING SCREW, 1/4 UNC x 1/2

2шт.

24

INSTRUMENTATION GROUP (See Fig. 2-10 and 2-17)

1шт.

25

60-4661T1

COVER

- cab power supply

1шт.

26

19-1

BOLT,Hex, 1/4" - 20 x 3/4", Gr 5

CAPSCREW, 1/4 UNC x 3/4 G-5

5шт.

27

19-105

WASHER,1/4", SAE

- flat, 1/4

5шт.

28

19-700

WASHER,5/16"

- flat, 5/16

1шт.

29

280129

NUT,1/4"-20

NUT - lock, 1/4 UNC G-B

1шт.

30

20-2328T1

HARNESS

WIRE - ground stud to ground on instrumentation group

1шт.

31

20-2301T1

ELECTRICAL WIRE

WIRE - junction block to transmission circuit breaker

1шт.

32

22-823

MOUNT

MOUNT - adhesive bracket

1шт.

Выбрано товаров: 33