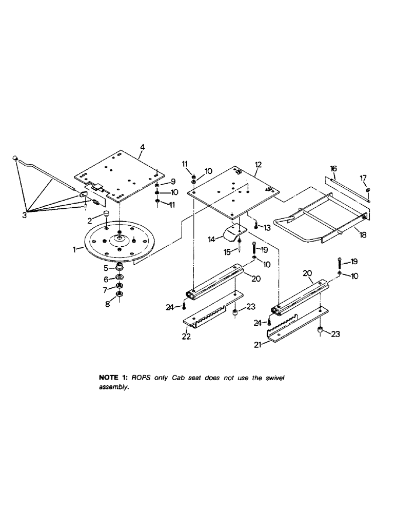
Запчасти Case IH 9110 (01-22) - SEAT ASSEMBLY, SWIVEL AND SLIDE (10) - CAB

Схема запчастей Case IH 9110 - (01-22) - SEAT ASSEMBLY, SWIVEL AND SLIDE (10) - CAB
7
20
10
10
1
19
16
5
19
20
24
15
6
21
10
8
17
24
10
14
13
4
2
12
3
9
23
23
11
18
11
22
FIT
1:1
100%

Артикул

Название

Примечание

Количество

60-4862T91

HYDRAULIC SWIVEL

SWIVEL ASSEMBLY, Includes: Ref. 1 - 12

1шт.

ROPS only Cab seat does not use the swivel assembly.

1шт.

1

60-1625T1

LINK

PLATE - swivel

1шт.

2

60-1619T1

BUSHING

6шт.

3

60-4863T1

LEVER ASSY.

LEVER ASSEMBLY - swivel

1шт.

4

60-4864T91

PLATE ASSY.

PLATE ASSEMBLY - seat mounting, Includes: Ref. 5

1шт.

5

60-1621T91

BUSHING - swivel plate

1шт.

6

60-1624T1

THRUST BEARING

- thrust

1шт.

7

60-1623T1

NUT

M16

1шт.

8

60-1622T1

LOCK NUT

- lock, M16

1шт.

9

40-1007

WASHER

- flat, M8

4шт.

10

40-1154

LOCK WASHER

- lock, M8

12шт.

11

40-1121

NUT

M8

8шт.

12

60-3250T1

PLATE ASSY.

PLATE, swivel mounting

1шт.

13

60-4843T1

SCREW

MACHINE SCREW, M8 x 16 MM

4шт.

14

60-3368T1

SPRING

PLATE - spring

1шт.

15

1-2503

RIVET,Pop, .146" x .425"

- pop, 5/32 dia. x 1/4

2шт.

16

60-3248T1

ROD

- handle pivot

1шт.

17

40-1182

CIRCLIP,M6

RING - snap, M5

2шт.

18

60-3249T1

HANDLED SHAFT

HANDLE ASSEMBLY - fore and aft adjustment

1шт.

19

40-1181

BOLT,Sl, M8 x 1.25 x 30mm

MACHINE SCREW, M8 x 30 MM

4шт.

20

60-1577T1

RAIL ASSY.

RAIL - fore and aft seat slide

2шт.

21

60-3253T1

PLATE

- left locking, slide rail

1шт.

22

60-3251T1

PLATE

- right locking, slide rail

1шт.

23

60-3252T1

BUSHING

- slide rail mounting

4шт.

24

40-1164

BOLT,Sl Cheese Hd, M8 x 1.25 x 16mm

MACHINE SCREW, M8 x 16 MM

4шт.

Выбрано товаров: 26