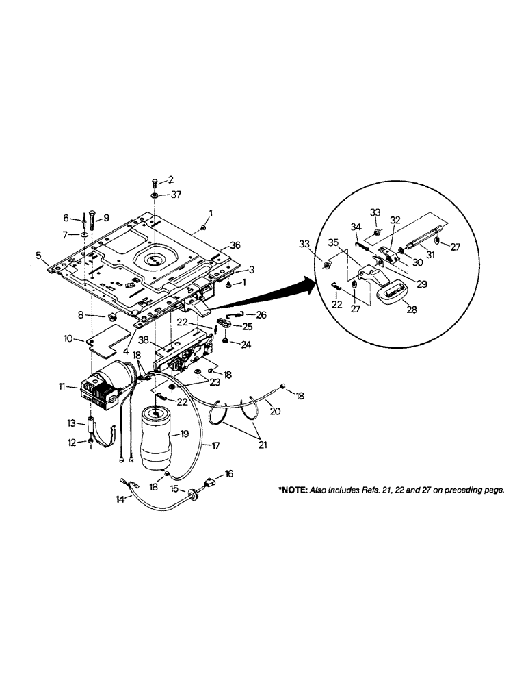
Запчасти Case IH 9110 (01-28) - SEAT ASSEMBLY, COMPRESSOR AND MOUNTING (10) - CAB

Схема запчастей Case IH 9110 - (01-28) - SEAT ASSEMBLY, COMPRESSOR AND MOUNTING (10) - CAB
16
1
38
15
33
29
1
3
23
19
13
34
22
33
18
25
14
17
22
27
32
20
2
18
8
24
27
31
26
30
28
35
7
37
5
22
12
10
6
11
36
21
9
18
FIT
1:1
100%

Артикул

Название

Примечание

Количество

1

60-1613T1

FASTENER

- snap, boot

12шт.

2

40-1231

BOLT,Hex, M8 x 1.25 x 16mm, Gr 8.8

CAPSCREW, M8 x 16 MM

1шт.

3

60-4913T1

PLATE

STRIP - backup, boot

1шт.

4

60-4912T1

PLATE

STRIP - backup, boot

1шт.

5

60-1632T1

PLATE

STRIP - backup, boot

1шт.

6

1-2503

RIVET,Pop, .146" x .425"

- pop, 5/32 dia. x 1/4

1шт.

7

19-699

WASHER,3/16"

- flat, 1/4

1шт.

8

60-4881T1

CLIP,ELECTRICAL

CLIP - cable retaining

2шт.

9

40-1234

CAPSCREW,Hex, M6 x 75mm, Gr 8.8

M6 x 75 MM

1шт.

10

60-4880T1

SEAL, RUBBER

FOAM - compressor mounting

1шт.

11

60-4896T91

COMPRESSOR

ASSEMBLY (Includes refs. 1, 6, 7, 9, 10, 12, 13, 18, 21 and 28)

1шт.

12

40-1235

LOCK NUT

NUT - lock, M8

1шт.

13

60-4897T1

BRACKET

- mounting, comp

1шт.

14

60-4909T91

HARNESS

ASSEMBLY - compressor (Includes refs. 1, 6, 7, 15, 16, 21 and 28)

1шт.

15

NSS

NOT SOLD SEPARAT

GROMMET - wire harness

1шт.

16

NSS

NOT SOLD SEPARAT

CONNECTOR - harness

1шт.

17

60-4898T1

HOSE,450.00 mm

1шт.

18

60-4895T1

CLAMP

- hose

1шт.

19

60-4900T91

SPRING

ASSEMBLY - air (Includes refs. 1, 2, 6, 7, 18, 28 and 37)

1шт.

Also includes Refs. 21, 22 and 27 on preceding figure.

1шт.

20

60-4899T1

HOSE

650 MM

1шт.

21

22-824

CABLE TIE,3/16" x 7 1/4"

STRAP - nylon tie

2шт.

22

60-4883T1

SPRING

- carrier return

2шт.

23

60-4882T2

RETAINER - push on

2шт.

24

NSS

NOT SOLD SEPARAT

BUSHING - stop

1шт.

25

60-4886T91

STOP

ASSY (Includes refs. 1, 6, 22, 24, 26, 27, 28 and 33)

1шт.

26

60-4889T1

SPRING

- stop

1шт.

27

40-1157

RING

- retaining, M7

2шт.

28

60-4884T1

HANDLE

- raise and lower

1шт.

29

NSS

NOT SOLD SEPARAT

RACHET

1шт.

30

60-4892T1

WASHER

1шт.

31

NSS

NOT SOLD SEPARAT

SHAFT - pivot

1шт.

32

NSS

NOT SOLD SEPARAT

ANGLE

1шт.

33

60-4887T1

FLANGED BEARING

BEARING, Flanged

2шт.

34

60-4891T1

SPRING

- return

1шт.

35

60-4890T91

SLIDE

CARRIER ASSEMBLY (Includes refs. 1, 22 and 27-34)

1шт.

36

60-4877T91

SEAT

MOUNT - upper seat (Includes ref. 8)

1шт.

37

40-1154

LOCK WASHER

- lock, M8

1шт.

38

60-4894T91

SLIDE

MOUNT ASSEMBLY - slide bar (Includes refs. 1, 6, 7, 8, 18, 22, 23 and 28)

1шт.

Also includes Refs. 21, 22 and 27 on preceding figure.

1шт.

Выбрано товаров: 0