Запчасти Case IH 9110 (01-33) - SIDE SLIDE SEAT OPTION (10) - CAB

Схема запчастей Case IH 9110 - (01-33) - SIDE SLIDE SEAT OPTION (10) - CAB
11
5
1
7
10
3
6
4
2
5
9
7
6
1
5
5
9
8
4
9
2
9
8
FIT
1:1
100%

Артикул

Название

Примечание

Количество

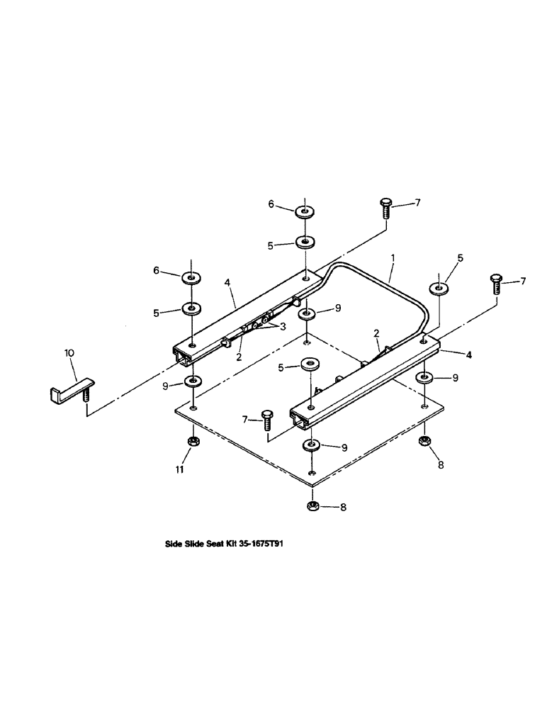
60-6014T1

SUPPORT

ADJUSTER ASSEMBLY - side slide, Includes: Ref. 1 - 4

1шт.

1

60-6005T1

HANDLE - actuating

1шт.

2

60-6007T1

SPRING - handle return

2шт.

3

60-6006T1

SCREW - shoulder

4шт.

4

60-6004T1

RAIL - slide

2шт.

5

60-6008T1

SPACER

4шт.

6

60-6009T1

SPACER

- seat rear (Used with air seat only)

2шт.

7

40-1135

BOLT,M8 x 1.25 x 25mm, Gr 8.8

CAPSCREW, M8 x 1.25 x 25 MM G-8.8

3шт.

8

40-1235

LOCK NUT

NUT - lock, M8 x 1.25

3шт.

9

19-106

WASHER,5/16", SAE

- flat, 5/16

4шт.

10

60-6017T1

ANGLE

STOP - seat adjustment

1шт.

Old part can be used on all tractors, new part should be used when stock is depleted.

1шт.

11

231-1445

NUT,5/16"-18, GB

NUT - lock, 5/16 UNC

1шт.

Выбрано товаров: 0