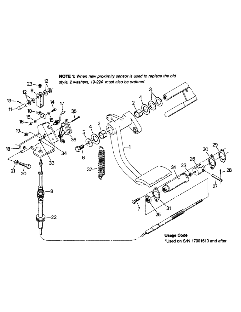
Запчасти Case IH 9110 (01-46) - CLUTCH CONTROLS (10) - CAB

Схема запчастей Case IH 9110 - (01-46) - CLUTCH CONTROLS (10) - CAB
34
21
2
1
11
15
36
8
31
12
26
30
25
28
23
23
24
19
29
17
16
2
4
33
35
13
15
3
6
14
7
9
4
18
27
5
32
10
20
12
22
FIT
1:1
100%

Артикул

Название

Примечание

Количество

1

60-4251T2

PEDAL

- clutch

1шт.

2

24-208

BEARING ASSY,1" ID x 1.125" OD x 0.75"

BEARING - clutch pedal

2шт.

3

19-6053

WASHER

- flat, 1 x 1-3/4 x 3/64 thk

1шт.

4

19-5635

WASHER

- nylon, 1 x 1-3/4 x 3/32 thk

2шт.

5

19-109

WASHER,1/2"

- flat, 1/2

1шт.

6

19-43

BOLT,1/2" - 13 x 1", Gr 5

CAPSCREW, 1/2 UNC x 1 G-5

1шт.

7

19-5852

FLANGE BOLT,Hex, 1/4" - 20 x 3/4", Gr 5

CAPSCREW - flanged, 1/4 UNC x 3/4 G-5

2шт.

8

60-4957T1

CABLE

- clutch

1шт.

9

60-4384T1

CLEVIS COUPLING

YOKE - clevis, cable

1шт.

10

60-5048T1

SUPPORT

BRACKET - magnetic actuator mount

1шт.

11

19-5922

CLEVIS PIN,3/8" x 1 1/4"

PIN - clevis, 3/8 x 1-1/4 inch

1шт.

12

19-224

WASHER,3/8", SAE

- flat, 3/8

4шт.

13

19-238

COTTER PIN,3/32" x 3/4"

Pin, Split (Cotter), 3/32" x 3/4"

1шт.

14

20-1316T1

ACTUATOR

- magnetic

1шт.

15

19-281

WASHER,#8

- flat, no. 8

2шт.

16

19-5621

LOCK NUT,#8-32, GB

NUT - lock, no. 8 UNC

1шт.

17

60-6027T1

SENSOR

ASSEMBLY - proximity (20-2268T1), Start Serial: 17901610

1шт.

Old part can be used prior to serial number break only. When stock is depleted, use new on all.

1шт.

When new proximity sensor is used to replace the old style, 2 washers, 19-224 must also be ordered.

1шт.

18

60-6025T1

SUPPORT

BRACKET - proximity sensor (60-5055T1), Start Serial: 17901610

1шт.

Old part can be used prior to serial number break only. When stock is depleted, use new on all.

1шт.

19

19-76

NUT,1/4"-20, G5

1/4 UNC G-B

3шт.

20

19-20

BOLT,Hex, 3/8" - 16 x 1 3/4", Gr 5

CAPSCREW, 3/8 UNC x 1-3/4 G-5

1шт.

21

19-5573

NUT,3/8"-16, G8

- 3/8 UNC G-C

1шт.

22

1-1050

GROMMET

- clutch cable

1шт.

23

19-236

JAM NUT,5/16" - 24, Gr 5

- jam, 5/16 UNF G-B

3шт.

24

2-4692T1

ROPE GUIDE

COVER - clutch actuating

1шт.

25

19-885

JAM NUT

- jam, 3/4 UNF G-B

1шт.

26

2-4752T1

FORK

YOKE - clutch, actuating

1шт.

27

19-6041

PIN

(Special)

1шт.

28

19-6043

COTTER PIN,1/32" x 3/4"

Pin, Split (Cotter) 1/32" x 3/4"

2шт.

29

60-2056T1

GASKET

- retainer

1шт.

30

60-3008T1

SHIM

- cover

1шт.

31

2-4693T1

RETAINER

- cover

1шт.

32

2-5000T1

SPRING

- clutch pedal return

1шт.

33

19-1013

NUT

- no. 6 UNC G-A

2шт.

34

19-708

WASHER,#6

- flat, no. 6

2шт.

35

470-10620

SCREW,Pan HD, #6 - 32 x 1-1/4"

MACHINE SCREW, no. 6 UNC x 1-1/4

2шт.

36

20-2340T91

IGNITION SWITCH

MICRO SWITCH

1шт.

20-2341T91

SWITCH

MICRO SWITCH (Interchangeable with P/N 20-2340T91)

1шт.

Выбрано товаров: 40