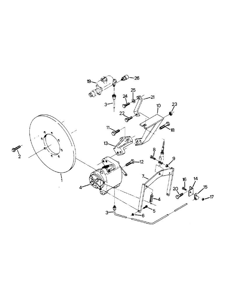
Запчасти Case IH 9110 (05-1) - BRAKE SYSTEM (5.1) - BRAKES

Схема запчастей Case IH 9110 - (05-1) - BRAKE SYSTEM (5.1) - BRAKES
21
20
13
19
25
12
24
14
1
15
5
3
4
3
18
10
8
16
17
6
11
23
2
7
9
26
4
22
FIT
1:1
100%

Артикул

Название

Примечание

Количество

1

90-6479T1

BRAKE DISC

DISC - brake

1шт.

2

19-6089

BOLT,Hex, 1/2" - 20 x 1 1/2", Gr 8

CAPSCREW - flanged, 1/2 UNF x 1-1/2 G-8

8шт.

3

90-6722T1

TUBE,.25" OD

- brake line

1шт.

4

CALIPER - brake (See Fig. 5-2)

1шт.

5

19-654

BOLT,Hex, 5/16" - 18 x 1", Gr 8

CAPSCREW, 5/16 UNC x 1 G-8 (454862)

2шт.

Old part must not be used in this area only. Is OK elsewhere when shown.

1шт.

6

231-1445

NUT,5/16"-18, GB

NUT - lock, 5/16 UNC G-A

2шт.

7

90-4030T1

SUPPORT

BRACKET - park brake

1шт.

8

19-799

BOLT,Hex, 3/8" - 16 x 1 1/4", Gr 8

CAPSCREW, 3/8 UNC x 1-1/4 G-8

1шт.

9

19-341

LOCK NUT,3/8" - 16, GB

NUT - lock, 3/8 UNC G-A

1шт.

10

90-6466T2

BRACKET

- cable mount

1шт.

11

19-839

BOLT,Hex, 5/8" - 11 x 1 3/4", Gr 8

CAPSCREW, 5/8 UNC x 1-3/4 G-8

4шт.

12

9424760

SCREW,5/8" - 11 x 2", Gr 8

CAPSCREW, 5/8 UNC x 2 G-8

2шт.

13

90-6481T1

SUPPORT

MOUNT - brake caliper

2шт.

14

90-6721T1

BRACKET

- clamp mount

1шт.

15

31-1862

CLAMP

- brake line

3шт.

16

19-16

BOLT,Hex, 3/8" - 16 x 3/4", Gr 5

CAPSCREW, 3/8 UNC x 3/4 G-5

1шт.

17

19-78

SPECIAL NUT,3/8"-16, G5

3/8 UNC G-B

1шт.

18

19-840

BOLT,1/2" - 13 x 2 1/2", Gr 5

CAPSCREW, 5/8 UNC x 2-1/4 G-8

2шт.

19

CYLINDER - master, brake (See Fig. 5-4)

1шт.

20

SM8121240

BOLT

CAPSCREW, M12 x 1.75 x 40 MM G-8.8

1шт.

21

90-6828T1

STRAP

- stabilizer (Without PTO)

1шт.

90-6827T1

STRAP

- stablilzer (With PTO)

1шт.

22

19-44

BOLT,Hex, 1/2" - 13 x 1 1/4", Gr 5

CAPSCREW, 1/2 UNC x 1-1/4 G-5

1шт.

23

19-81

NUT,1/2"-13, G5

1/2 UNC G-B

1шт.

24

40-1247

CAPSCREW,Hex, M12 x 1.25 x 25mm, Gr 8.8

M12 x 1.25 x 25 MM G-8.8 (Without PTO)

1шт.

40-1246

CAPSCREW,Hex, M12 x 1.25 x 100mm, Gr 8.8

M12 x 1.25 x 100 MM G-8.8 (With PTO)

1шт.

25

19-463

WASHER,1/2", SAE

flat, 1/2 (With PTO only)

1шт.

26

22-729

SWITCH

- brake light

1шт.

Выбрано товаров: 29