Запчасти Case IH 9110 (10-16) - PTO COMPONENTS Options & Miscellaneous

Схема запчастей Case IH 9110 - (10-16) - PTO COMPONENTS Options & Miscellaneous
11
2
34
7
10
21
39
23
7
35
29
19
18
36
1
12
25
8
40
15
4
32
13
5
21
38
28
5
27
26
17
20
24
16
33
14
30
37
6
31
9
22
3
34
3
41
FIT
1:1
100%

Артикул

Название

Примечание

Количество

90-6487T91

CLUTCH

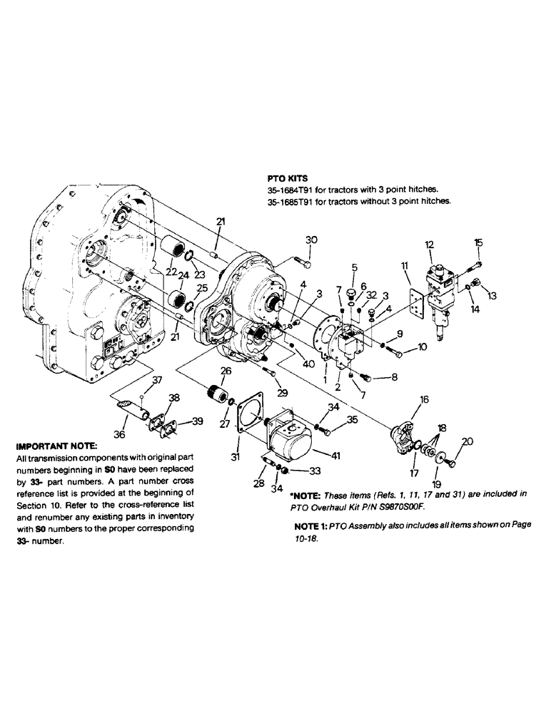
PTO ASSEMBLY, Includes: Ref. 1 - 40

1шт.

PTO Assembly also includes all Refs. shown on Figure 10-18.

1шт.

1

S8540S00F

GASKET

- servo case

1шт.

These Refs. (Refs. 1, 11, 17 and 31) are included in PTO Overhaul Kit P/N S9870S00F.

1шт.

2

S8530S00F

CASE

- PTO servo

1шт.

3

S1030S00F

PLUG

- o-ring (Includes ref. 4)

3шт.

4

S1040S00F

O-RING

- plug

3шт.

These Refs. (Refs. 1, 11, 17 and 31) are included in PTO Overhaul Kit P/N S9870S00F.

1шт.

5

S8550S00F

PLUG

- o-ring (Includes ref. 6)

1шт.

6

S8560S00F

GASKET

O-RING - plug

1шт.

These Refs. (Refs. 1, 11, 17 and 31) are included in PTO Overhaul Kit P/N S9870S00F.

1шт.

7

STX99700F

PLUG

- pipe

2шт.

8

SM8124030

BOLT

CAPSCREW, M10 x 1.25 x 30 MM G8.8

6шт.

9

SM8915140

PLATE, LOCKING

WASHER - lock, M10

3шт.

10

SM8124080

BOLT

CAPSCREW, M10 x 1.25 x 80 MM G8.8

3шт.

11

S9510S00F

GASKET

control valve

1шт.

These Refs. (Refs. 1, 11, 17 and 31) are included in PTO Overhaul Kit P/N S9870S00F.

1шт.

12

VALVE ASSEMBLY - PTO control (See Fig. 10-20)

1шт.

13

S1390S00F

PLUG

- o-ring (Includes ref. 14)

2шт.

14

S1320S00F

O-RING

2шт.

15

SM8120880

BOLT

CAPSCREW, M8 x 1.25 x 80 MM G8.8

4шт.

16

S8830S01H

FORK

YOKE - PTO output

1шт.

17

S8950S00F

GASKET

O-RING - yoke seal

1шт.

These Refs. (Refs. 1, 11, 17 and 31) are included in PTO Overhaul Kit P/N S9870S00F.

1шт.

18

S9950S00F

SHIM,0.1mm Thk

(0.10 mm), Yoke .004" Thk

1шт.

S9960S00F

SHIM,0.31mm Thk

(0.30 mm), Yoke .012" Thk

1шт.

S9970S00F

SHIM,0.51mm Thk

(0.50 mm), Yoke .020" Thk

1шт.

S9980S00F

SHIM,0.71mm Thk

(0.7 mm), Yoke .028" Thk

1шт.

19

S8860S00H

WASHER

- retainer

1шт.

20

SM8134635

BOLT

CAPSCREW, M16 x 1.50 x 35 MM G10.9

1шт.

21

33-1467T1

DOWEL

PIN - dowel

2шт.

All transmission components with original part numbers beginning in S0 have been replaced by 33- part numbers. A part number cross reference list is provided at the beginning of Section 10. Refer to the cross-reference list and renumber any existing parts in inventory with S0 numbers to the proper corresponding 33- number.

1шт.

22

S8600S00F

SLEEVE

- drive coupling

1шт.

23

SM922247

RING, SNAP

RING - snap

1шт.

24

33-1452T1

COUPLING

- pump drive

1шт.

All transmission components with original part numbers beginning in S0 have been replaced by 33- part numbers. A part number cross reference list is provided at the beginning of Section 10. Refer to the cross-reference list and renumber any existing parts in inventory with S0 numbers to the proper corresponding 33- number.

1шт.

25

33-1445T1

RING, SNAP

RING - snap

1шт.

All transmission components with original part numbers beginning in S0 have been replaced by 33- part numbers. A part number cross reference list is provided at the beginning of Section 10. Refer to the cross-reference list and renumber any existing parts in inventory with S0 numbers to the proper corresponding 33- number.

1шт.

26

S8940S00F

ADAPTER

- pump drive

1шт.

27

33-1447T1

RING, SNAP

RING - snap

1шт.

All transmission components with original part numbers beginning in S0 have been replaced by 33- part numbers. A part number cross reference list is provided at the beginning of Section 10. Refer to the cross-reference list and renumber any existing parts in inventory with S0 numbers to the proper corresponding 33- number.

1шт.

28

SM8267455

STUD

M14 x 1.5 x 55 MM

2шт.

29

SM8124280

BOLT

CAPSCREW, M12 x 1.25 x 80 MM G8.8

4шт.

30

SM8124290

BOLT

CAPSCREW, M12 x 1.25 x 90 MM G8.8

7шт.

31

50-1388T1

GASKET

- (33-1469T1)

1шт.

Duplicate or identical parts - renumber all stock as indicated.

1шт.

These Refs. (Refs. 1, 11, 17 and 31) are included in PTO Overhaul Kit P/N S9870S00F.

1шт.

32

S8920S00F

PLUG

- orifice

1шт.

33

SM8911244

NUT

M14 x 1.5

2шт.

34

SM8915144

PLATE, LOCKING

WASHER - lock, M14

4шт.

35

SM8124460

BOLT

CAPSCREW, M14 x 1.50 x 60 MM G8.8

2шт.

36

S1520S00F

PIPE

TUBE - oil pickup

1шт.

37

SM1470196

BALL

- steel

1шт.

38

S1620S00F

GASKET

- oil pickup

1шт.

39

S1700S00F

LARGE PLATE

PLATE - suction

1шт.

40

S8930S00F

PLUG

- orifice

1шт.

41

PUMP ASSEMBLY - lube (See Fig. 4-80)

1шт.

42

19-5737

SEALANT

(Not shown)

1шт.

Выбрано товаров: 0