Запчасти Case IH 9110 (10-22) - PTO TRANSFER CASE ASSEMBLY Options & Miscellaneous

Схема запчастей Case IH 9110 - (10-22) - PTO TRANSFER CASE ASSEMBLY Options & Miscellaneous
39
34
7
24
47
25
35
17
4
45
26
29
11
2
45
21
6
2
3
38
36
14
44
27
9
20
41
4
50
3
42
33
19
3
2
30
18
46
2
13
10
45
11
46
31
13
47
24
16
37
48
5
23
15
49
28
21
40
32
23
12
22
1
8
3
FIT
1:1
100%

Артикул

Название

Примечание

Количество

90-6951T91

BOX

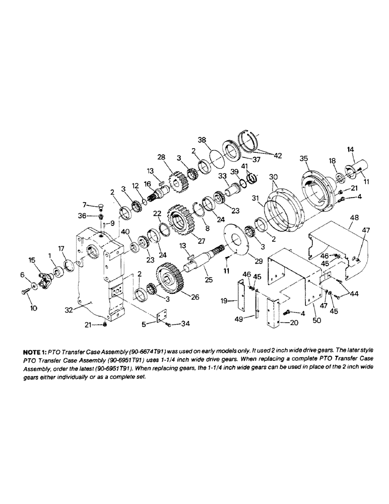
CASE ASSEMBLY - PTO transfer (90-6674T91), Includes: Ref. 1 - 43

1шт.

Old part must not be used in this area only. Is OK elsewhere when shown.

1шт.

PTO Transfer Case Assembly (90-6674T91) was used on early models only. It used 2 inch wide drive gears. The later style PTO Transfer Case Assembly (90-6951T91) uses 1-1/4 inch wide drive gears. When replacing a complete PTO Transfer Case Assembly, order the latest (90-6951T91). When replacing gears, the 1-1/4 inch wide gears can be used in place of the 2 inch wide gears either indivuidually or as a complete set.

1шт.

1

90-6080T1

SPACER

- yoke

1шт.

2

16-1652

CONE - bearing

4шт.

3

90-1996T1

BEARING, CUP,3.8125" OD x 0.8268"

CUP - bearing

4шт.

4

19-221

BOLT,Hex, 1/2" - 13 x 1 1/2", Gr 5

CAPSCREW, 1/2 UNC x 1-1/2 G-5

8шт.

5

90-6212T1

LARGE PLATE

PLATE - cover

1шт.

6

19-6252

WASHER

- flat, special

1шт.

7

31-303

BREATHER

- vent

1шт.

8

19-6058

RING, SNAP

RING - snap

1шт.

9

19-6194

DOWEL,1/4" x 1 1/4"

PIN - dowel, 1/4 x 1-1/4

1шт.

10

19-822

BOLT,Hex, 5/8" - 11 x 1 1/2", Gr 8, Full Thd

CAPSCREW, 5/8 UNC x 1-1/2 G-8

1шт.

11

19-876

BOLT,Hex, 5/16" - 18 x 1/2", Gr 5

CAPSCREW, 5/16 UNC x 1/2 G-5

7шт.

12

31-1744

O-RING

O-RING - seal

1шт.

13

90-1173T1

BUCKET TOOTH KEY

KEY - shaft

2шт.

14

90-1926T1

COVER

- PTO shaft

1шт.

15

90-6639T1

LINKAGE YOKE

YOKE - input

1шт.

16

90-1991T1

SHAFT

- input

1шт.

17

90-1994T1

SEAL

- input yoke

1шт.

18

90-1995T1

SEAL

SEAL - output shaft

1шт.

19

90-5869T1

ANGLE BAR

MOUNT - shield, right

1шт.

20

90-5870T1

ANGLE BAR

MOUNT - shield, left

1шт.

21

31-336

PLUG

(8), 3/4-16 o-ring boss

2шт.

22

90-3577T1

SPACER

- gear

1шт.

23

90-3580T1

BEARING, ROLLER,50.8mm ID x 24.61mm W

CONE - bearing

2шт.

24

90-3581T1

BEARING CUP,96.86mm OD x 19.45mm W

CUP - bearing

2шт.

25

90-4401T1

SHAFT

- output

1шт.

26

90-6938T1

GEAR

- output (54T) (1-1/4 inch wide)

1шт.

PTO Transfer Case Assembly (90-6674T91) was used on early models only. It used 2 inch wide drive gears. The later style PTO Transfer Case Assembly (90-6951T91) uses 1-1/4 inch wide drive gears. When replacing a complete PTO Transfer Case Assembly, order the latest (90-6951T91). When replacing gears, the 1-1/4 inch wide gears can be used in place of the 2 inch wide gears either indivuidually or as a complete set.

1шт.

90-4402T1

PINION

GEAR - output (54T) (2 inch wide)

1шт.

27

90-6939T1

GEAR

- center (49T) (1-1/4 inch wide)

1шт.

PTO Transfer Case Assembly (90-6674T91) was used on early models only. It used 2 inch wide drive gears. The later style PTO Transfer Case Assembly (90-6951T91) uses 1-1/4 inch wide drive gears. When replacing a complete PTO Transfer Case Assembly, order the latest (90-6951T91). When replacing gears, the 1-1/4 inch wide gears can be used in place of the 2 inch wide gears either indivuidually or as a complete set.

1шт.

90

90-4403T1

PINION

GEAR - center (49T) (2 inch wide)

1шт.

Old part must not be used in this area only. Is OK elsewhere when shown.

1шт.

28

90-6940T1

GEAR

- input (32T) (1-1/4 inch wide)

1шт.

PTO Transfer Case Assembly (90-6674T91) was used on early models only. It used 2 inch wide drive gears. The later style PTO Transfer Case Assembly (90-6951T91) uses 1-1/4 inch wide drive gears. When replacing a complete PTO Transfer Case Assembly, order the latest (90-6951T91). When replacing gears, the 1-1/4 inch wide gears can be used in place of the 2 inch wide gears either indivuidually or as a complete set.

1шт.

90-4404T1

PINION

GEAR - input (32T) (2 inch wide)

1шт.

Old part must not be used in this area only. Is OK elsewhere when shown.

1шт.

29

90-4409T2

DEFLECTOR

BAFFLE - oil

1шт.

30

90-4410T1

SHIM

- end cap (.005)

1шт.

90-4411T1

SHIM

- end cap (.007)

1шт.

90-4412T1

SHIM

- end cap (.020)

1шт.

31

1-2270

O-RING,9.234" ID x 9.512" OD x 0.139"

O-RING - seal

1шт.

32

90-4417T2

HOUSING

- transfer case

1шт.

33

90-4418T1

PIN

- center shaft

1шт.

34

19-32

BOLT,Hex, 7/16" - 14 x 1", Gr 5, Full Thd

CAPSCREW, 7/16 UNC x 1 G-5

4шт.

35

90-4420T2

CAP

- end (90-4420T1)

1шт.

Old part can be used on all tractors, new part should be used when stock is depleted.

1шт.

36

31-1547

ADAPTER

(8), 3/4-16 o-ring boss x 3/8 NPT female

1шт.

37

90-4422T1

CAP

- end, input shaft

1шт.

38

90-4423T1

O-RING,5.609" ID x 5.887" OD x 0.139"

- seal

1шт.

39

90-4424T1

O-RING,2.359" ID x 2.637" OD x 0.139"

- seal

1шт.

40

90-4425T1

BUSHING

- spacer, center shaft

1шт.

41

90-5750T1

RING, SNAP

RING - snap (.065)

1шт.

90-5749T1

RING, SNAP

RING - snap (.069)

1шт.

90-5748T1

RING, SNAP

RING - snap (.073)

1шт.

90-5747T1

RING, SNAP

RING - snap (.077)

1шт.

90-5746T1

RING, SNAP

RING - snap (.081)

1шт.

90-5745T1

RING, SNAP

RING - snap (.085)

1шт.

90-5744T1

RING, SNAP

RING - snap (.089)

1шт.

90-5743T1

RING, SNAP

RING - snap (.093)

1шт.

42

90-5755T1

RING, SNAP

RING - snap (.105)

1шт.

90-5754T1

RING, SNAP

RING - snap (.110)

1шт.

90-5753T1

RING, SNAP

RING - snap (.115)

1шт.

90-5752T1

RING, SNAP

RING - snap (.120)

1шт.

90-5751T1

RING, SNAP

RING - snap (.125)

1шт.

43

1-1055

SEALANT

ANT (Not shown)

1шт.

44

19-18

BOLT,Hex, 3/8" - 16 x 1 1/4", Gr 5

CAPSCREW, 3/8 UNC x 1-1/4 G-5

4шт.

45

19-224

WASHER,3/8", SAE

- flat, 3/8

6шт.

46

19-341

LOCK NUT,3/8" - 16, GB

NUT - lock, 3/8 UNC G-A

4шт.

47

19-6013

SPACER

- pivot

4шт.

48

90-3484T1

SHIELD

- PTO

1шт.

49

90-5866T1

RETAINER

- bracket

2шт.

50

90-5868T1

SUPPORT

BRACKET - shield mount

1шт.

Выбрано товаров: 75